GM Service Manual Online
For 1990-2009 cars only
Makes
🢒
Holden
🢒
2008
🢒
Barina
🢒 LHD
LHD
LHD
Master Electrical Component List Notchback
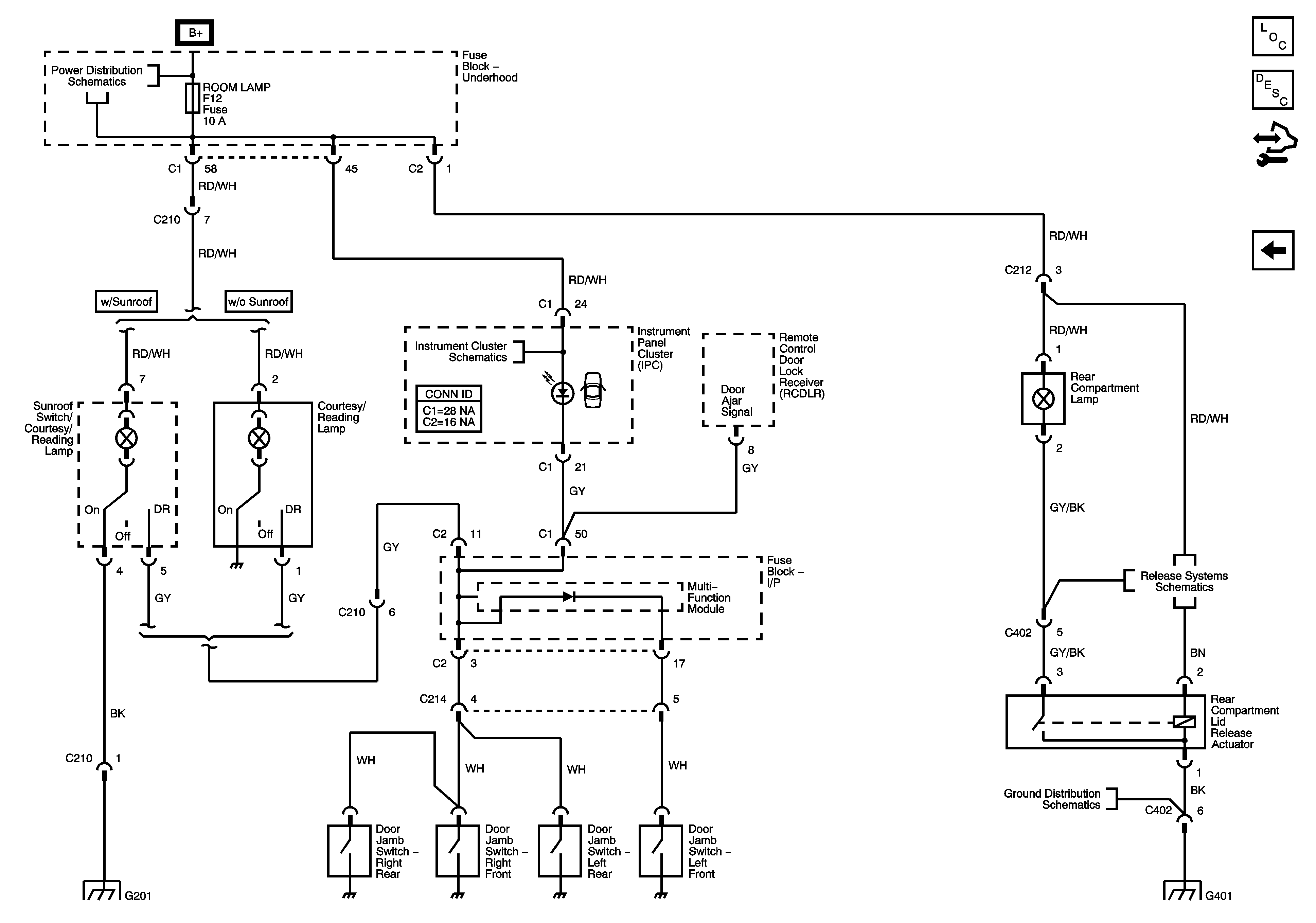
Interior Lighting Systems Description and Operation
Control Module References
RHD
ROOM LAMP, SUNROOF, SPARE Fuses
Instrument Cluster Power and Ground, Ambient Temperature, Engine Temperature, Fuel, Speed Gages
Release Systems Schematics
G401, G402
G201 - 1 of 3
G401, G402