GM Service Manual Online
For 1990-2009 cars only
Makes
🢒
Holden
🢒
2008
🢒
Barina
🢒 Notchback
Notchback
Notchback
Master Electrical Component List Notchback
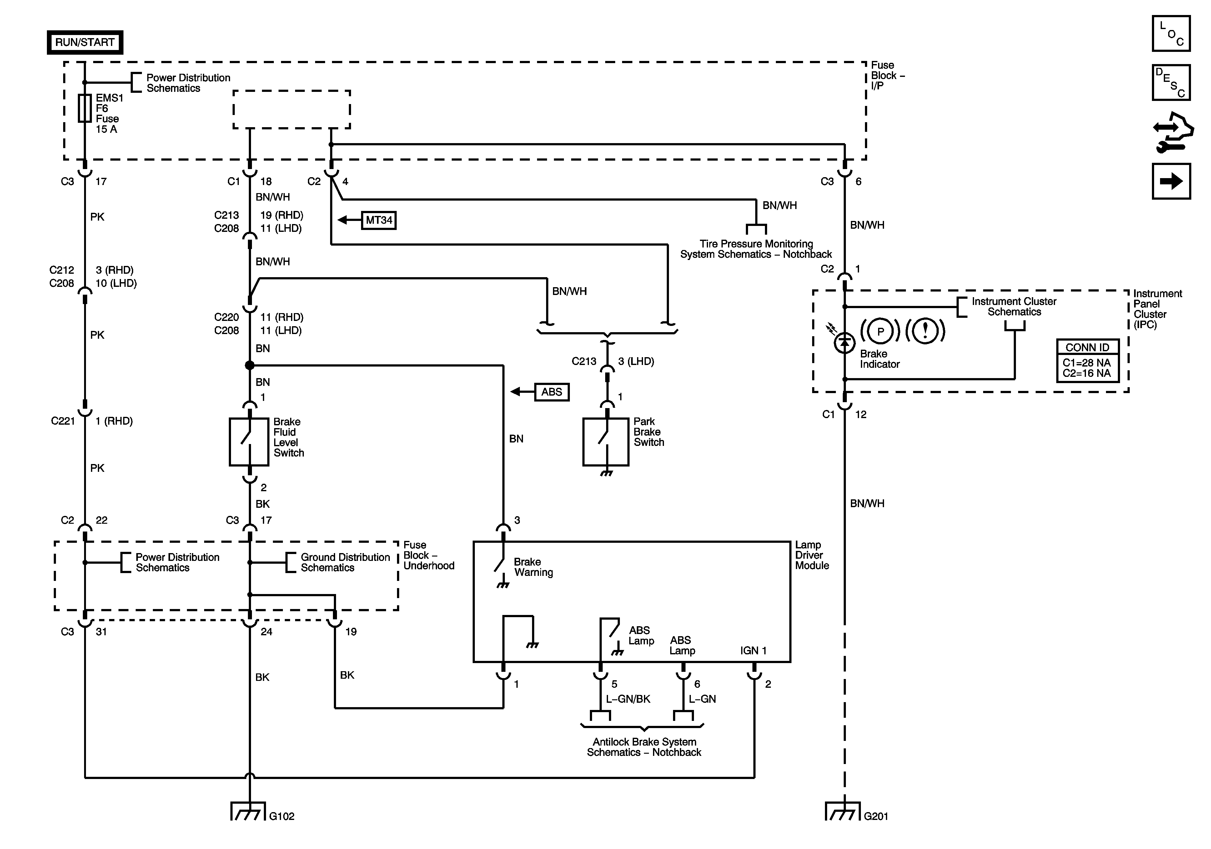
Hydraulic Brake System Description and Operation
Control Module References
Hatchback
SDM, EMS 1, EMS 2 Fuses
Notchback
Instrument Cluster
Headlamps, A/C, Fan Relays
G102
Electronic Brake Control Module (EBCM) Power and Ground Distribution, Serial Data, Lamp Driver Module and Stop Lamp Switch
G101, G103, G104
G201 - 2 of 3