GM Service Manual Online
For 1990-2009 cars only
Makes
🢒
Holden
🢒
2009
🢒
VE Sedan
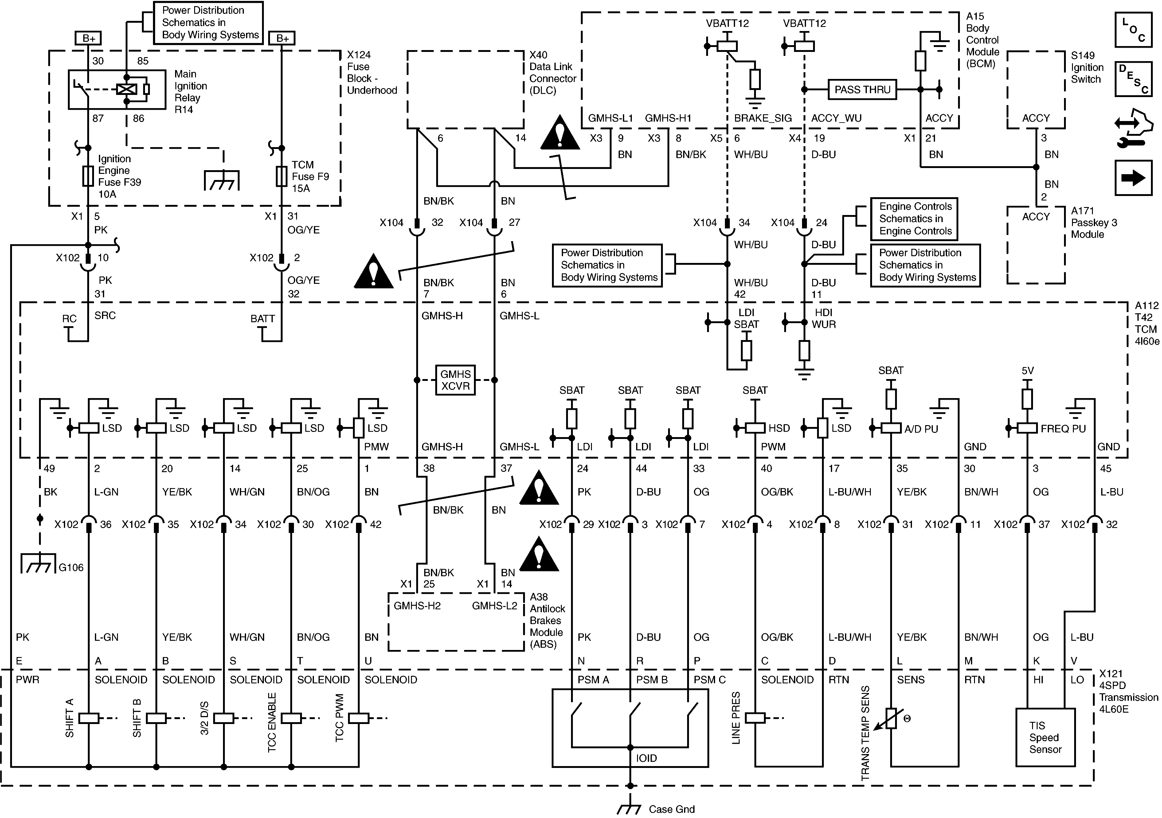
🢒 TCM and Transmission, Power, Ground, Serial Data, Inputs and Outputs
TCM and Transmission, Power, Ground, Serial Data, Inputs and Outputs
TCM and Transmission, Power, Ground, Serial Data, Inputs and Outputs
Master Electrical Component List
Transmission Component and System Description
Control Module References
NSBU Switch and TOSS Sensor
IGN II/III Bus - Airbag, IGN Engine and Phone/Cruise
ABS Motor, ABS Valves, HVAC Blower, HVAC Batt and TCM Fuses
Batt Main 2, Console Lighting, BCM Logic, Stop Lamps/Park Assist and IGNSW/Theft Fuses and Ignition Switch
Stop Lamps Power and Ground
Body Control Module and Ignition Switch, Power, Ground, Inputs and Outputs
Batt Main 2, Console Lighting, BCM Logic, Stop Lamps/Park Assist and IGNSW/Theft Fuses and Ignition Switch
Automatic Transmission Schematic Icons
Automatic Transmission Schematic Icons
Automatic Transmission Schematic Icons
Automatic Transmission Schematic Icons
G103, G106, G107, G108 and G109 (3.6L)