GM Service Manual Online
For 1990-2009 cars only
Makes
🢒
Holden
🢒
2009
🢒
VE Sedan
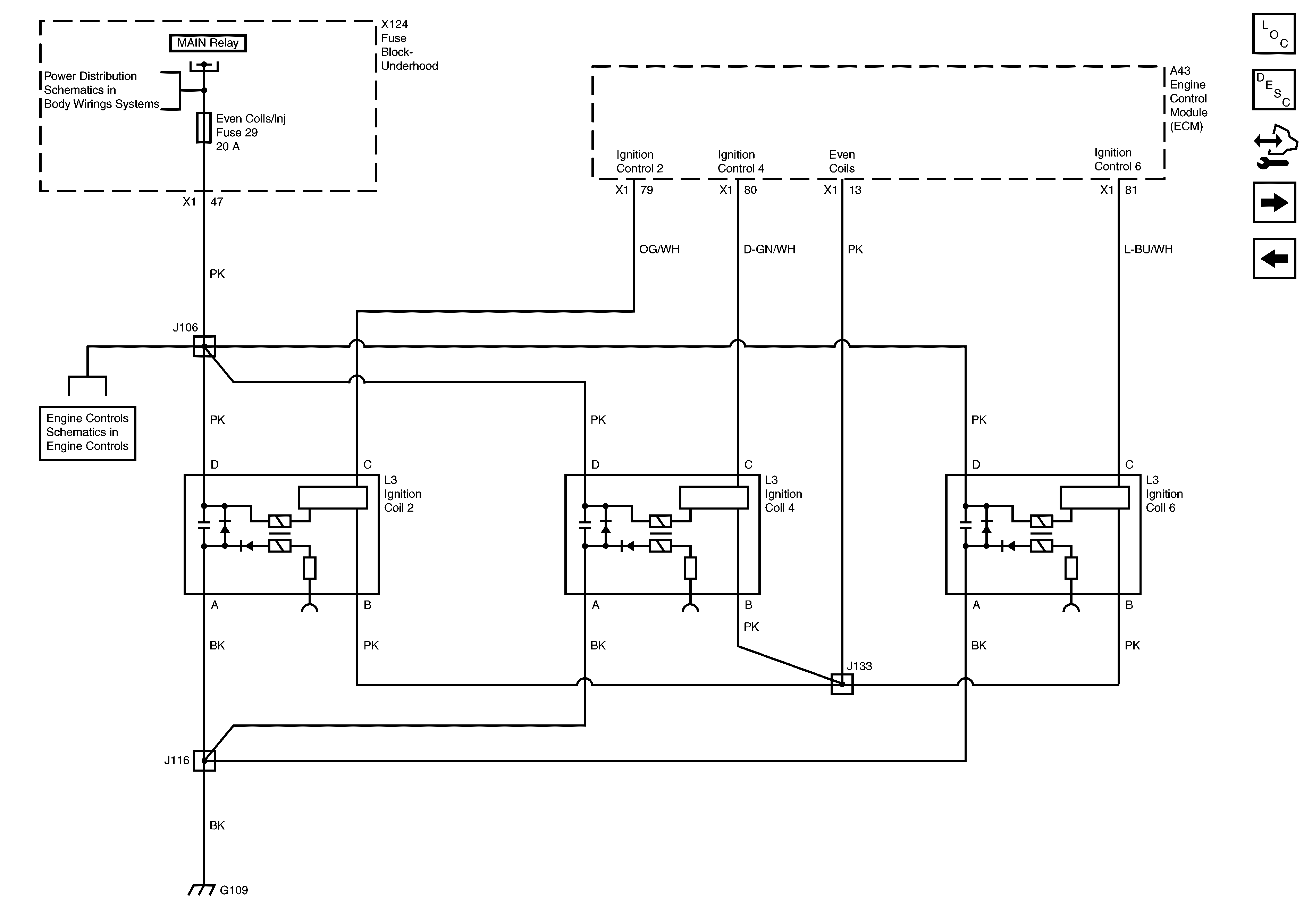
🢒 Even Ignition Coils
Even Ignition Coils
Even Ignition Coils
Master Electrical Component List
Electronic Ignition (EI) System Description
Control Module References
Crankshaft Position and Knock Sensors
Odd Ignition Coils
PWR/TRN BUS - EVCOIL/INJ Fuses
Fuel Injectors
G103, G106, G107, G108 and G109 (3.6L)