GM Service Manual Online
For 1990-2009 cars only
Makes
🢒
Holden
🢒
2009
🢒
VE Sedan
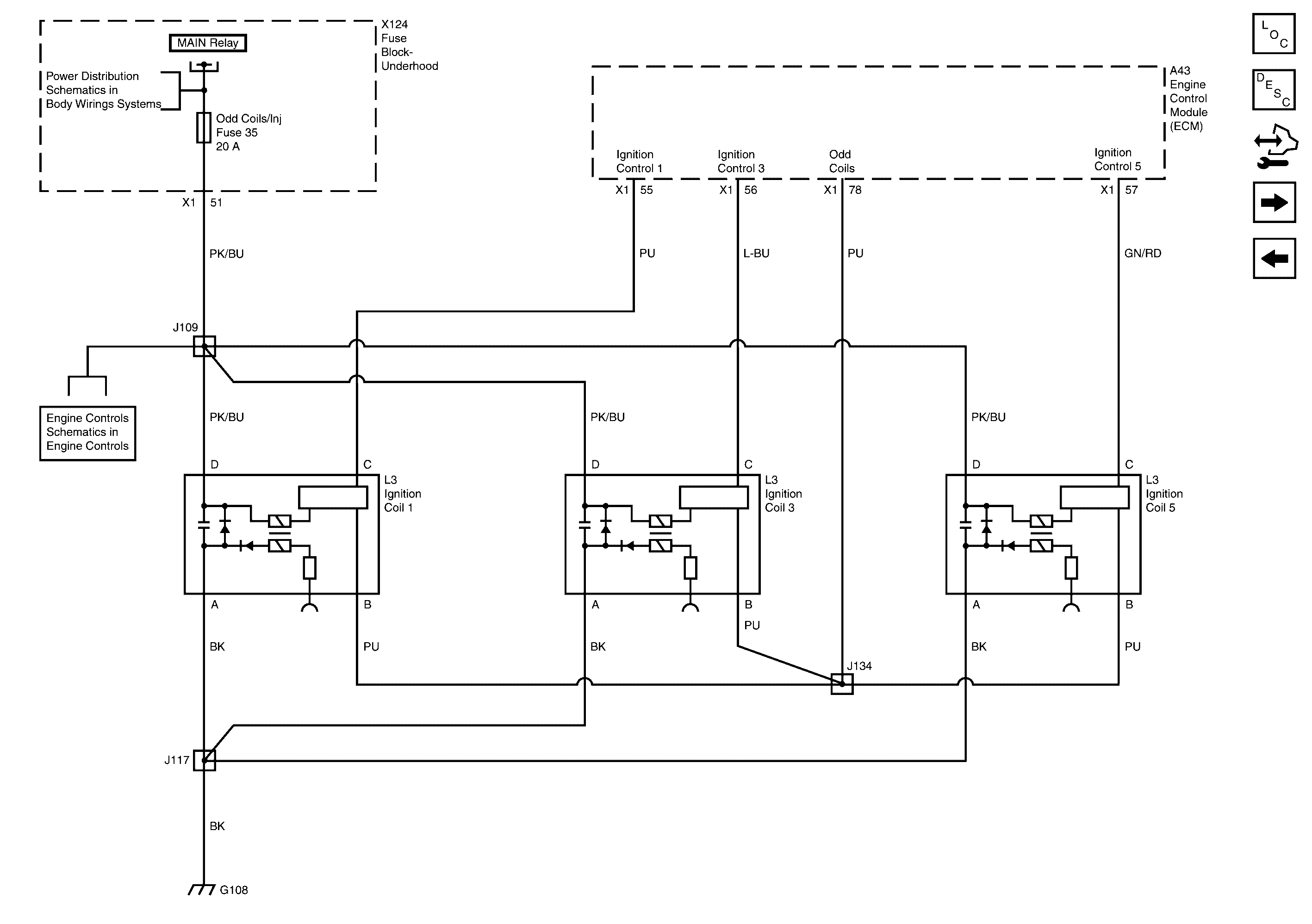
🢒 Odd Ignition Coils
Odd Ignition Coils
Odd Ignition Coils
Master Electrical Component List
Electronic Ignition (EI) System Description
Control Module References
Even Ignition Coils
Fuel Injectors
PWR/TRN Bus - Emission 2 and ODCOIL/INJ Fuses
Fuel Injectors
G103, G106, G107, G108 and G109 (3.6L)