GM Service Manual Online
For 1990-2009 cars only
Makes
🢒
Holden
🢒
2009
🢒
VE Sedan
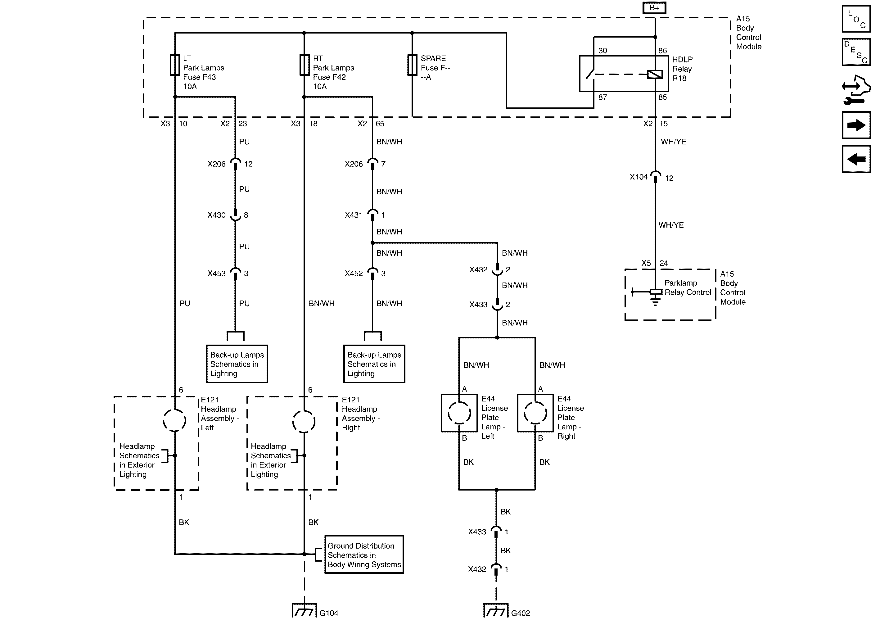
🢒 Parklamps and License Plate Lamps Power and Ground
Parklamps and License Plate Lamps Power and Ground
Parklamps and License Plate Lamps Power and Grounds
Master Electrical Component List
Exterior Lighting Systems Description and Operation
Control Module References
Turn Signal Multifuction Switch, Front, Side and Rear Repeater Lamps Power and Ground
Stop Lamps Power and Ground
LT PRK and RT PRK Fuses
G104
G311 and G402
Stop Lamps Power and Ground
Stop Lamps Power and Ground
G104