GM Service Manual Online
For 1990-2009 cars only
Makes
🢒
Holden
🢒
2009
🢒
VE Sedan
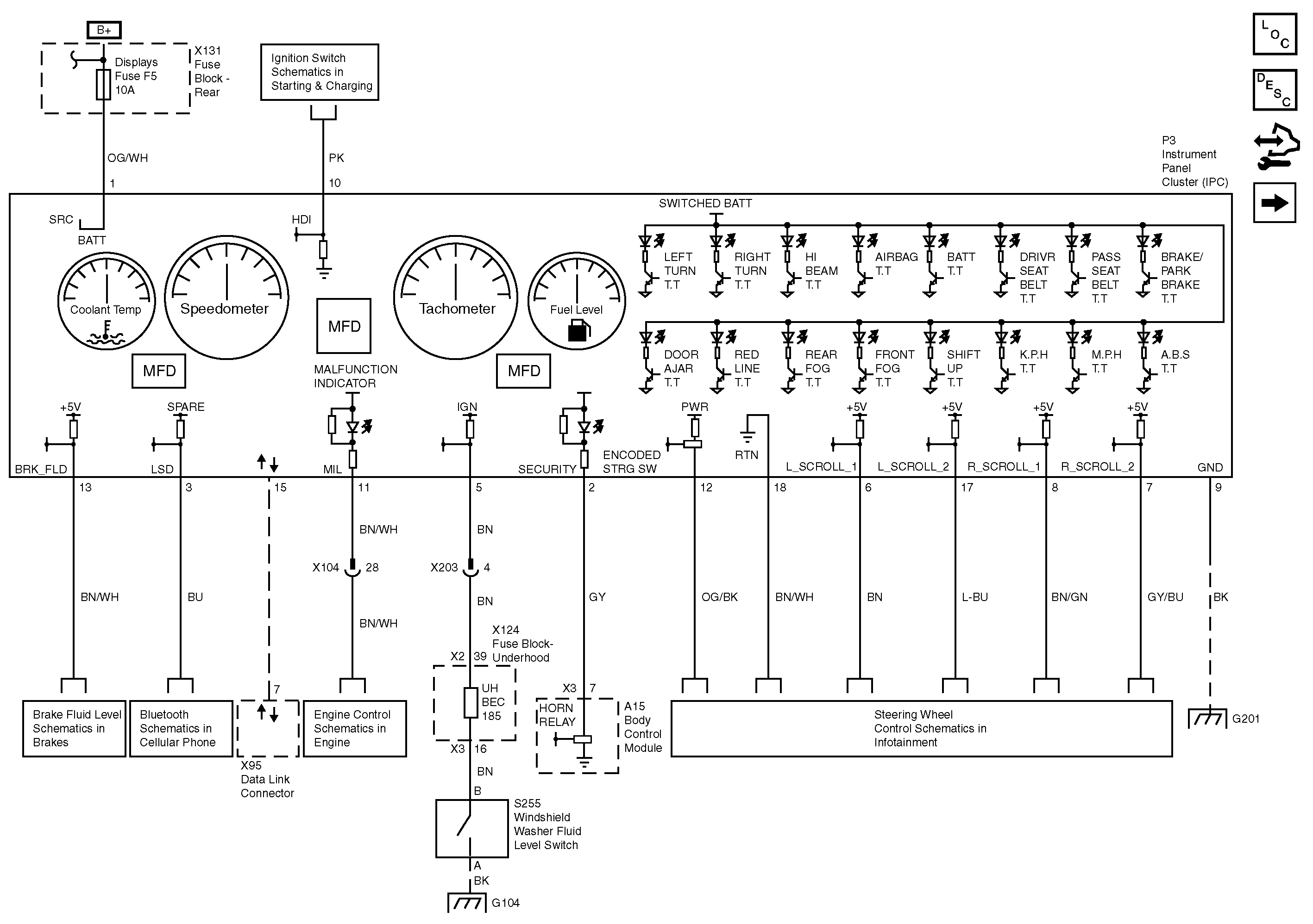
🢒 Instrument Cluster Power, Ground, Serial Data, Inputs and Outputs
Instrument Cluster Power, Ground, Serial Data, Inputs and Outputs
Instrument Cluster Power, Ground, Serial Data, Inputs and Outputs
Master Electrical Component List
Instrument Cluster Description and Operation
Control Module References
Secondary Information Center/Sports Gauges Power, Ground and Serial Data
Rear Main 1, Amplifier, Phone, Radio/Infotainment and INST/DISP/RFA/DLC Fuses
G104
G201
Body Control Module and Ignition Switch, Power, Ground, Inputs and Outputs
Park Brake Switch, Traction Control Switch, Brake Pedal Position and Brake Fluid Switch
Bluetooth System
ECM Power, Ground and Serial Data
Steering Wheel Controls Switch and Inflatable Restraint Steering Wheel Module Coil Inputs and Outputs