GM Service Manual Online
For 1990-2009 cars only
Makes
🢒
Holden
🢒
2009
🢒
VE Sedan
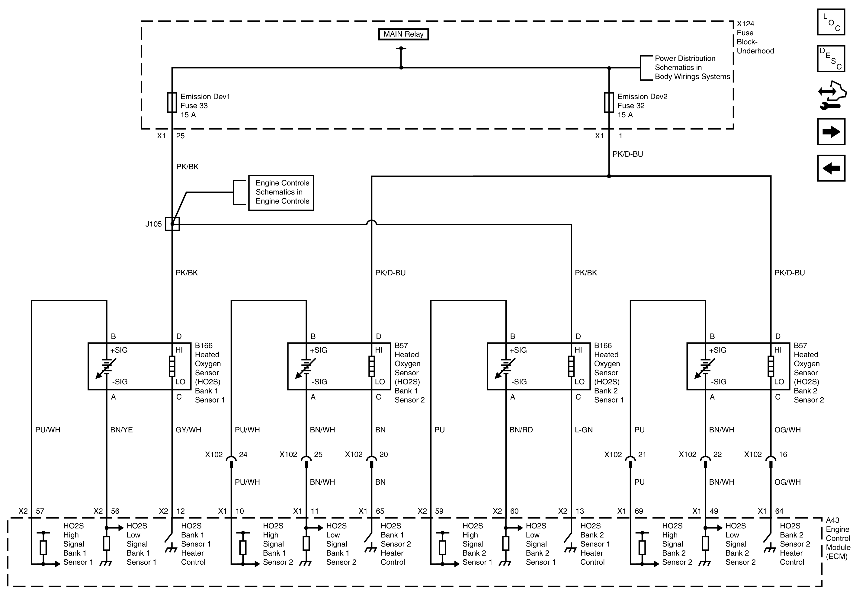
🢒 Heated Oxygen Sensors
Heated Oxygen Sensors
Heated Oxygen Sensors
Master Electrical Component List
Engine Control Module Description
Control Module References
Camshaft Position Sensor, MAP Sensor, Reverse Lockout Solenoid, EVAP Canister Purge Solenoid, Coolant Temp Sensor, MAF Sensor, Oil Level and Temp Sensor and Backup Lamp Switch
Crankshaft Position and Knock Sensors
PWR/TRN Bus - ECM 1, Emission 1 and REV/LOCK Fuses
Camshaft Position Sensor, MAP Sensor, Reverse Lockout Solenoid, EVAP Canister Purge Solenoid, Coolant Temp Sensor, MAF Sensor, Oil Level and Temp Sensor and Backup Lamp Switch