GM Service Manual Online
For 1990-2009 cars only
Makes
🢒
Holden
🢒
2006
🢒
Viva
🢒
Body
🢒
Lighting Systems
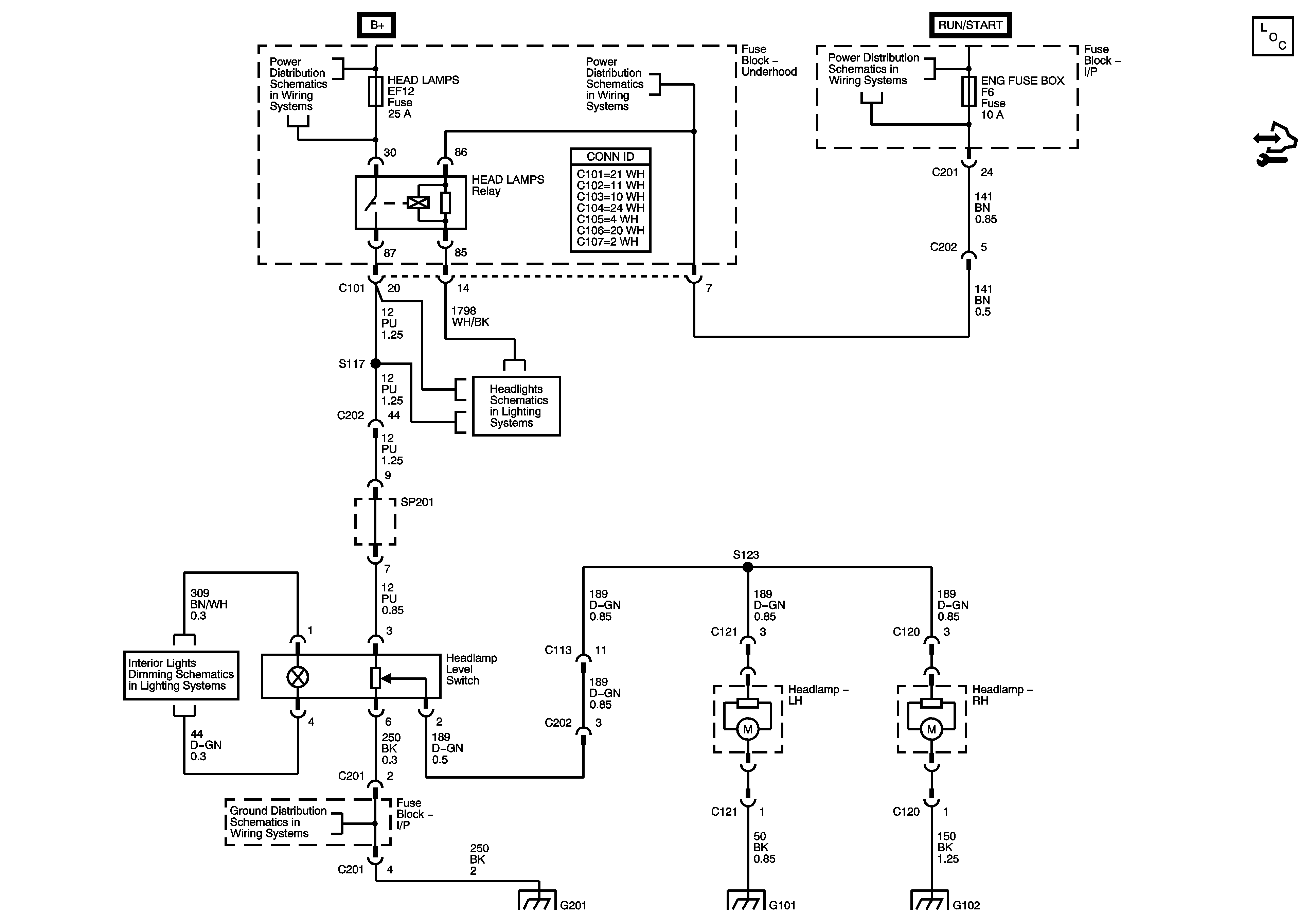
🢒 Headlight Leveling Schematics
Master Electrical Component List
Underhood Fuse Block HEAD LAMPS FUSE
Underhood Fuse Block - Battery Feeds 1 of 3
I/P Fuse Block CLSTR, AIR BAG, BCK/UP and ENG FUSE BOX DRL Fuses
Underhood Fuse Block HEAD LAMPS FUSE
Headlamps w/o Daytime Running Lamps
Underhood Fuse Block HEAD LAMPS FUSE
Interior Lights Schematics
SP203
G201 (2 of 2)
G101
G102