GM Service Manual Online
For 1990-2009 cars only
Makes
🢒
Holden
🢒
2006
🢒
Viva
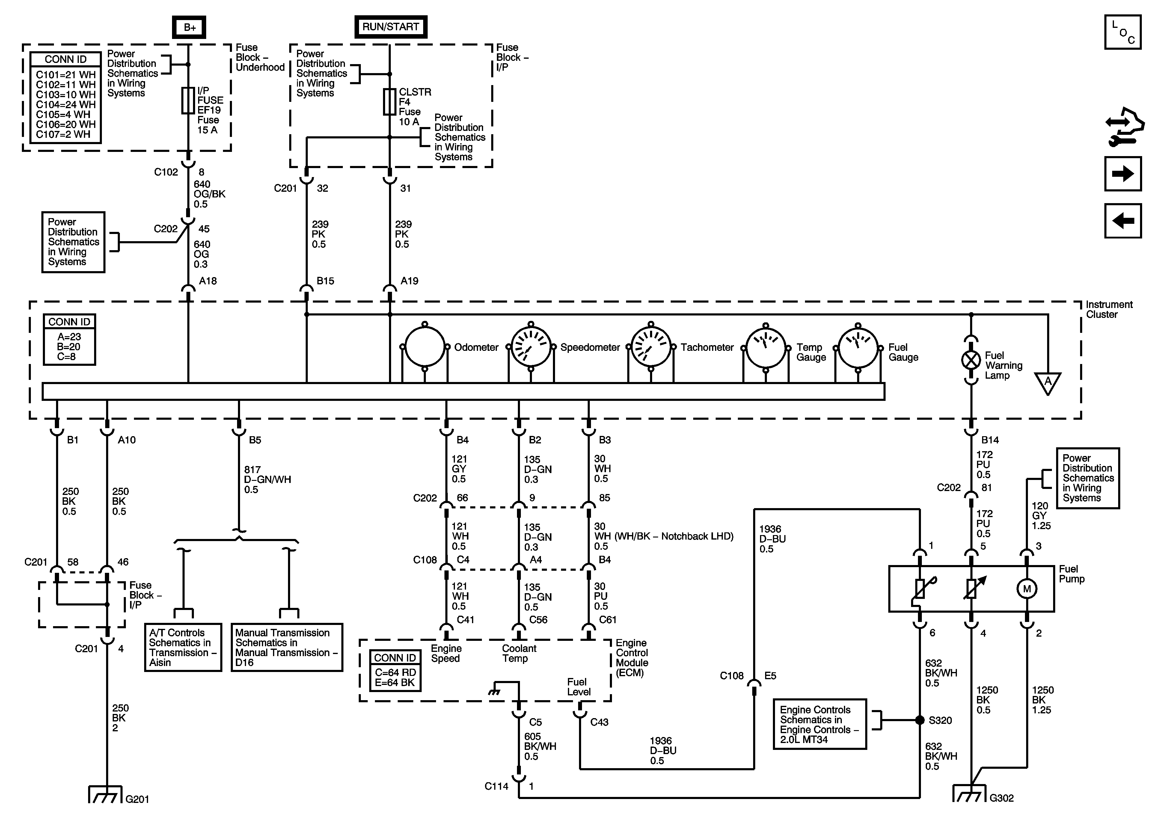
🢒 Power, Ground, and Gages - MT 34
Power, Ground, and Gages - MT 34
Power, Ground and Gages - 2.0L MT34
Master Electrical Component List
Power Steering, Shift Program, Air Bag, Seat Belt, Oil Pressure, MIL, ABS, TCS, Parking Brake, and Charing Warning Lamps
Power, Ground and Gages 1.8L/2.0L
Underhood Fuse Block IP FUSE, DR/LOCK and STOP LAMP Fuses
I/P Fuse Block CLSTR, AIR BAG, BCK/UP and ENG FUSE BOX DRL Fuses
Underhood Fuse Block IP FUSE, DR/LOCK and STOP LAMP Fuses
Underhood Fuse Block FUEL PUMP Relay and FUEL PUMP and IGN COIL Fuses
Vehicle Speed and Input Speed Sensors
Manual Transmission Schematics - D16
G201 (2 of 2)
G303, G401