GM Service Manual Online
For 1990-2009 cars only
Makes
🢒
Holden
🢒
2006
🢒
Viva
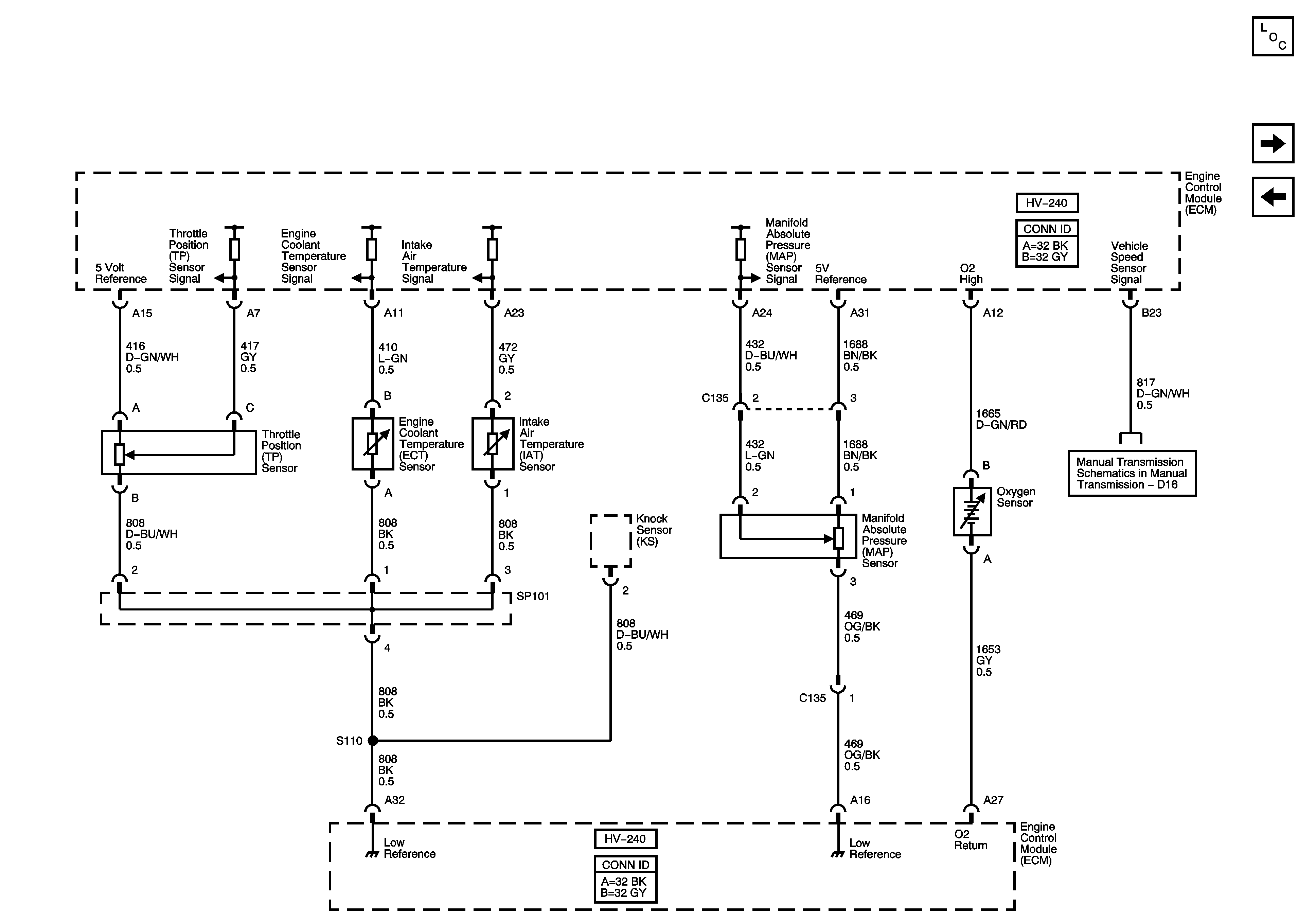
🢒 TP, ECT, IAT, MAP, Oxygen Sensors
TP, ECT, IAT, MAP, Oxygen Sensors
TP, ECT, IAT, MAP, Oxygen Sensors (O2S)
Master Electrical Component List
Ignition System
Non Euro Emission Module Power, Ground Serial Data, Malfunction Indicator Lamp
Manual Transmission Schematics - D16