GM Service Manual Online
For 1990-2009 cars only
Makes
🢒
Holden
🢒
2006
🢒
Viva
🢒 Turn and Hazard Lamps North America
Turn and Hazard Lamps North America
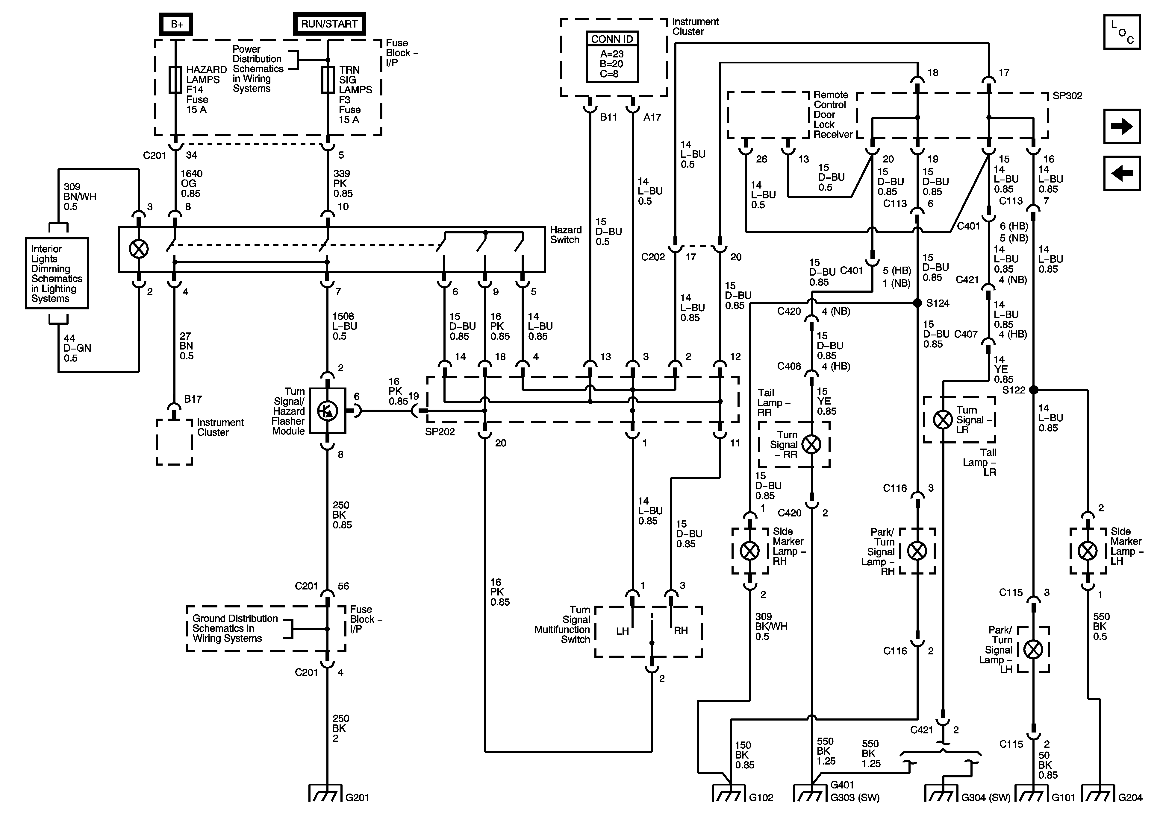
Turn and Hazard Lamps - North America
Master Electrical Component List
Turn and Hazard Lamps Except North America
Park Lamps and License Plate Lamps
I/P Fuse Block ABS IMMOBILIZER, WRP, and TRN SIG LAMPS Fuses
Interior Lights Schematics
Park Lamps and License Plate Lamps
Turn and Hazard Lamps Except North America
Park Lamps and License Plate Lamps
Turn and Hazard Lamps Except North America
Park Lamps and License Plate Lamps
Park Lamps and License Plate Lamps
G201 (2 of 2)
G102
G401 Notchback
G101