GM Service Manual Online
For 1990-2009 cars only
Makes
🢒
Holden
🢒
2006
🢒
Viva
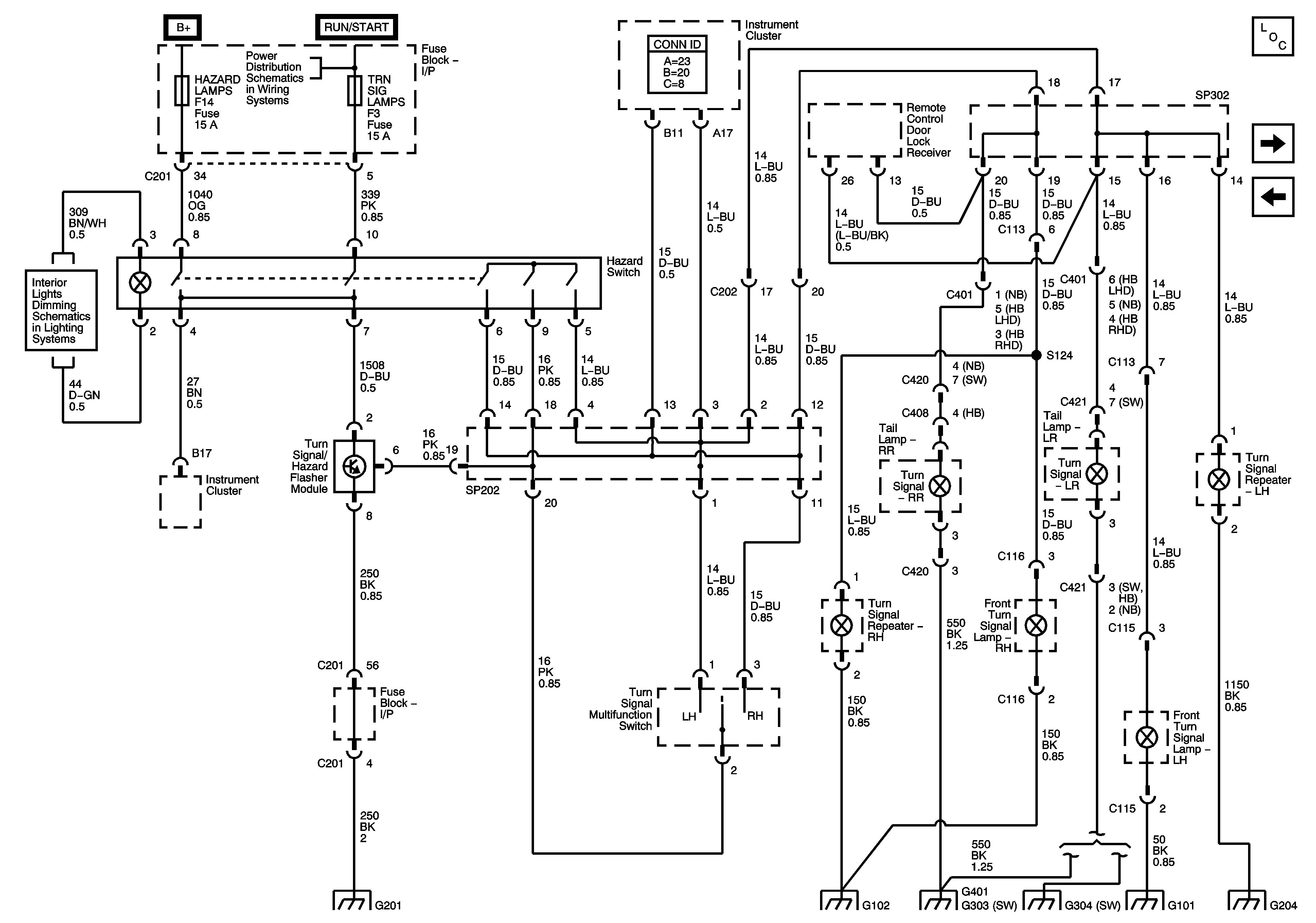
🢒 Turn and Hazard Lamps Except North America
Turn and Hazard Lamps Except North America
Turn and Hazard Lamps - Except North America
Master Electrical Component List
Stop Lamps Notchback
Turn and Hazard Lamps North America
I/P Fuse Block ABS IMMOBILIZER, WRP, and TRN SIG LAMPS Fuses
Interior Lights Schematics
G201 (2 of 2)
G102
G401 Notchback
G101
G303 Notchback RHD