GM Service Manual Online
For 1990-2009 cars only
Makes
🢒
Holden
🢒
2006
🢒
Viva
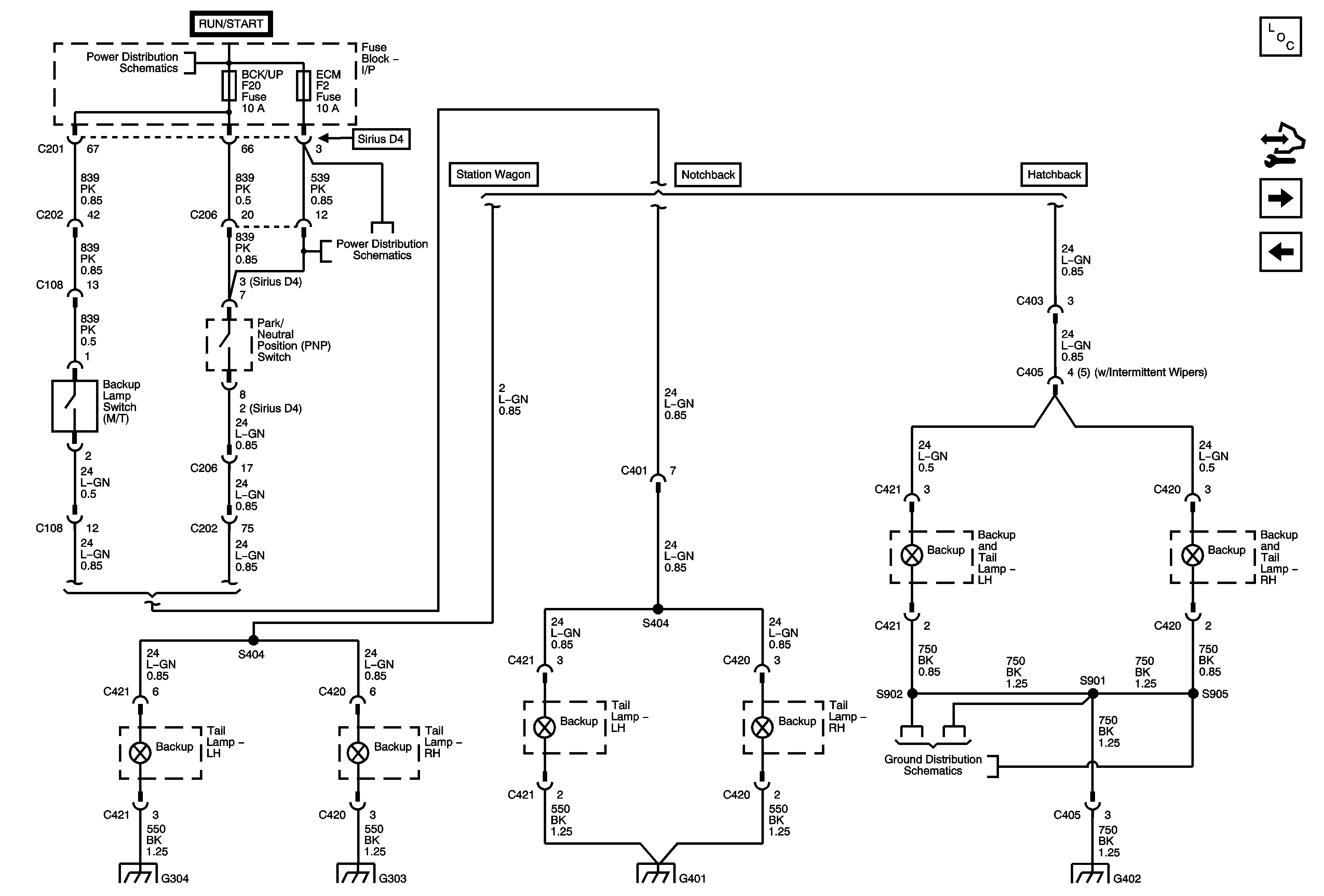
🢒 Backup Lamps
Backup Lamps
Backup Lamps
Master Electrical Component List
Battery Saver
Stop Lamps - Station Wagon
I/P Fuse Block CLSTR, AIR BAG, BCK/UP and ENG FUSE BOX DRL Fuses
G303 Notchback RHD
G303, G401
G401 Hatchback
G402 Hatchback Tailgate
G402 Hatchback Tailgate