GM Service Manual Online
For 1990-2009 cars only
Makes
🢒
Holden
🢒
2006
🢒
Viva
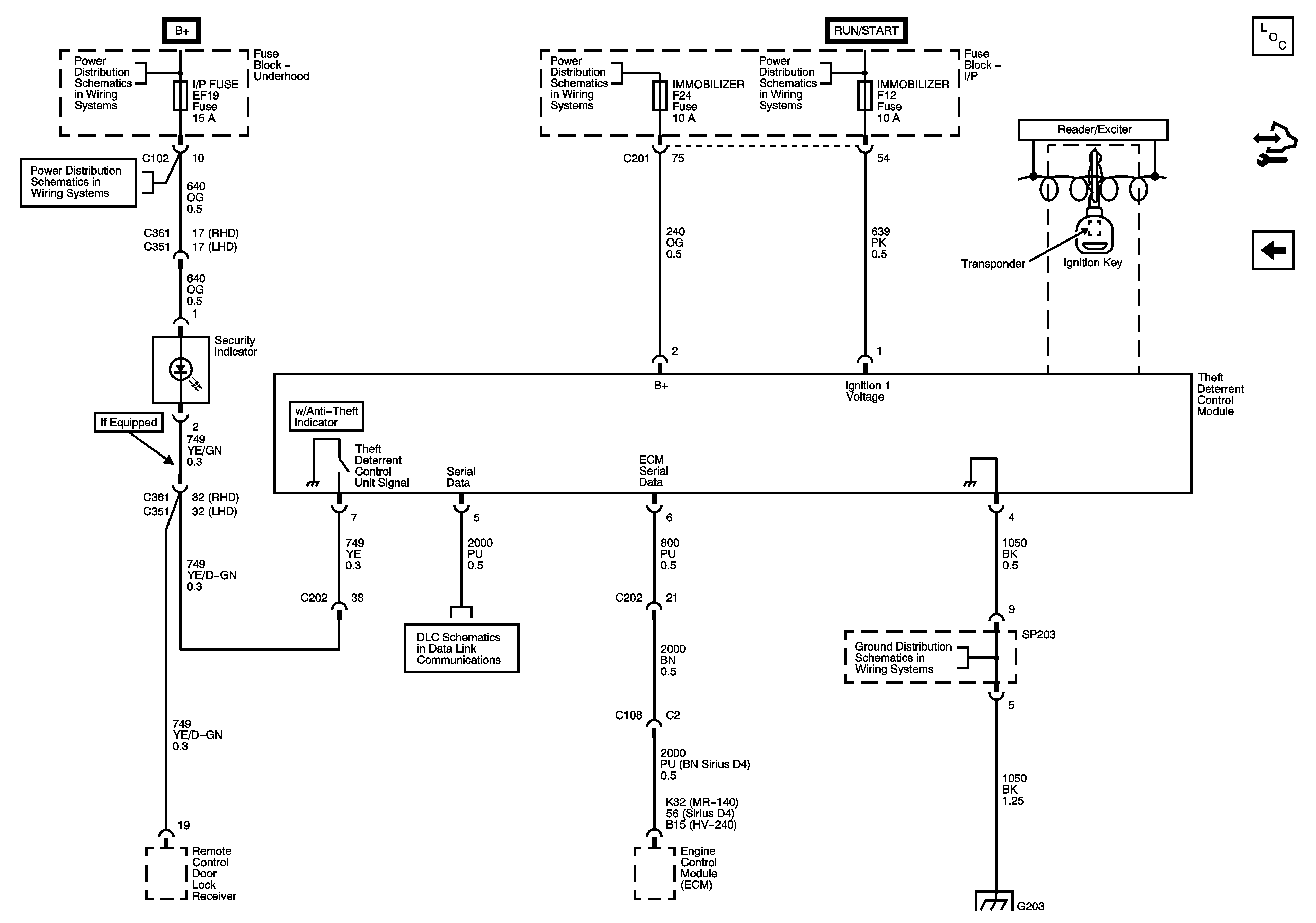
🢒 Theft Deterrent Control Module
Theft Deterrent Control Module
Theft Deterrent Control Module
Master Electrical Component List
Remote Control Door LK Receiver
G202, G204
Underhood Fuse Block IP FUSE, DR/LOCK and STOP LAMP Fuses
Underhood Fuse Block BATT PWR, IGN 1 and IGN 2 Fuses, Ignition Switch, I/P Fuse Block - RADIO, IMMOBILIZER, DLC, AUTO A/C, HAZARD LAMPS, RKE, TCM, REAR
I/P Fuse Block ABS IMMOBILIZER, WRP, and TRN SIG LAMPS Fuses
Underhood Fuse Block IP FUSE, DR/LOCK and STOP LAMP Fuses
Data Link Connector Schematics
G203
G203