GM Service Manual Online
For 1990-2009 cars only
Figure 1:

Module Power, Ground, Serial Data, Malfunction Indicator Lamp (MIL)


Object Number: 1956638  Size: FS
Master Electrical Component List
Engine Control Module Description
Control Module References
TP, ECT, IAT, MAP, Oxygen Sensors (O2S)
Fuse Block - Underhood B+ Bus, 1 of 3
Fuse Block - Underhood B+ Bus, 1 of 3
Fuse Block - Underhood B+ Bus, 1 of 3
Fuse Block - Underhood B+ Bus, 1 of 3
Power, Ground, I/P Illumination, and Door Open Indicators
G104
Module Power, Ground, Malfunction Indicator Lamp (MIL), Hold Lamp, and Serial Data
Data Communication
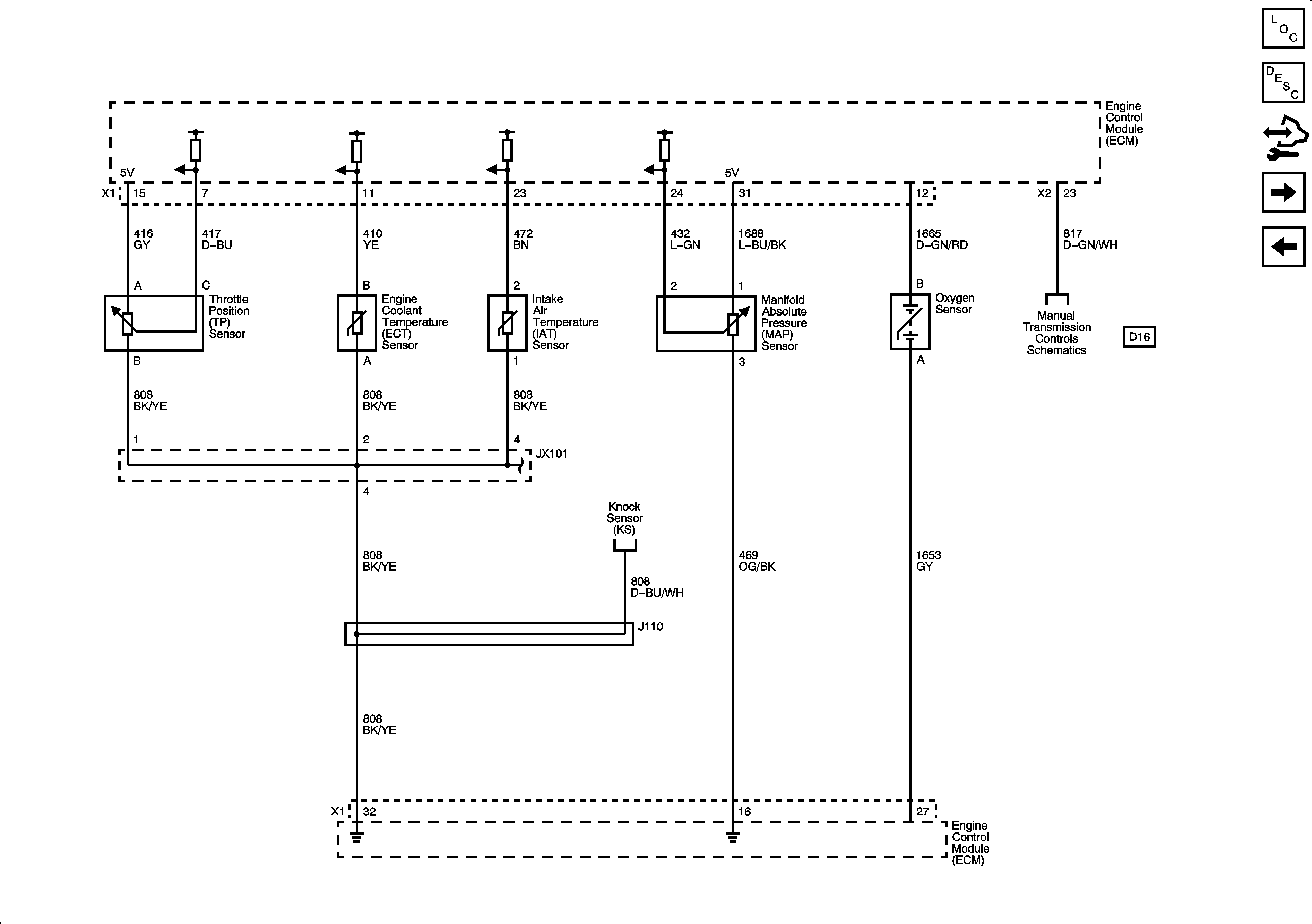
Figure 2:

TP, ECT, IAT, MAP, Oxygen Sensors


Object Number: 1956639  Size: FS
Master Electrical Component List
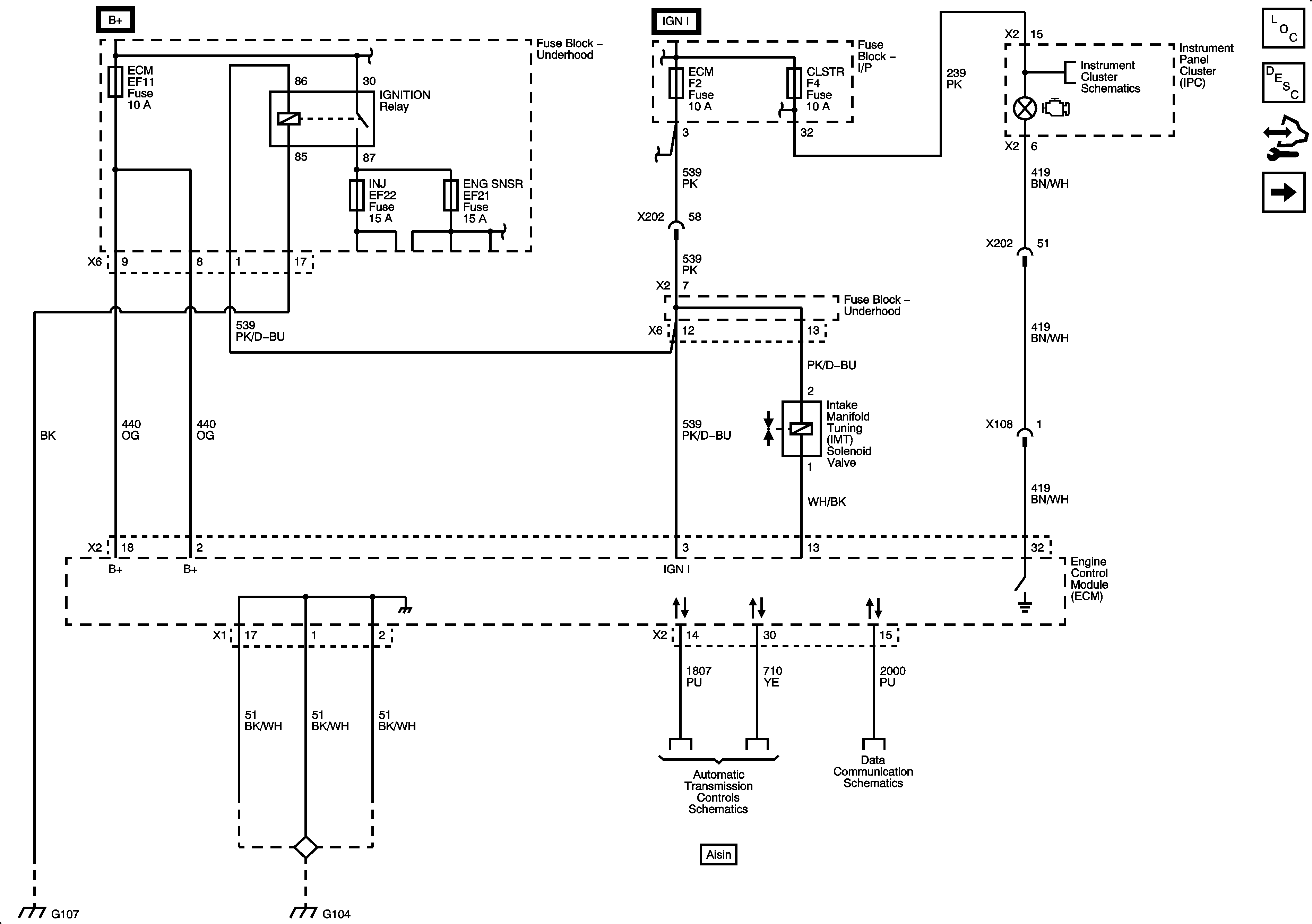
Air Intake System Description
Control Module References
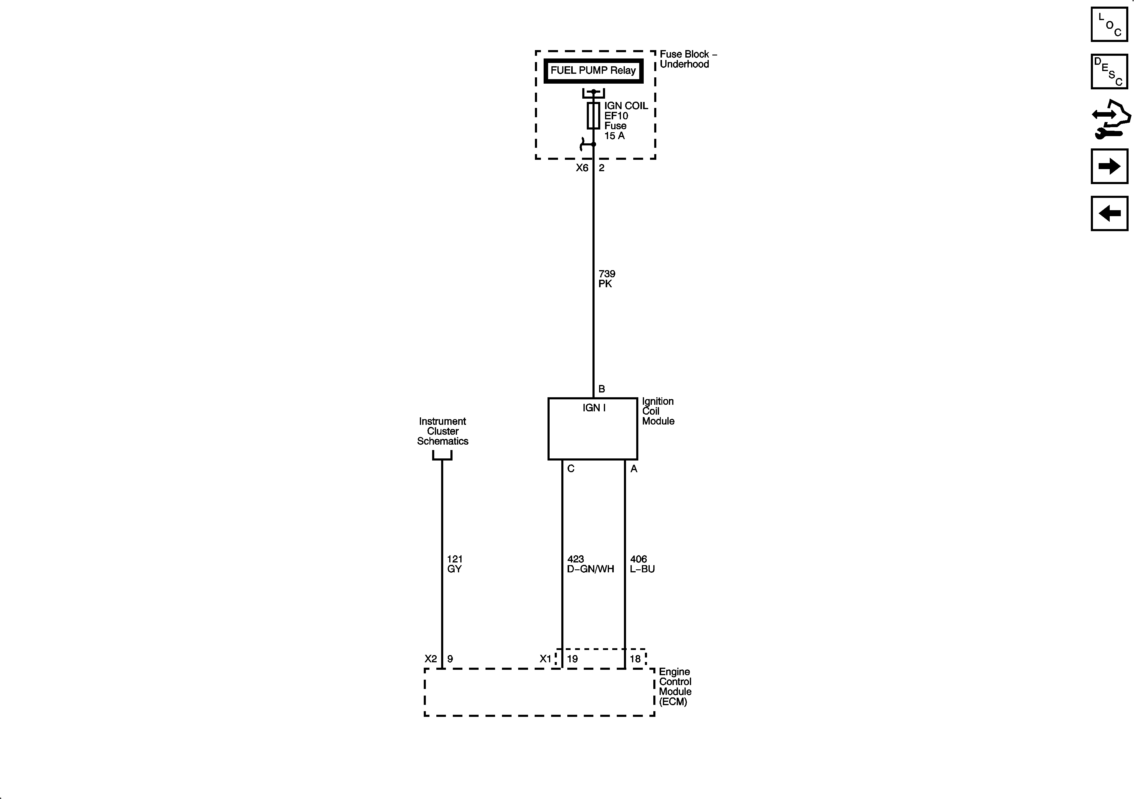
Ignition System
Module Pwer, Ground, Sensor Data Malfunction Indicator Lamp (MIL)
D16
Figure 3:

Ignition System


Object Number: 1956640  Size: FS
Master Electrical Component List
Electronic Ignition (EI) System Description
Control Module References
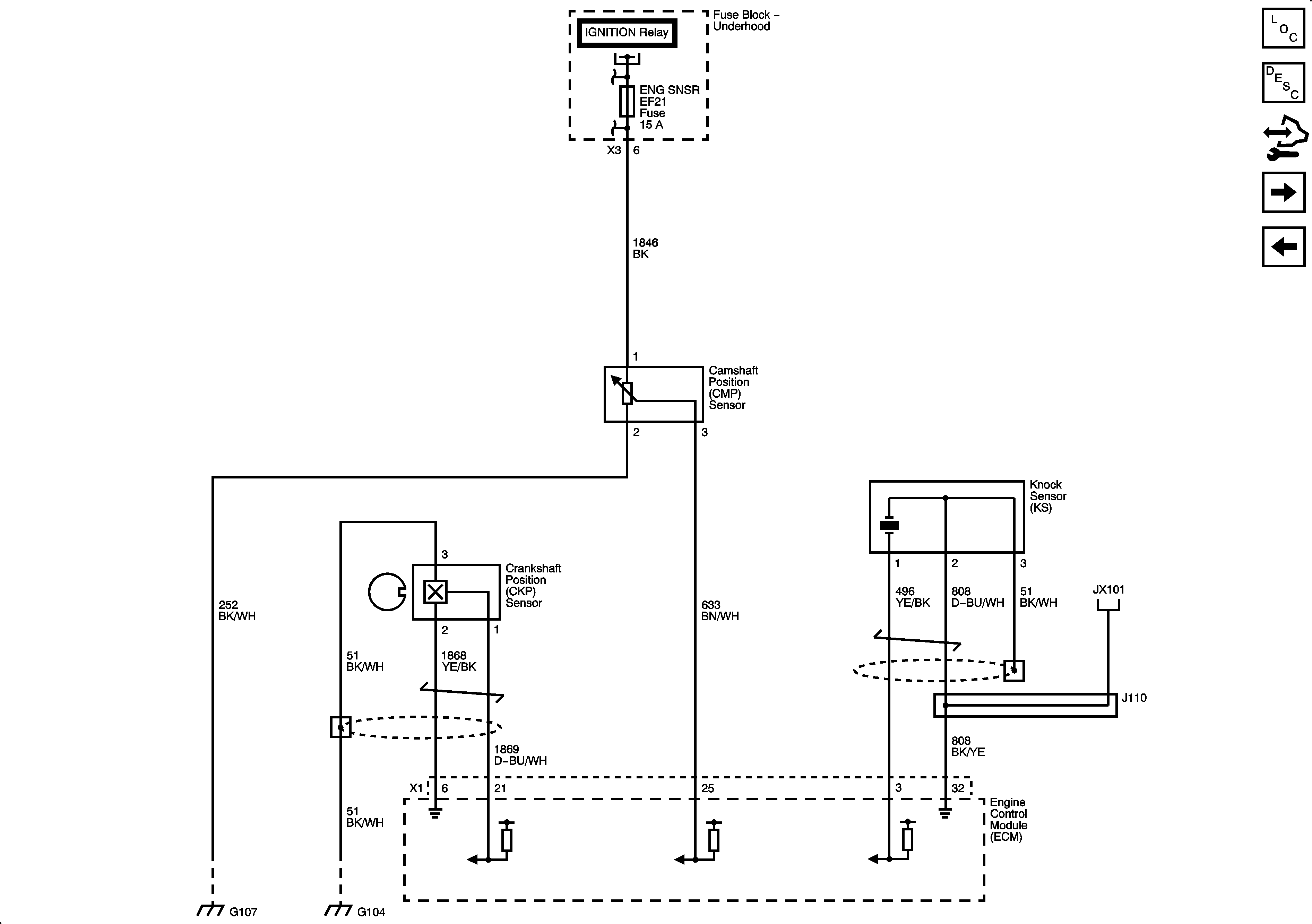
CKP, CMP, Knock
TP, ECT, IAT, MAP, Oxygen Sensors (O2S)
Fuse Block - Underhood B+ Bus, 1 of 3
Power, Ground, I/P Illumination, and Door Open Indicators
Figure 4:

CKP, CMP, Knock


Object Number: 1956641  Size: FS
Master Electrical Component List
Knock Sensor (KS) System Description
Control Module References
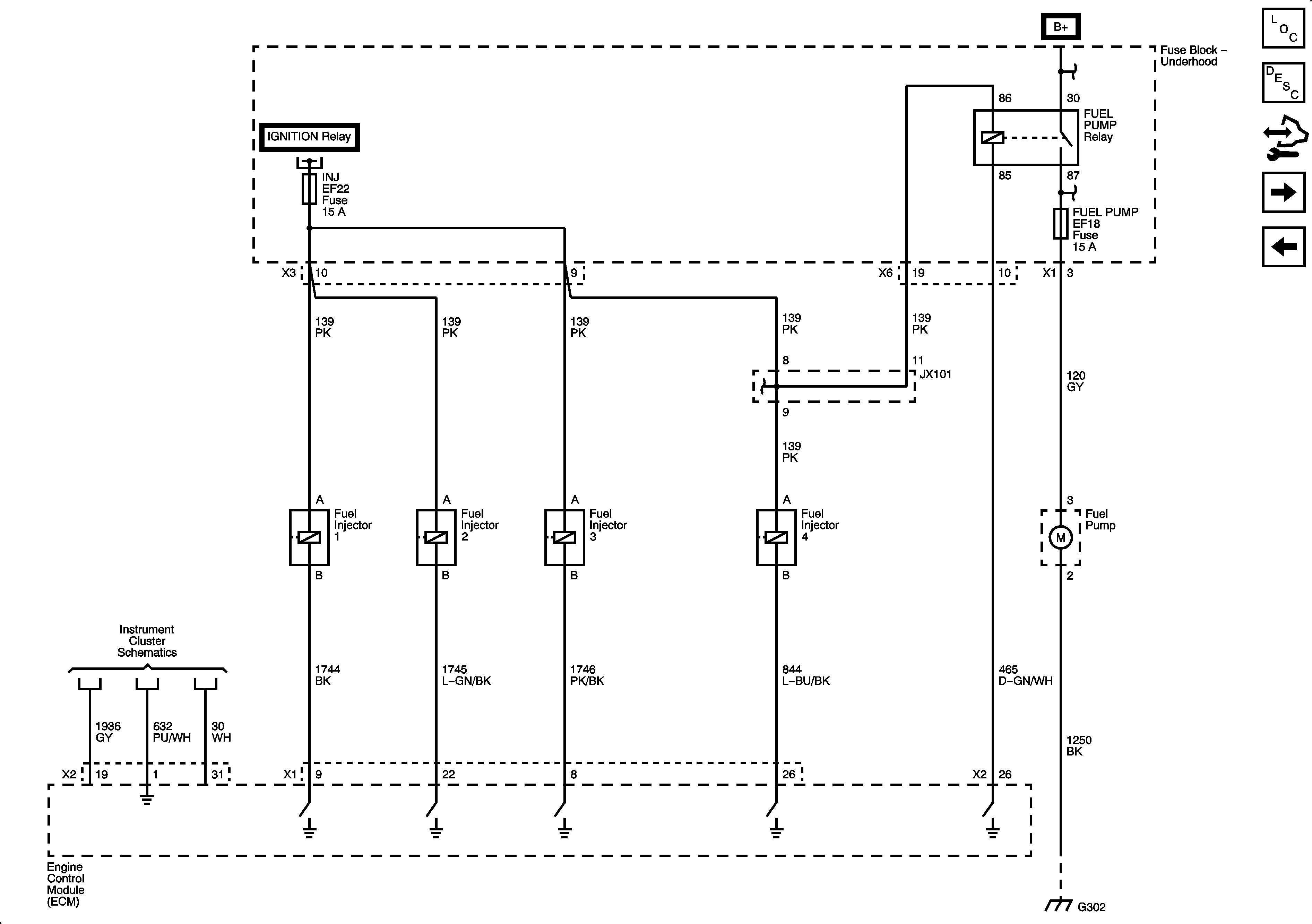
Fuel Pump and Fuel Injectors
Ignition System
Fuse Block - Underhood B+ Bus, 1 of 3
G106, G107
G104
Figure 5:

Fuel Pump and Fuel Injectors


Object Number: 1956642  Size: FS
Master Electrical Component List
Fuel System Description
Control Module References
EVAP, IAC, Octane Selection Switch
CKP, CMP, Knock
Fuse Block - Underhood B+ Bus, 1 of 3
Fuse Block - Underhood B+ Bus, 1 of 3
Power, Ground, I/P Illumination, and Door Open Indicators
G302
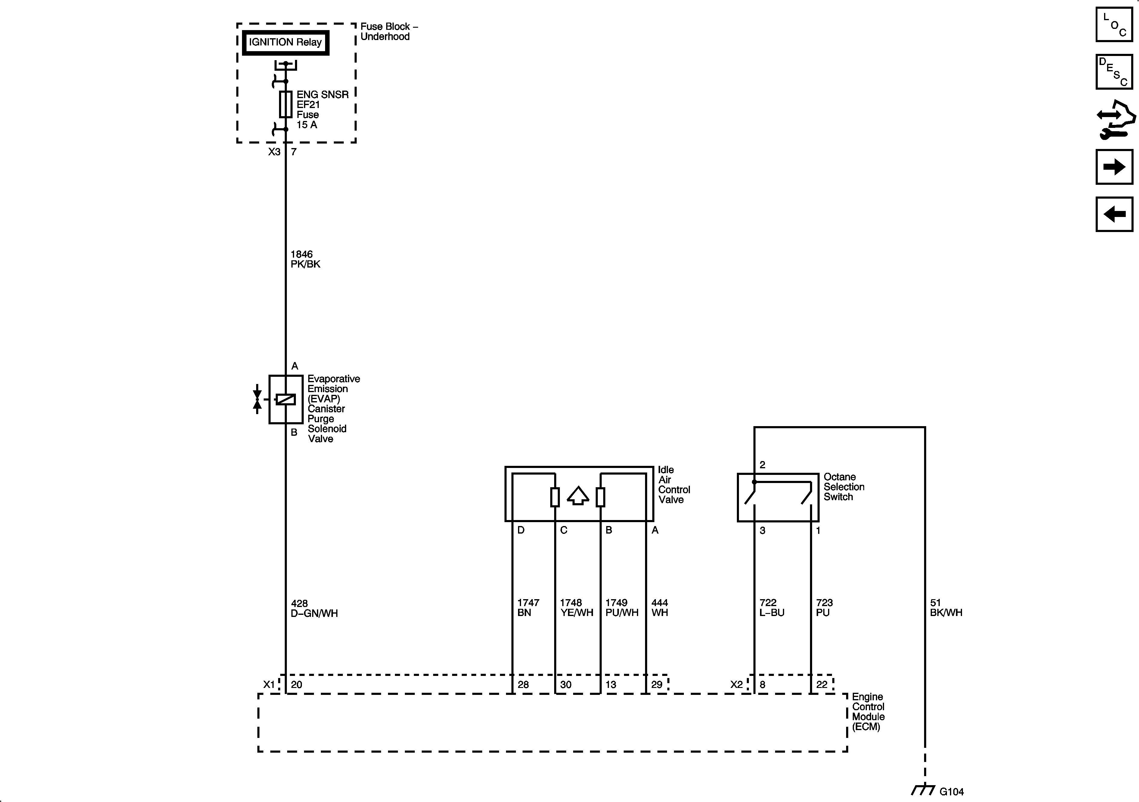
Figure 6:

EVAP, IAC, Octane Selection Switch


Object Number: 1956643  Size: FS
Master Electrical Component List
Evaporative Emission Control System Description
Control Module References
Controlled/Monitored Subsystem References
Fuel Pump and Fuel Injectors
Fuse Block - Underhood B+ Bus, 1 of 3
G104
Figure 7:

Controlled/Monitored Subsystem References


Object Number: 1956644  Size: FS
Master Electrical Component List
Engine Control Module Description
Control Module References
Fuel Pump and Fuel Injectors
Power, Ground, I/P Illumination, and Door Open Indicators
Single Fan
Blower Controls
Blower Controls