GM Service Manual Online
For 1990-2009 cars only
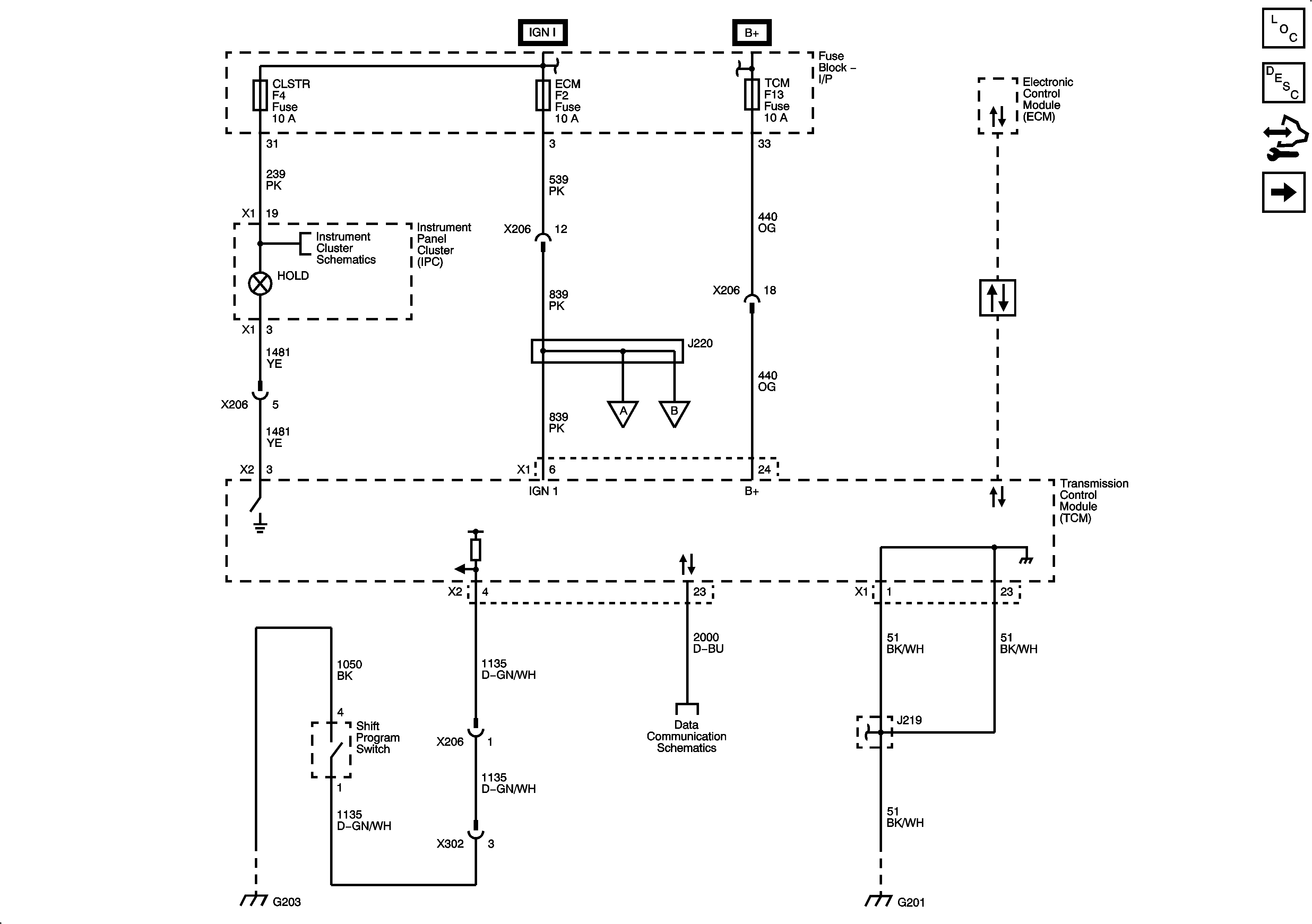
Figure 1:

Module Power, Ground, Malfunction Indicator Lamp (MIL), Hold Lamp and Serial Data


Object Number: 1962538  Size: FS
Master Electrical Component List
Control Module References
Stop Lamp Switch and Transmission Solenoids
Fuse Block - Underhood B+ Bus, 1 of 3
Fuse Block - Underhood B+ Bus, 1 of 3
Vehicle Speed and Input Speed Sensors
Park/Neutral Position (PNP) Switch
Data Communication
G101
G203
G201 - 1 of 2
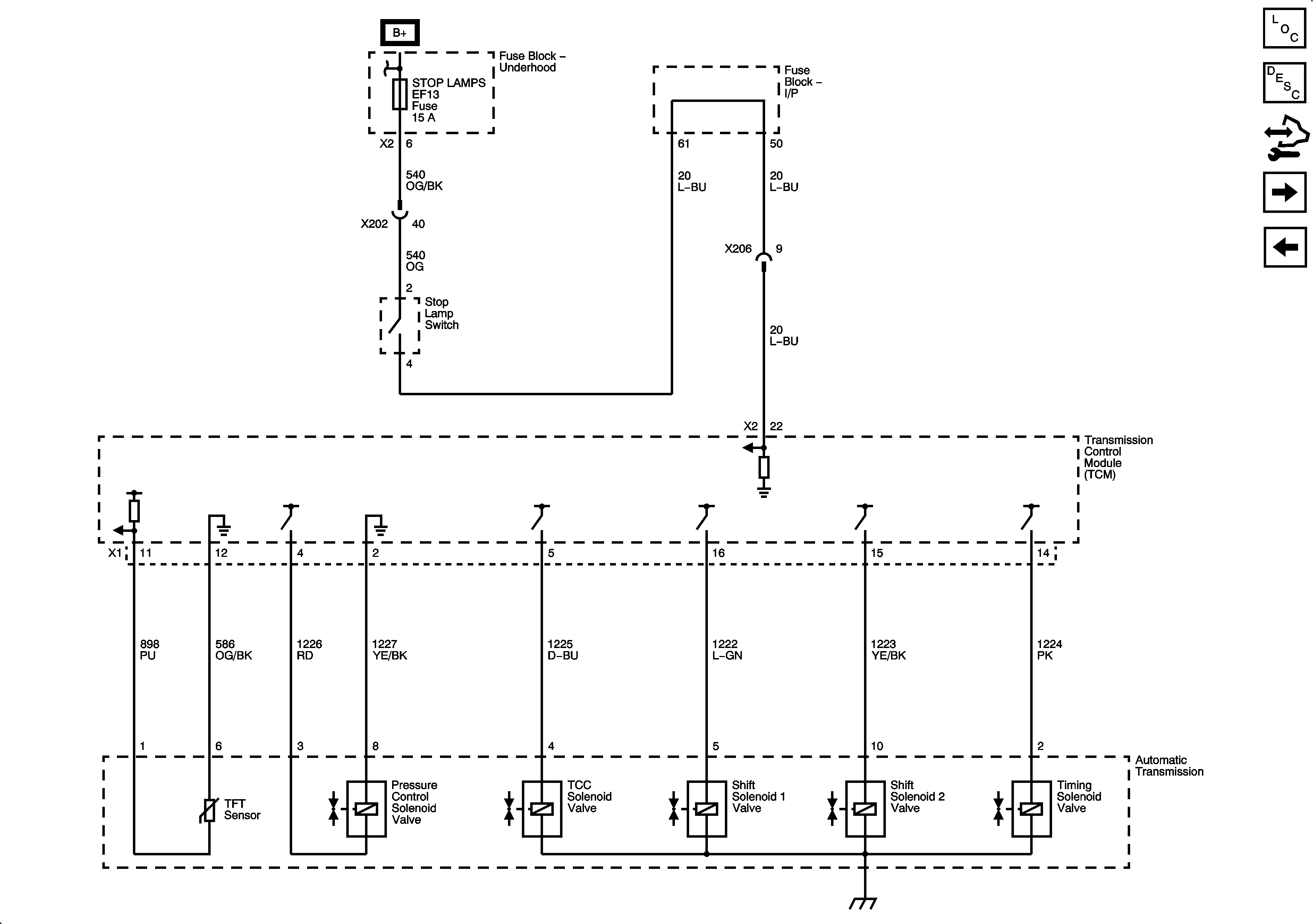
Figure 2:

Stop Lamp Swtich and Transmission Solenoids


Object Number: 1962558  Size: FS
Master Electrical Component List
Control Module References
Vehicle Speed and Input Speed Sensors
Module Power, Ground, Malfunction Indicator Lamp (MIL), Hold Lamp, and Serial Data
Fuse Block - Underhood B+ Bus, 1 of 3
Fuse Block - Underhood B+ Bus, 1 of 3
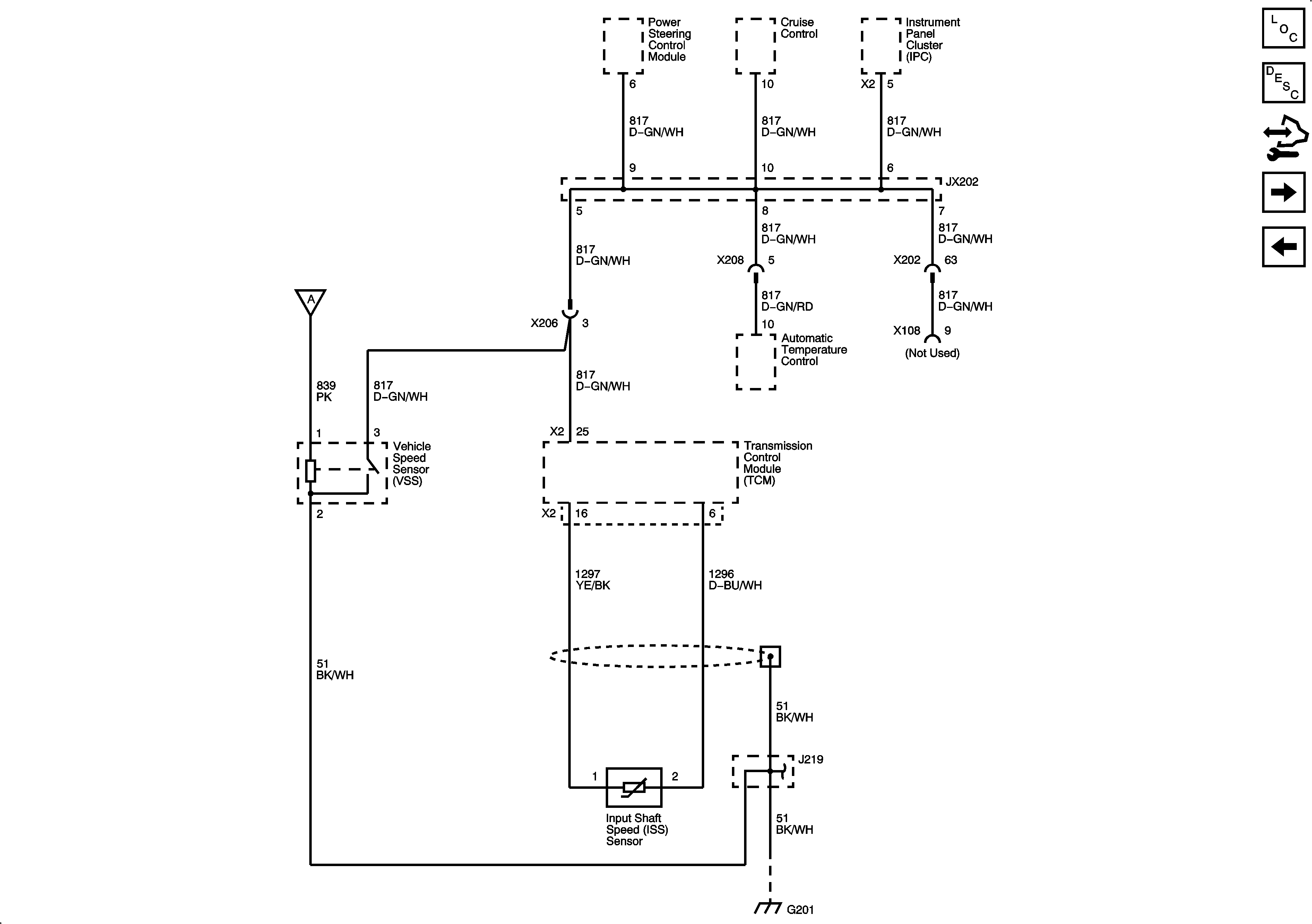
Figure 3:

Vehicle Speed and Input Speed Sensors


Object Number: 1962562  Size: FS
Master Electrical Component List
Control Module References
Park/Neutral Position (PNP) Switch
Stop Lamp Switch and Transmission Solenoids
Module Power, Ground, Malfunction Indicator Lamp (MIL), Hold Lamp, and Serial Data
G201 - 1 of 2
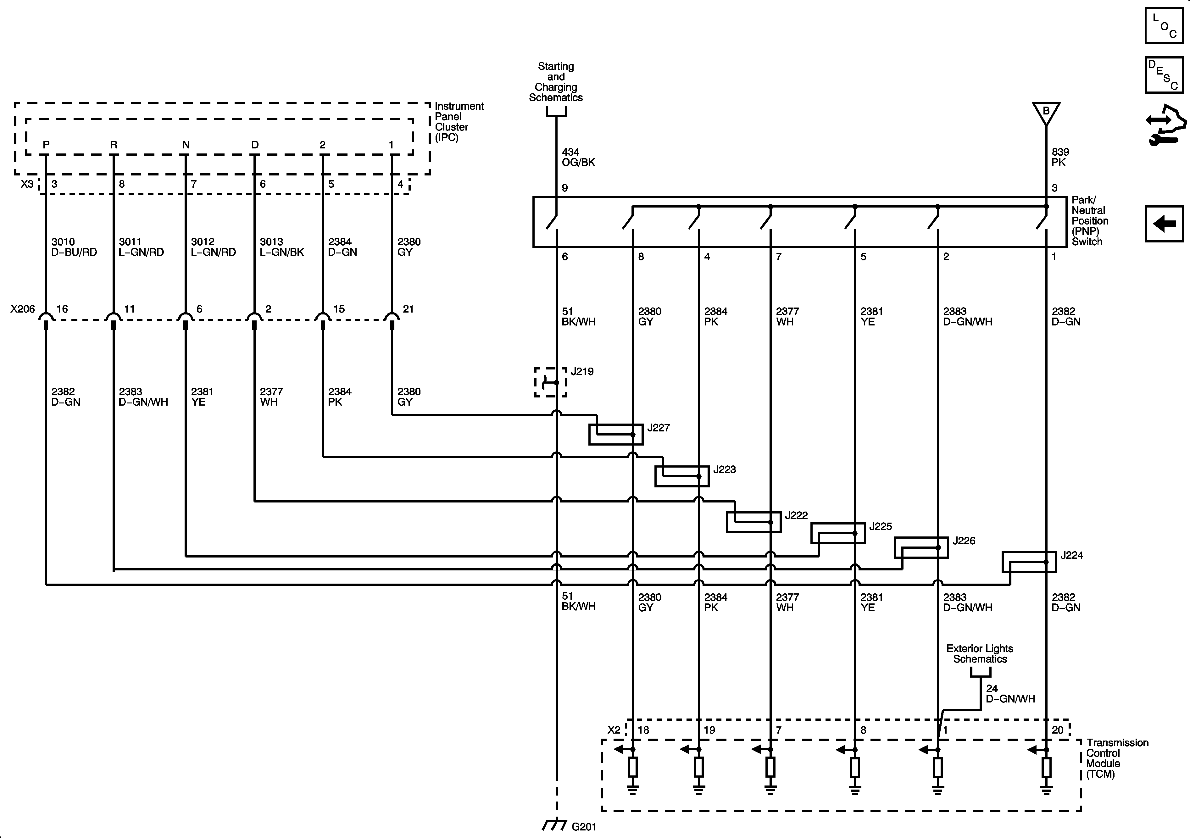
Figure 4:

Park/Neutral Position (PNP) Switch


Object Number: 1962567  Size: FS
Master Electrical Component List
Control Module References
Vehicle Speed and Input Speed Sensors
Starting
Module Power, Ground, Malfunction Indicator Lamp (MIL), Hold Lamp, and Serial Data
Park Lamps and License Plate Lamps
G201 - 1 of 2