GM Service Manual Online
For 1990-2009 cars only
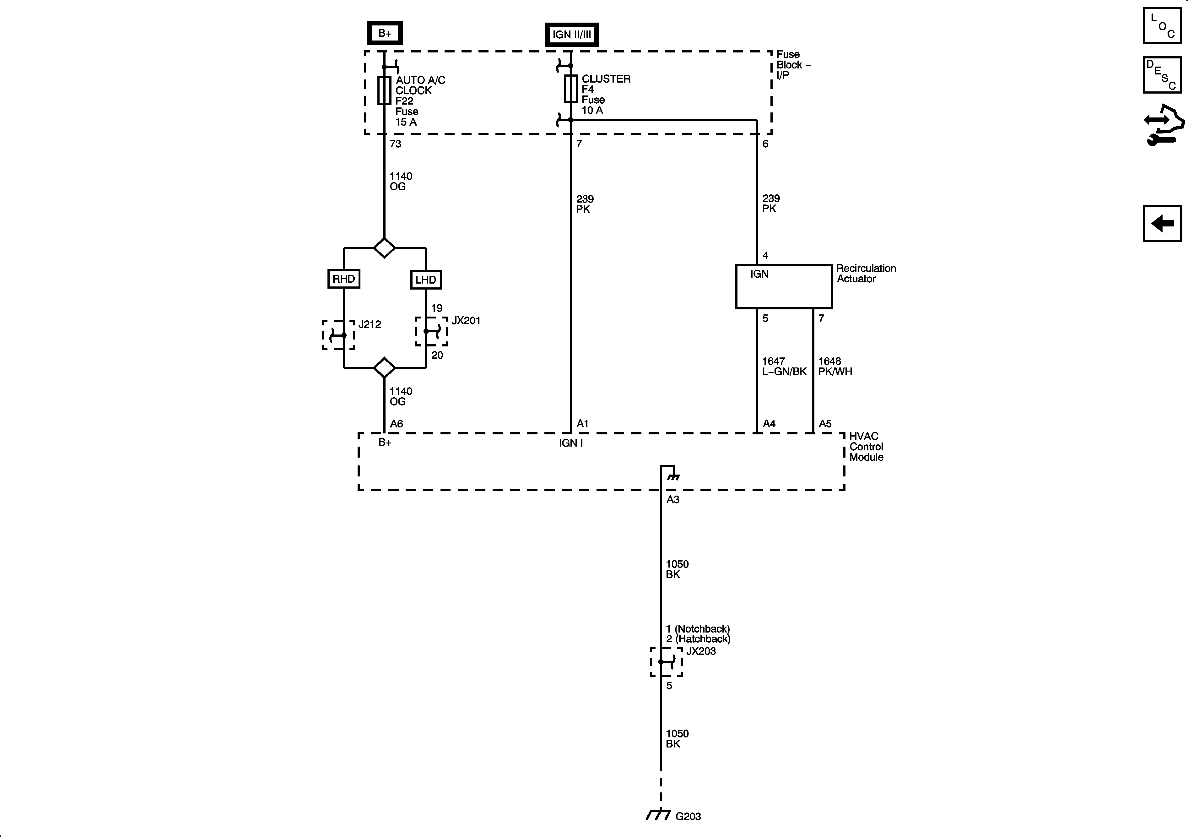
Figure 1:

Blower Controls


Object Number: 1956062  Size: FS
Master Electrical Component List
Control Module References
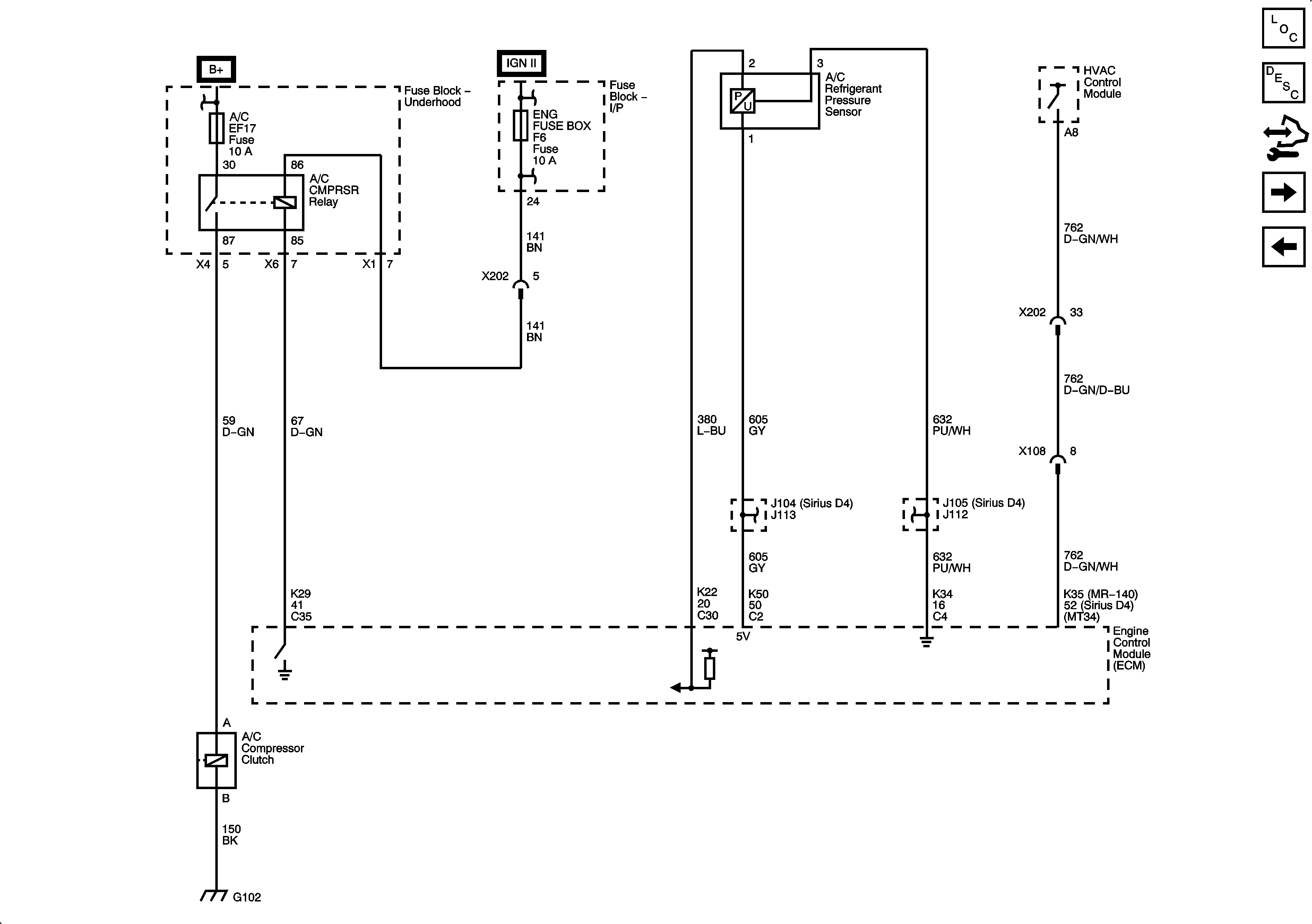
Compressor Controls Sirius D4, MR140, MT34
Fuse Block - Underhood B+ Bus, 1 of 3
Fuse Block - Underhood B+ Bus, 1 of 3
G101
G201 - 1 of 2
G203
Figure 2:

Compressor Controls - Sirius D4, MR 140, MT 34


Object Number: 1956064  Size: FS
Master Electrical Component List
Control Module References
Compressor Controls HV240
Blower Controls
Fuse Block - Underhood B+ Bus, 1 of 3
Fuse Block - Underhood B+ Bus, 1 of 3
G102
Module Power, Ground, Serial Data, Malfunction Indicator Lamp (MIL)
Module Power, Ground, Sensor Data, Malfunction Indicator Lamp (MIL)
Module Pwer, Ground, Sensor Data Malfunction Indicator Lamp (MIL)
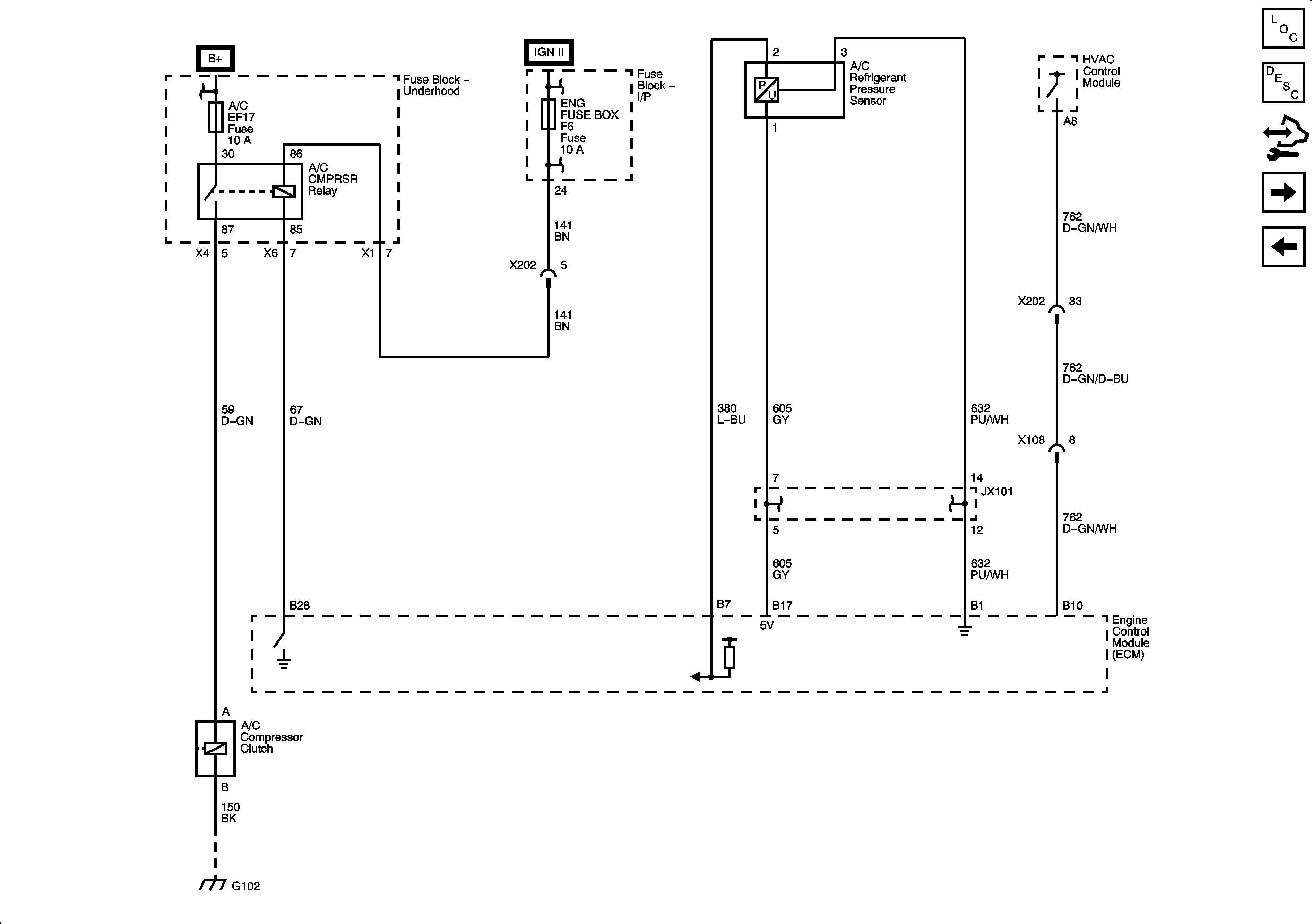
Figure 3:

Compressor Controls - HV 240


Object Number: 1956067  Size: FS
Master Electrical Component List
Control Module References
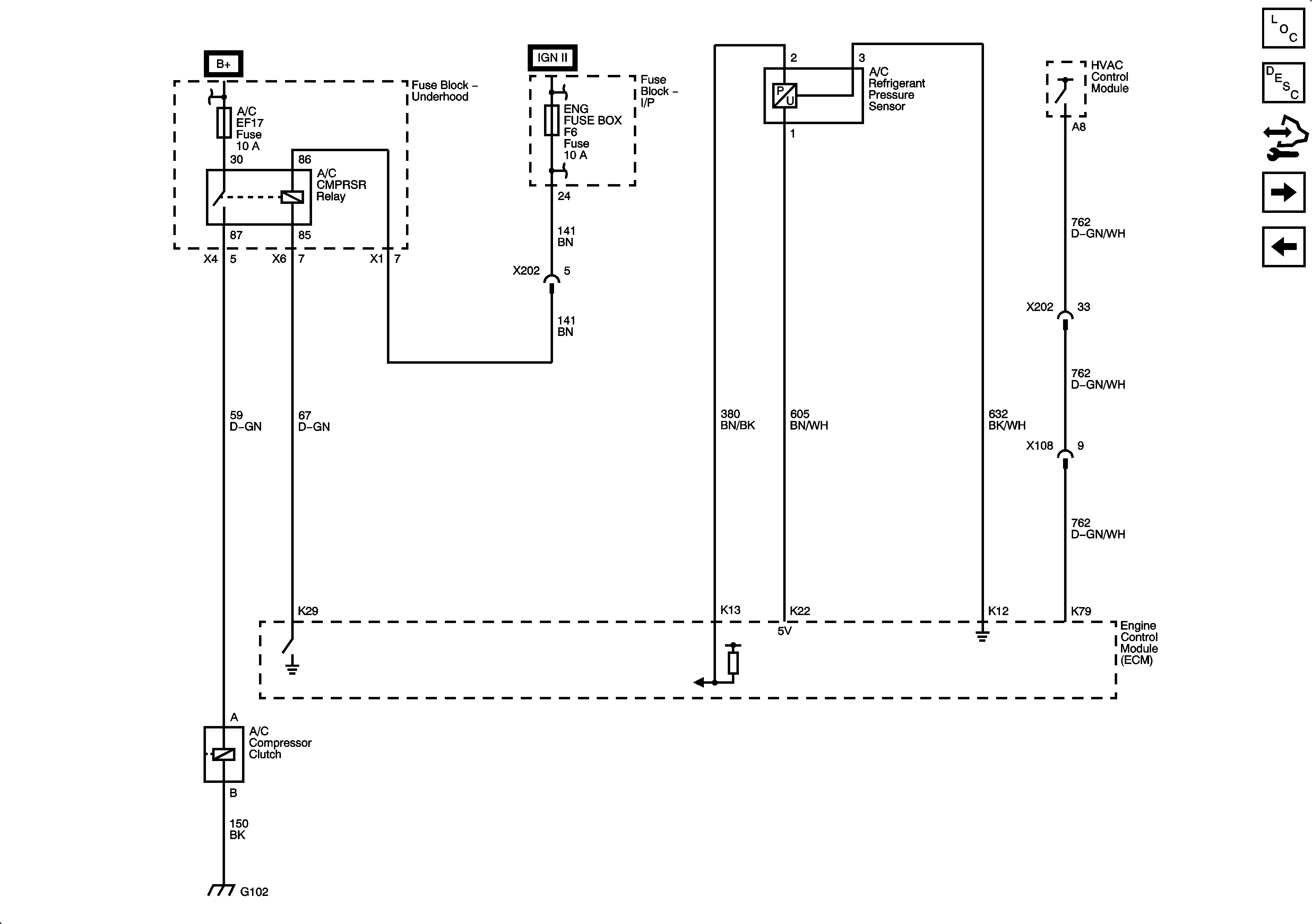
Compressor Controls Diesel
Compressor Controls Sirius D4, MR140, MT34
Fuse Block - Underhood B+ Bus, 1 of 3
Fuse Block - Underhood B+ Bus, 1 of 3
G101
Module Power, Ground, Sensor Data, Malfunction Indicator Lamp (MIL)
Figure 4:

Compressor Controls - Diesel


Object Number: 1956077  Size: FS
Master Electrical Component List
Control Module References
Temperature Controls/Air Delivery
Compressor Controls HV240
Fuse Block - Underhood B+ Bus, 1 of 3
Fuse Block - Underhood B+ Bus, 1 of 3
Figure 5:

Temperature Controls/Air Delivery


Object Number: 1956078  Size: FS
Master Electrical Component List
Control Module References
Compressor Controls Diesel
Fuse Block - Underhood B+ Bus, 1 of 3
Fuse Block - Underhood B+ Bus, 1 of 3
Fuse Block - Underhood B+ Bus, 1 of 3
Interior Lights
G101
G203
Defogger Schematics