GM Service Manual Online
For 1990-2009 cars only
Makes
🢒
Holden
🢒
2008
🢒
Viva
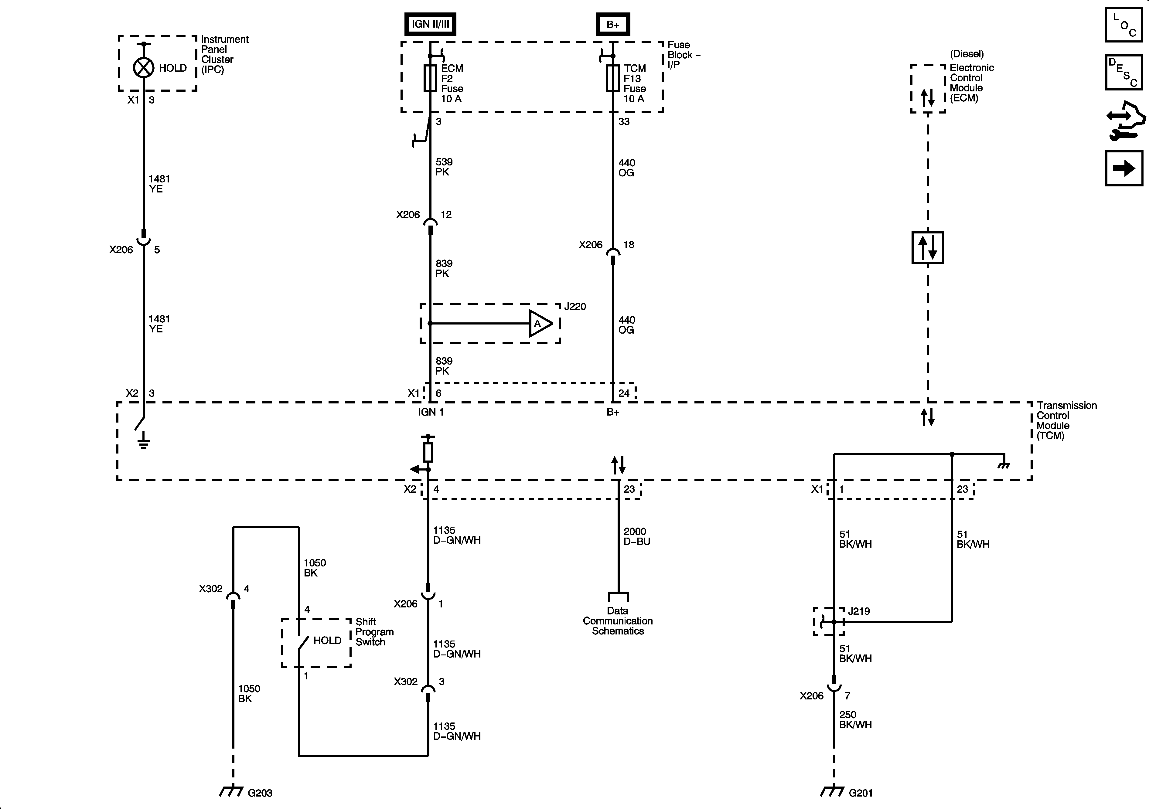
🢒 TCM Power, Ground, MIL, Serial Data, and Shift Program Switch
TCM Power, Ground, MIL, Serial Data, and Shift Program Switch
TCM Power, Ground, MIL, Serial Data, Shift Program Switch
Master Electrical Component List
Control Module References
Transmission Solenoid and Stop Lamp Switch
Fuse Block - I/P ECM Fuse
Fuse Block - I/P ECM Fuse
Fuse Block - Underhood BATT MAIN, IGN 1, IGN 2 Fuses, Ignition Switch, Fuse Block-I/P RADIO, IMMOBILIZER, DLC, A/C CLK, HAZARD, RKE, TCM, REAR FOG Fuses
Park/Neutral Position (PNP) Switch
Data Communication
G201 - 1 of 2
G203
G201 - 1 of 2