GM Service Manual Online
For 1990-2009 cars only
Makes
🢒
Holden
🢒
2008
🢒
Viva
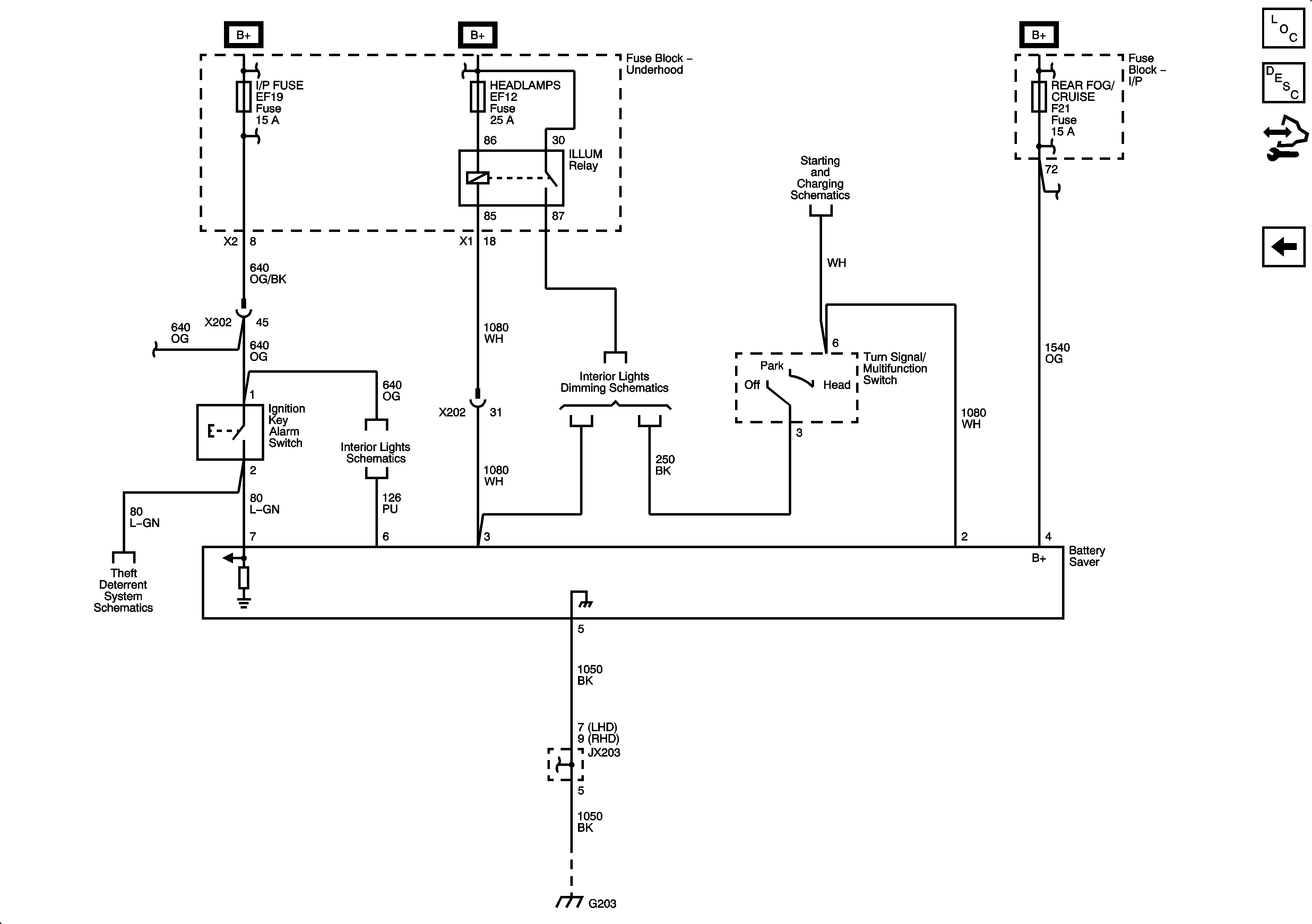
🢒 Battery Saver
Battery Saver
Battery Saver
Master Electrical Component List
Control Module References
Stop Lamps - Station Wagon
Fuse Block - Underhood B+ Bus, 1 of 3
Fuse Block - Underhood B+ Bus, 1 of 3
Fuse Block - Underhood B+ Bus, 1 of 3
Fuse Block - Underhood B+ Bus, 1 of 3
Starting
Park Lamps and License Plate Lamps
Park Lamps and License Plate Lamps
Remote Function
G101
G203