GM Service Manual Online
For 1990-2009 cars only
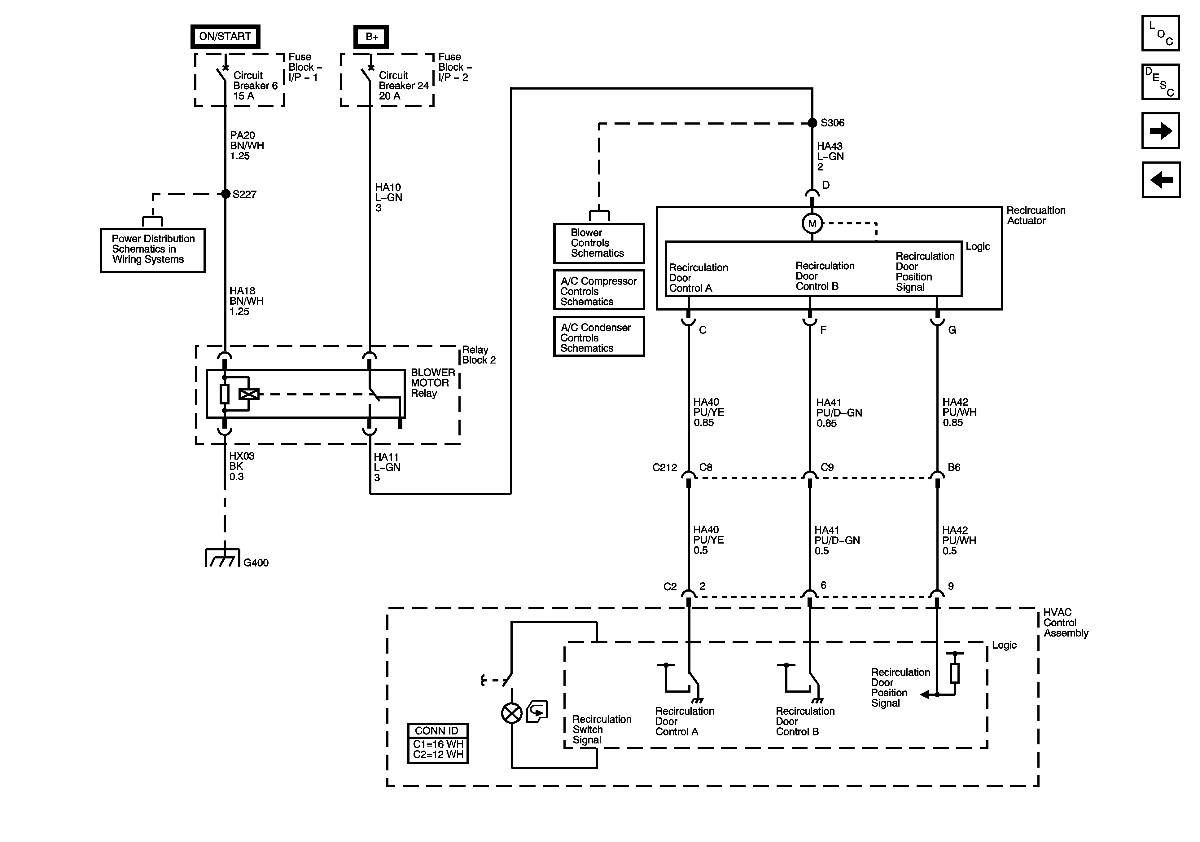
Figure 1:

Blower Controls


Object Number: 1393425  Size: FS
Master Electrical Component List
Air Delivery Description and Operation
A/C Compressor Controls
Fuse Block - I/P - 1: Circuit Breaker 6
Fuse Block 1: Fuses 6 and 7, Fuse Block 2: Fuse 8 and Fuse Block - I/P - 2: Circuit Breake
Fuse Block - I/P - 1: Circuit Breaker 6
Splice Pack SP211
A/C Compressor Controls
A/C Condenser Fan Controls
Air Delivery and Temperature Controls - 1 of 2
Splices S302 and S303
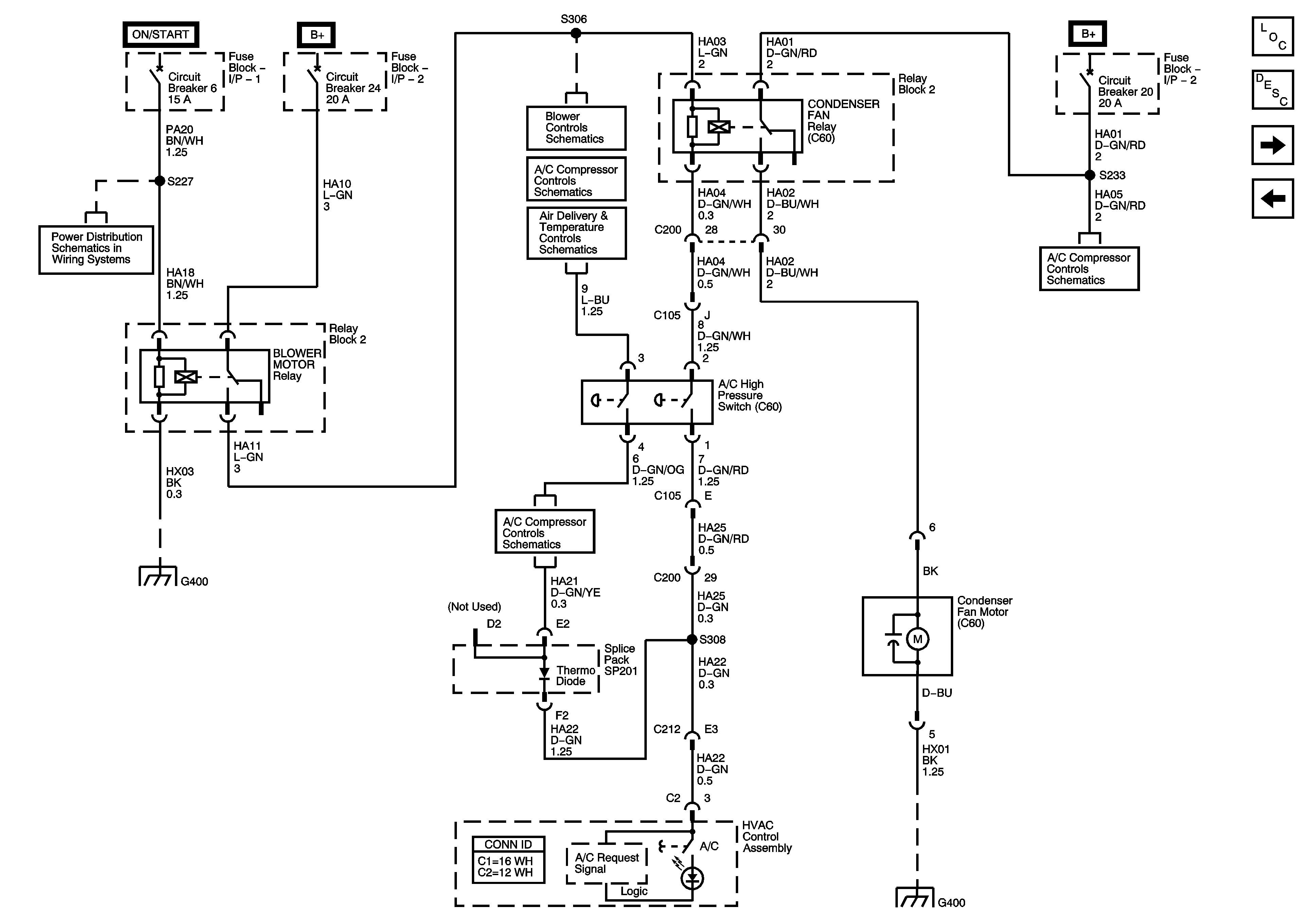
Figure 2:

A/C Compressor Controls


Object Number: 1393427  Size: FS
Master Electrical Component List
Air Temperature Description and Operation
A/C Condenser Fan Controls
Blower Controls
Fuse Block 1: Fuses 6 and 7, Fuse Block 2: Fuse 8 and Fuse Block - I/P - 2: Circuit Breake
Fuse Block - I/P - 1: Circuit Breaker 6
Fuse Block 1: Fuses 6 and 7, Fuse Block 2: Fuse 8 and Fuse Block - I/P - 2: Circuit Breake
Fuse Block - I/P - 1: Circuit Breaker 6
Splice Pack SP211
Blower Controls
A/C Condenser Fan Controls
Air Delivery and Temperature Controls - 1 of 2
A/C Condenser Fan Controls
Fuse Block 1: Fuses 6 and 7, Fuse Block 2: Fuse 8 and Fuse Block - I/P - 2: Circuit Breake
A/C Condenser Fan Controls
Wiper/Washer System Schematics
A/C Condenser Fan Controls
Grounds G410 and G411 and Splices S101, S105 and S107
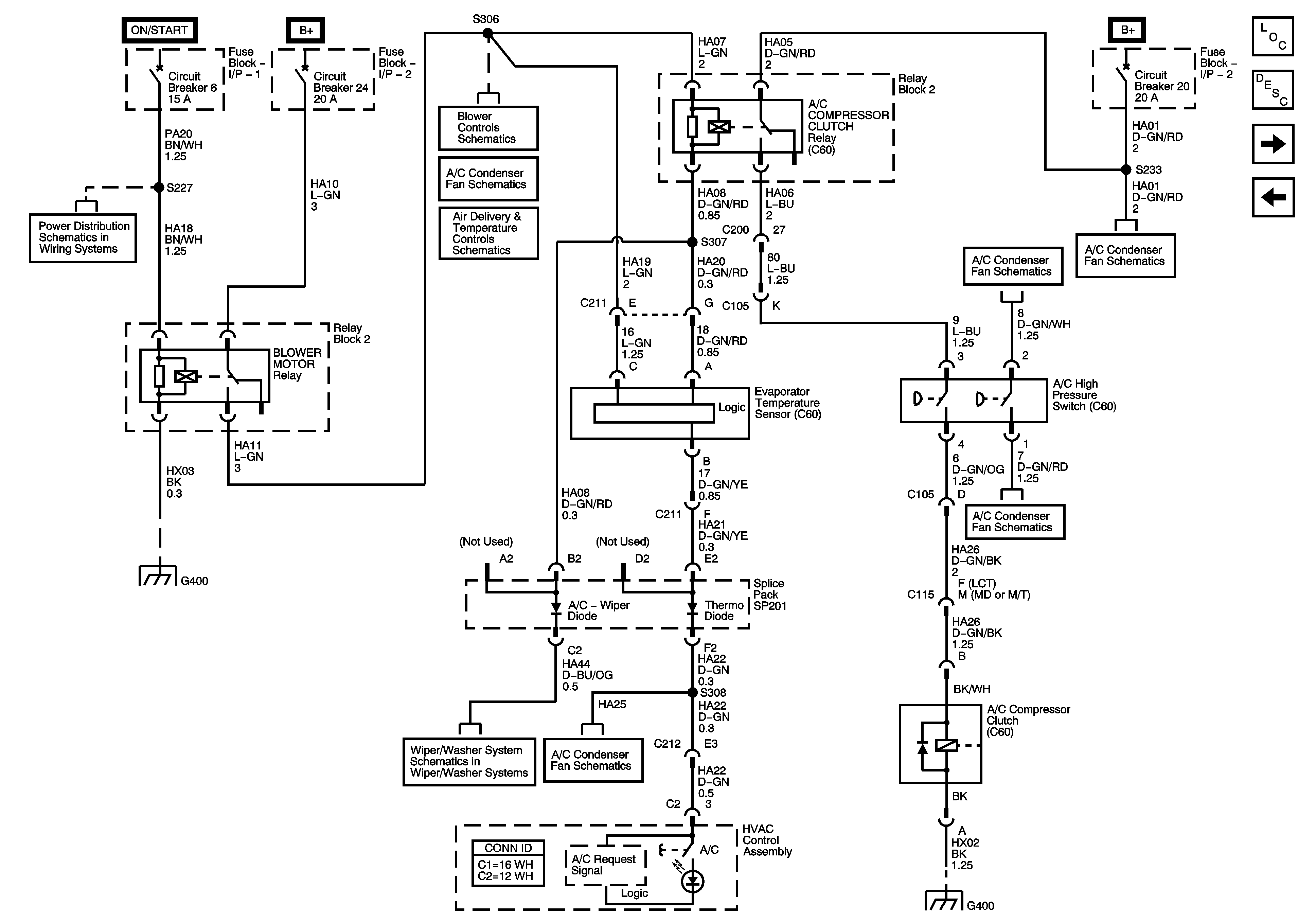
Figure 3:

A/C Condenser Fan Controls


Object Number: 1393428  Size: FS
Master Electrical Component List
Air Temperature Description and Operation
Air Delivery and Temperature Controls - 1 of 2
A/C Compressor Controls
Fuse Block - I/P - 1: Circuit Breaker 6
Fuse Block 1: Fuses 6 and 7, Fuse Block 2: Fuse 8 and Fuse Block - I/P - 2: Circuit Breake
Fuse Block 1: Fuses 6 and 7, Fuse Block 2: Fuse 8 and Fuse Block - I/P - 2: Circuit Breake
Blower Controls
A/C Compressor Controls
Air Delivery and Temperature Controls - 1 of 2
Fuse Block - I/P - 1: Circuit Breaker 6
Splice Pack SP211
A/C Compressor Controls
Fuse Block 1: Fuses 6 and 7, Fuse Block 2: Fuse 8 and Fuse Block - I/P - 2: Circuit Breake
Grounds G410 and G411 and Splices S101, S105 and S107
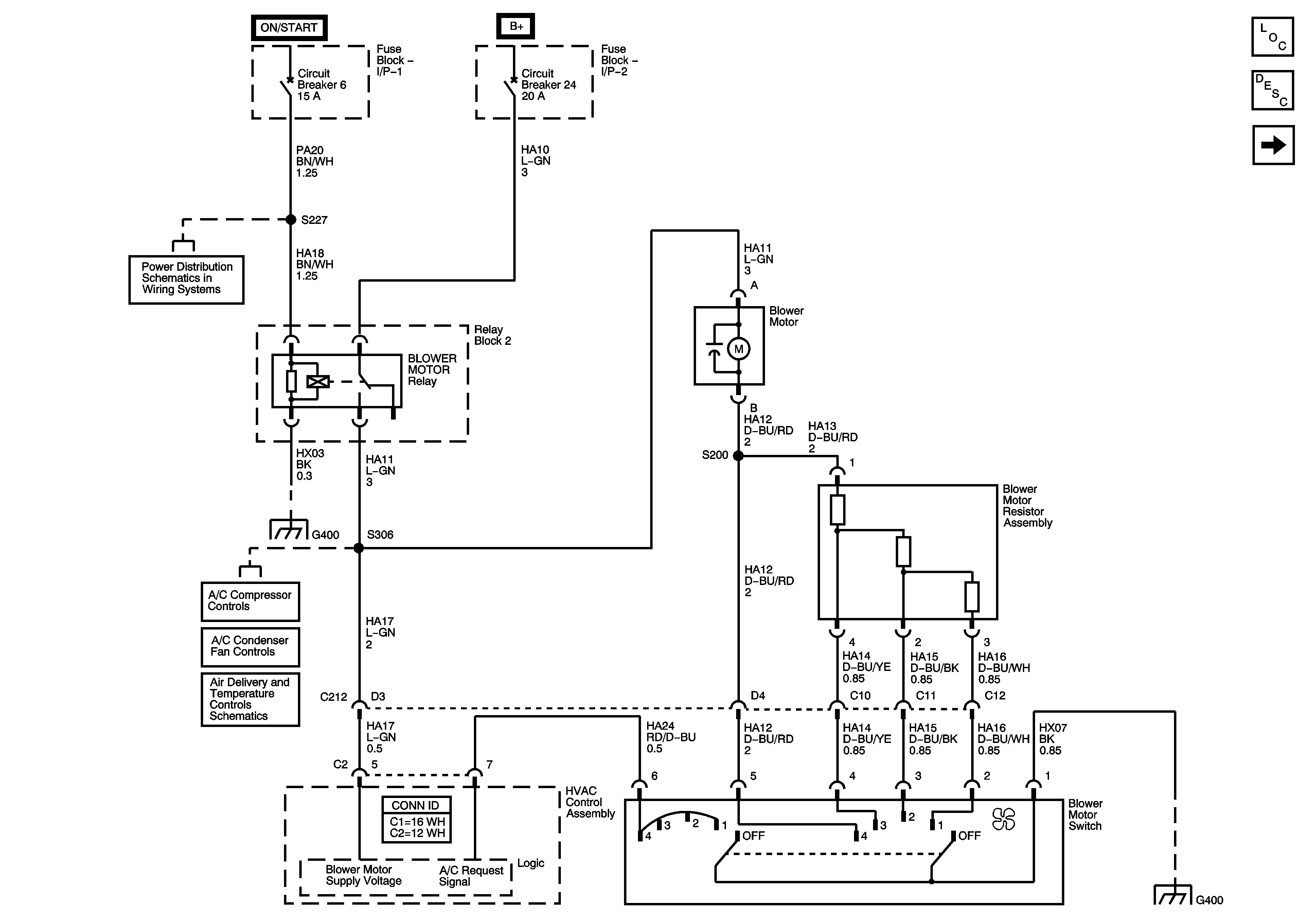
Figure 4:

Air Delivery and Temperature Controls 1 of 2


Object Number: 1393429  Size: FS
Master Electrical Component List
Air Delivery Description and Operation
Air Delivery and Temperature Controls - 2 of 2
A/C Condenser Fan Controls
Fuse Block - I/P - 1: Circuit Breaker 6
Fuse Block 1: Fuses 6 and 7, Fuse Block 2: Fuse 8 and Fuse Block - I/P - 2: Circuit Breake
Fuse Block - I/P - 1: Circuit Breaker 6
Blower Controls
A/C Compressor Controls
A/C Condenser Fan Controls
Splice Pack SP211
Figure 5:

Air Delivery and Temperature Controls 2 of 2


Object Number: 1396409  Size: FS
Master Electrical Component List
Air Delivery Description and Operation
Air Delivery and Temperature Controls - 1 of 2
I/P Dimmer Switch and Splice SP301
Splice Pack SP211
Splices S302 and S303
Splices S302 and S303