GM Service Manual Online
For 1990-2009 cars only
Makes
🢒
Isuzu
🢒
2005
🢒
Isuzu MD F-Series
🢒
Body
🢒
Lighting Systems
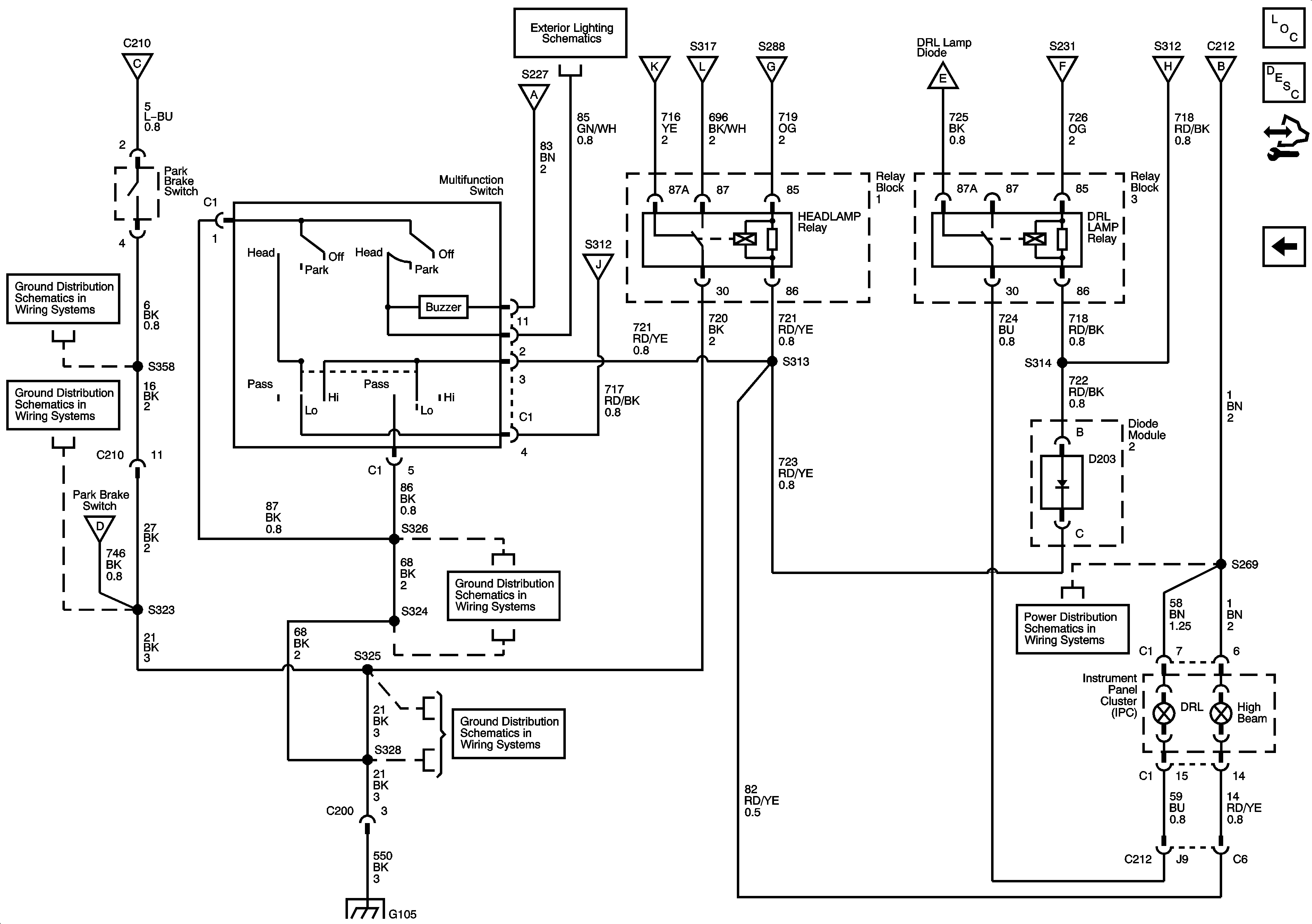
🢒 Headlights/Daytime Running Lights (DRL) Schematics
Figure
1:
1 of 2
Master Electrical Component List
Exterior Lighting Systems Description and Operation
Control Module References
2 of 2
Fuse Block - I/P - 1: Circuit Breaker 6
2 of 2
2 of 2
Splice S358 and Splice Pack SP212
Charging
2 of 2
2 of 2
2 of 2
2 of 2
2 of 2
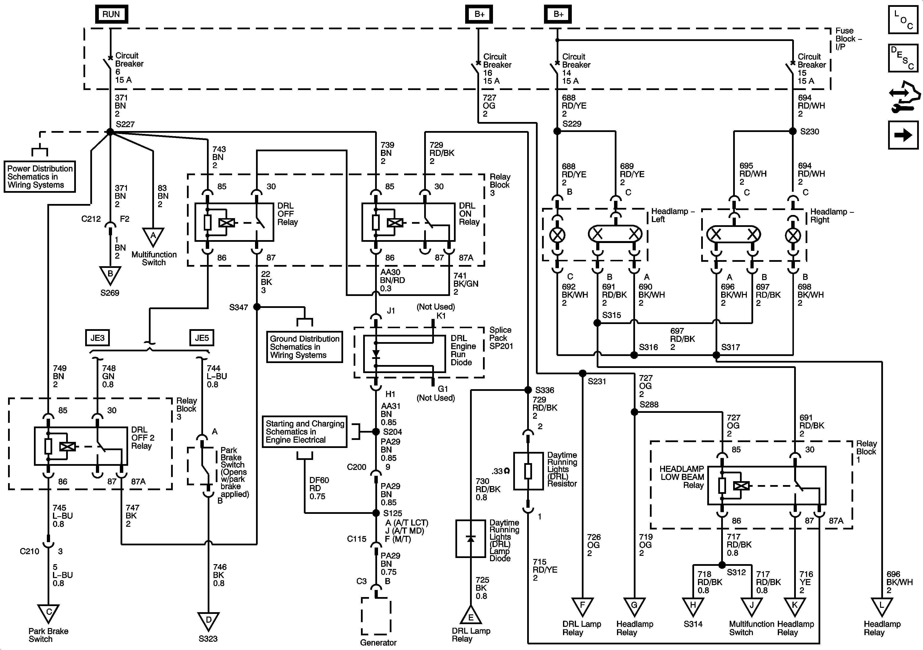
Figure
2:
2 of 2
Master Electrical Component List
Exterior Lighting Systems Description and Operation
Control Module References
1 of 2
Park and Tail Lamps
1 of 2
1 of 2
1 of 2
1 of 2
1 of 2
Splice Pack SP211
Splice Pack SP211
Splices S305 and S500
Grounds G410 and G411 and Splices S101, S105 and S107
Fuse Block 1: Fuse 2 and Fuse Block - I/P - 1: Circuit Breakers 4, 7 and 8