GM Service Manual Online
For 1990-2009 cars only
Makes
🢒
Isuzu
🢒
2005
🢒
Isuzu MD F-Series
🢒
Body
🢒
Wipers/Washer Systems
🢒 Wiper/Washer Schematics
Master Electrical Component List
Wiper/Washer System Description and Operation
Fuse Block 1: Fuses 6 and 7, Fuse Block 2: Fuse 8 and Fuse Block - I/P - 2: Circuit Breake
Fuse Block 1: Fuses 6 and 7, Fuse Block 2: Fuse 8 and Fuse Block - I/P - 2: Circuit Breake
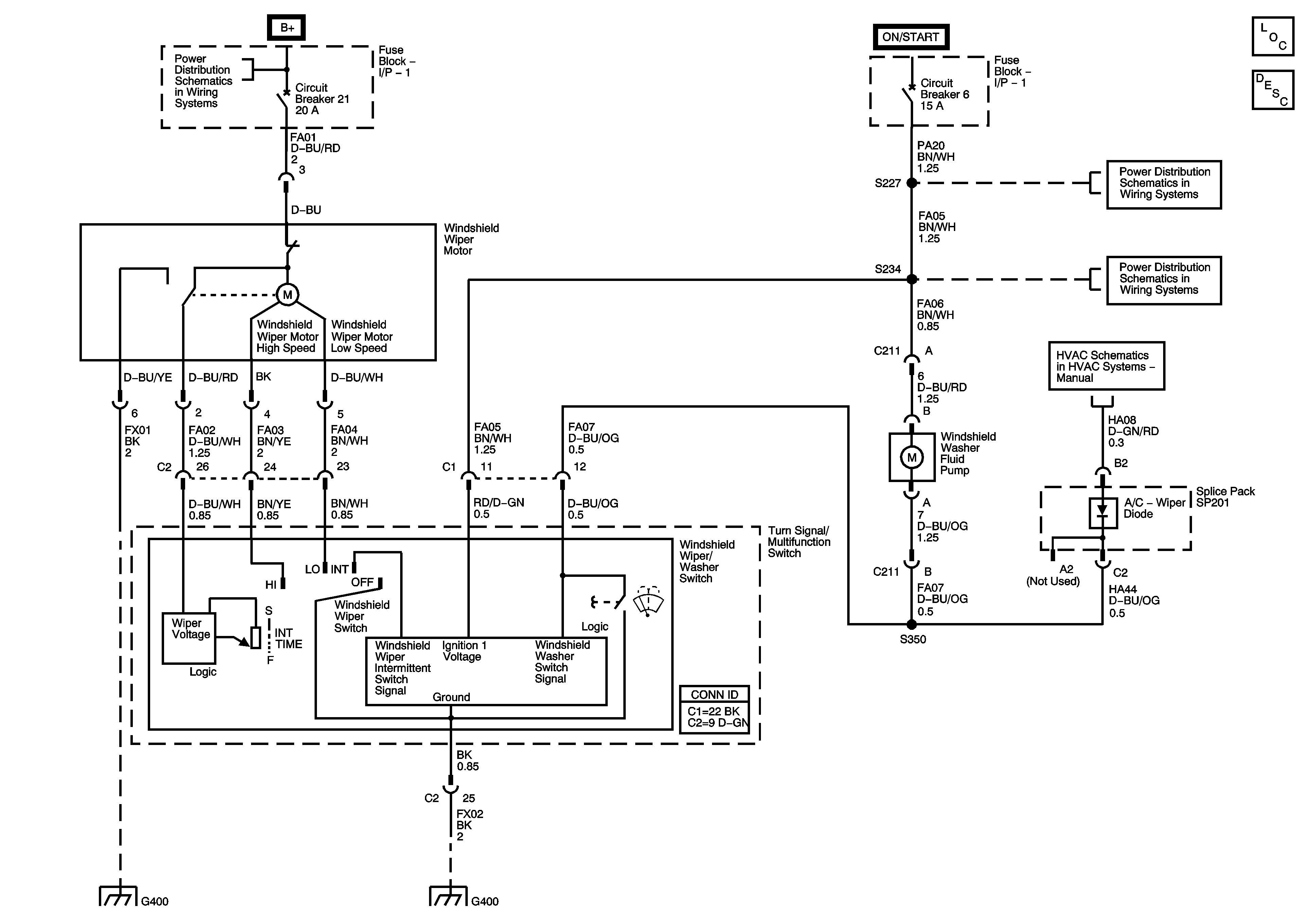
Fuse Block - I/P - 1: Circuit Breaker 6
Fuse Block - I/P - 1: Circuit Breaker 6
Fuse Block - I/P - 1: Circuit Breaker 6
A/C Compressor Controls
Splice Pack SP211
Splices S305 and S500