GM Service Manual Online
For 1990-2009 cars only
Makes
🢒
Isuzu
🢒
2005
🢒
Isuzu MD F-Series
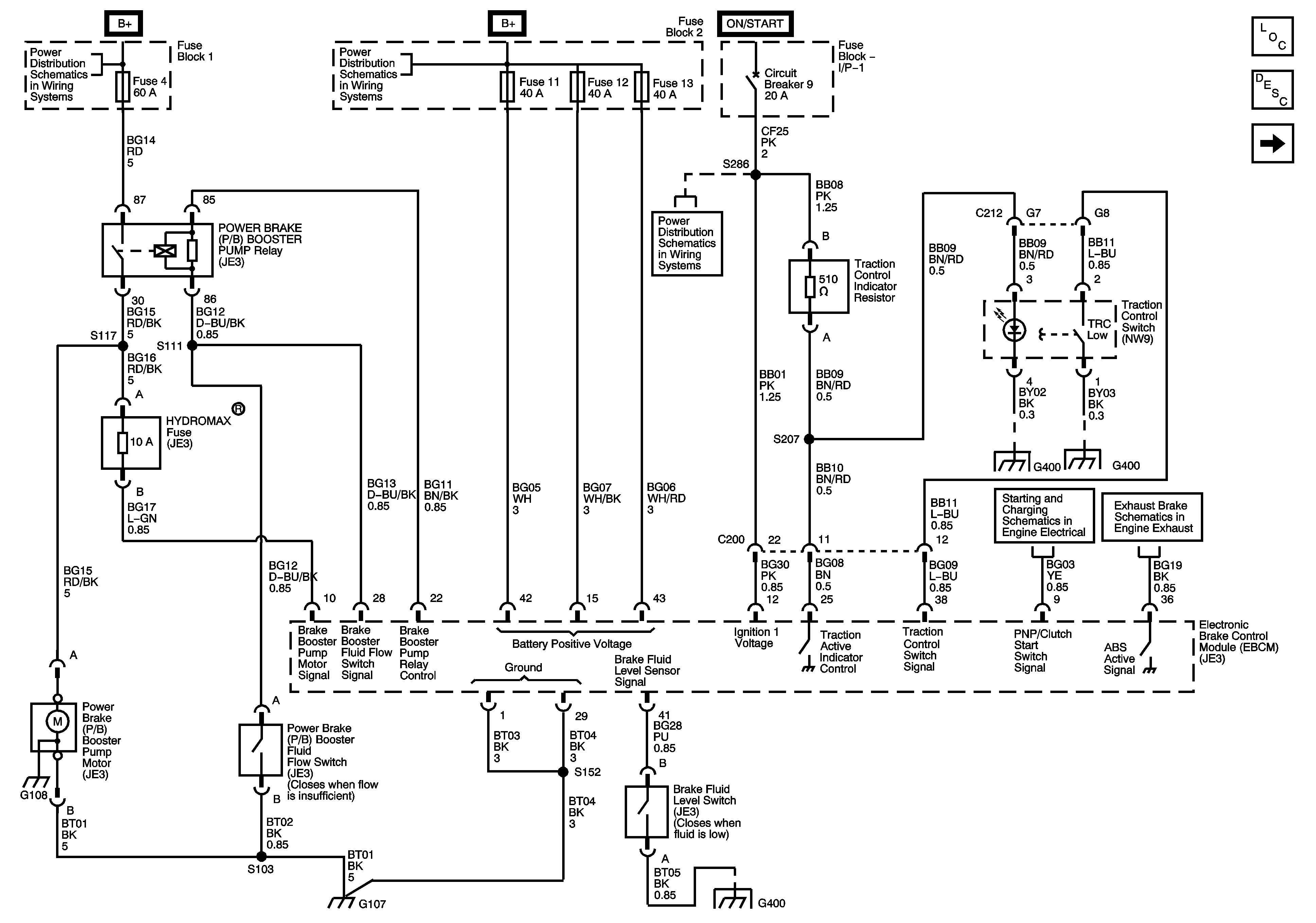
🢒 Electronic Brake Control Module (EBCM), Power Brake (P/B) Booster Pump Motor, Relays and Switches
Electronic Brake Control Module (EBCM), Power Brake (P/B) Booster Pump Motor, Relays and Switches
Electronic Brake Control Module (EBCM), Power Brake (P/B) Booster Pump Motor, Relays and Switches
Master Electrical Component List
ABS Description and Operation
Diagnostic System Check - Fuel Fired Heater
Battery Supply and B+ Bus
Battery Supply and B+ Bus
Battery Supply and B+ Bus
Battery Supply and B+ Bus
Fuse Block 1: Fuse 5 and Fuse Block - I/P - 1: Circuit Breakers 5, 9 - 1 of 2 and 10
Fuse Block 1: Fuse 5 and Fuse Block - I/P - 1: Circuit Breakers 5, 9 - 1 of 2 and 10
Grounds G100, G101, G102, G103, G107, G108, G114, G208, G209, G210, G214, G501, G502, G601 and G602 and Splices S103, S109, S152 and S402
Grounds G410 and G411 and Splices S101, S105 and S107
Splices S302 and S303
Starting
Engine Exhaust Brake Electrical Schematics