GM Service Manual Online
For 1990-2009 cars only
Makes
🢒
Isuzu
🢒
2005
🢒
Isuzu MD F-Series
🢒 Audible Warning Schematics
Audible Warning Schematics
Master Electrical Component List
Audible Warnings Description and Operation
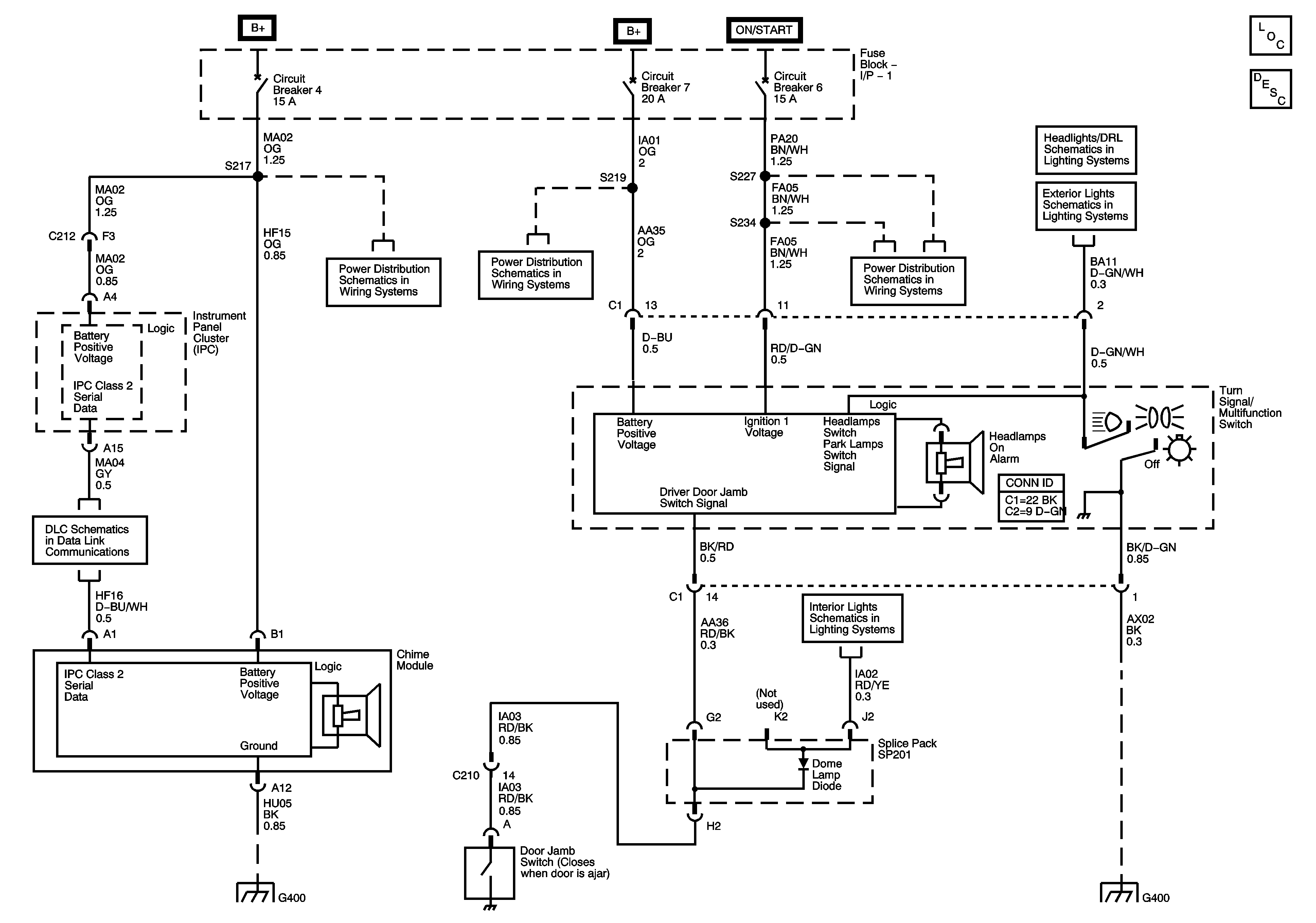
Fuse Block 1: Fuse 2 and Fuse Block - I/P - 1: Circuit Breakers 4, 7 and 8
Fuse Block 1: Fuse 2 and Fuse Block - I/P - 1: Circuit Breakers 4, 7 and 8
Fuse Block - I/P - 1: Circuit Breaker 6
2 of 2
Clearance, Identification (ID) and Marker Lamps
Fuse Block 1: Fuse 2 and Fuse Block - I/P - 1: Circuit Breakers 4, 7 and 8
Fuse Block 1: Fuse 2 and Fuse Block - I/P - 1: Circuit Breakers 4, 7 and 8
Fuse Block - I/P - 1: Circuit Breaker 6
Controller Area Network (CAN) Connector and Data Link Connector (DLC)
Splice Pack SP211
Interior Lights Schematics
Splices S305 and S500