GM Service Manual Online
For 1990-2009 cars only
Makes
🢒
Isuzu
🢒
2005
🢒
Isuzu MD F-Series
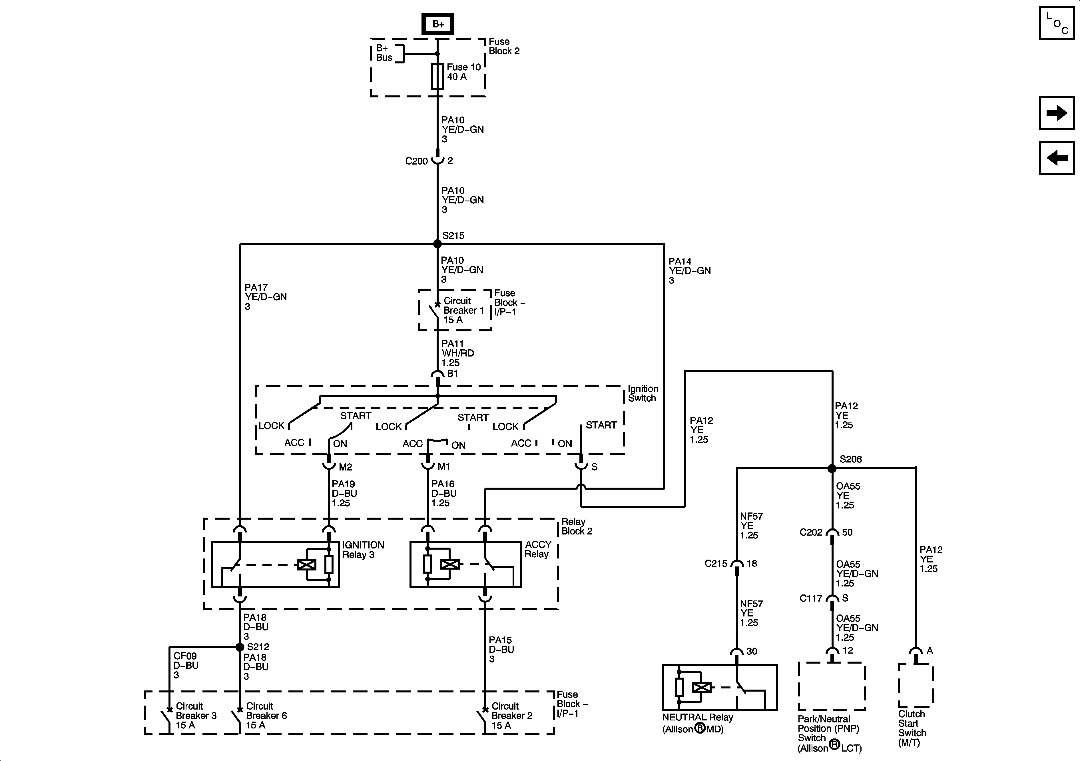
🢒 Fuse Block 2: Fuse 10, Fuse Block - I/P - 1: Circuit Breaker 1 and Ignition Switch - ACCY/RUN, RUN/START and START Bus Bars
Fuse Block 2: Fuse 10, Fuse Block - I/P - 1: Circuit Breaker 1 and Ignition Switch - ACCY/RUN, RUN/START and START Bus Bars
Fuse Block 2: Fuse 10, Fuse Block - I/P - 1: Circuit Breaker 1 and Ignition Switch - ACCY/RUN, RUN/START and START Bus Bars
Master Electrical Component List
Fuse Block - I/P - 1: Circuit Breaker 6
Fuse Block 2: Fuses 9, 11, 12, 13 and 14, Fuse Block - I/P - 1: Circuit Breaker 11 and Fuse Block - I/P - 2: Circuit Breakers 25 and 26
Battery Supply and B+ Bus
Battery Supply and B+ Bus