GM Service Manual Online
For 1990-2009 cars only
Makes
🢒
Isuzu
🢒
2007
🢒
Isuzu MD F-Series
🢒
Body Systems
🢒
Fixed and Moveable Windows
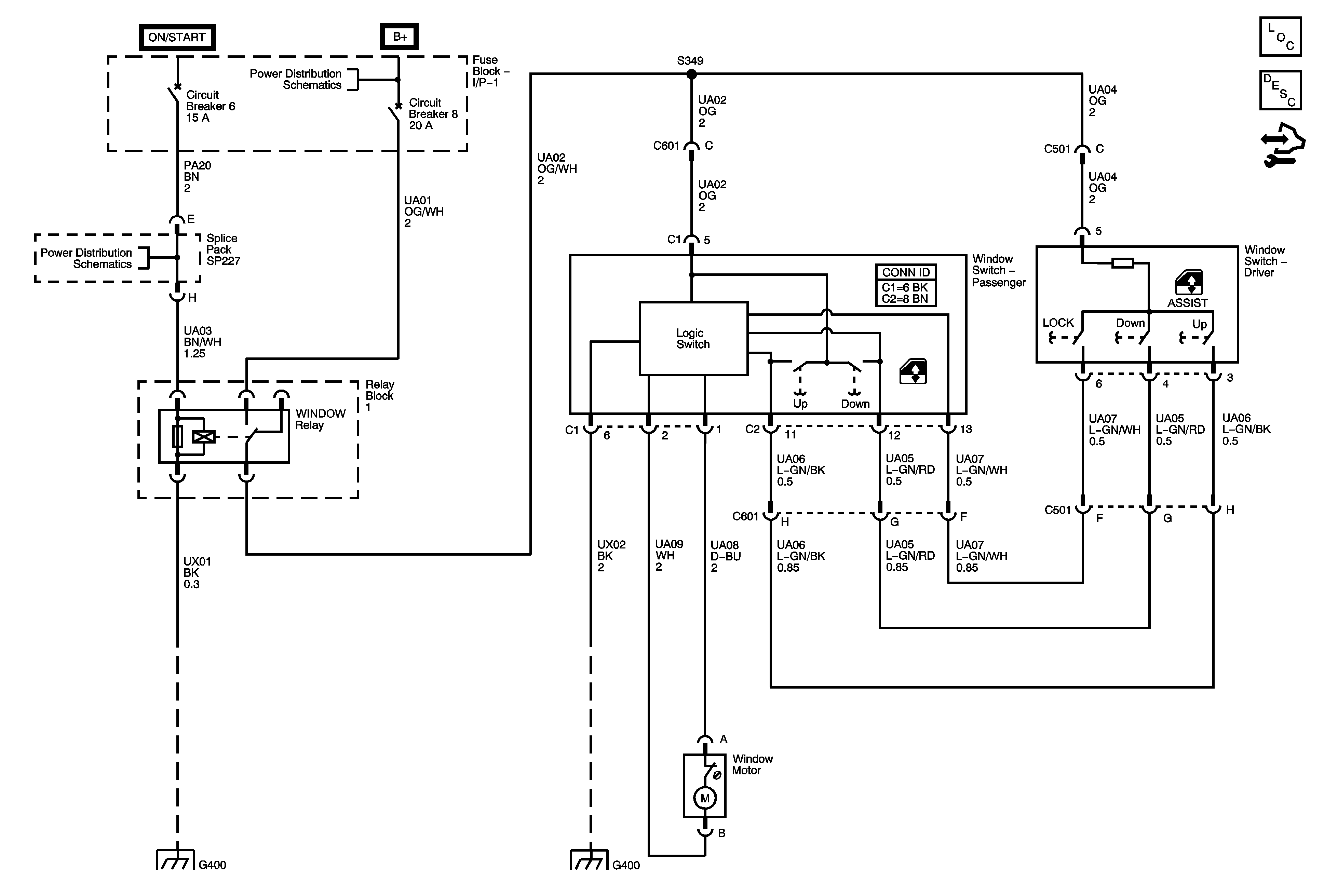
🢒 Moveable Window Schematics
Master Electrical Component List
Power Windows Description and Operation
Control Module References
Fuse Block I/P 1: Circuit Breaker 6
G400 and G402 - 4 of 8
Fuse Block 1: Fuse 2 and Fuse Block I/P 1: Circuit Breakers 4, 7, and 8
G400 and G402 - 4 of 8