GM Service Manual Online
For 1990-2009 cars only
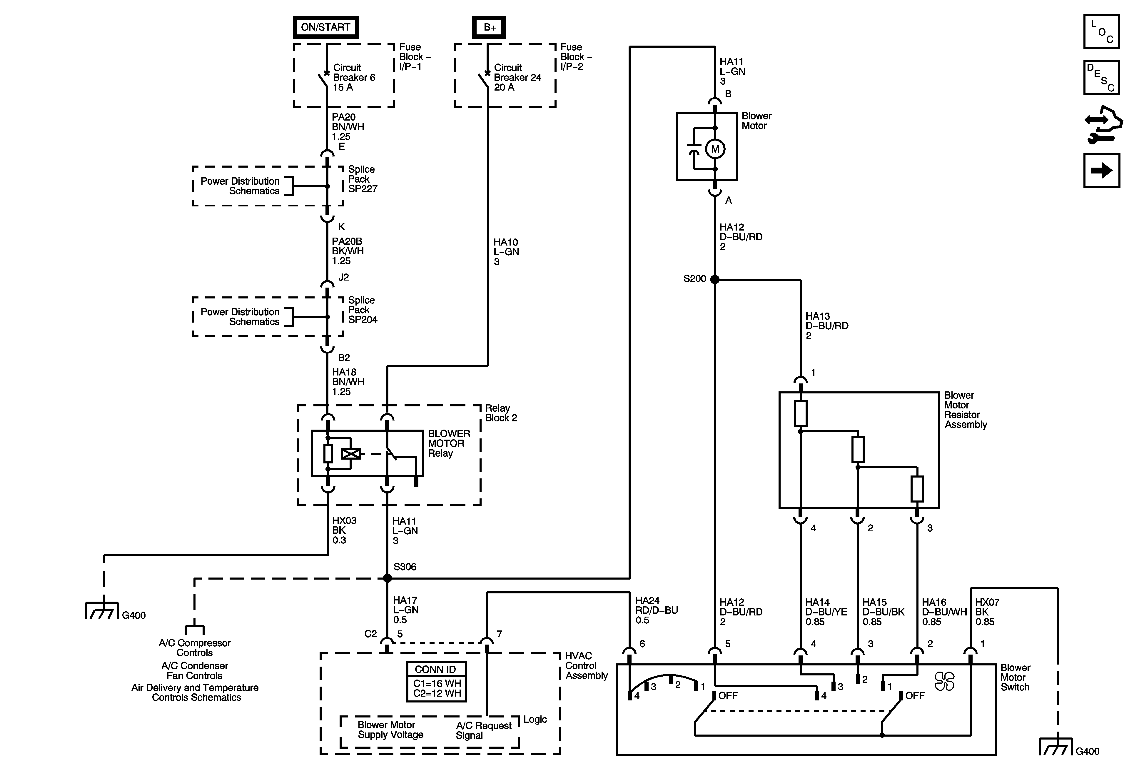
Figure 1:

Blower Controls


Object Number: 1842202  Size: FS
Master Electrical Component List
Air Temperature Description and Operation
Control Module References
A/C Compressor Controls
Fuse Block I/P 1: Circuit Breaker 6
Fuse Block I/P 1: Circuit Breaker 6
G400 and G402 - 5 of 8
A/C Compressor Controls
A/C Condensor Fan Controls
Air Delivery and Temperature Controls - 1 of 2
G400 and G402 - 3 of 8
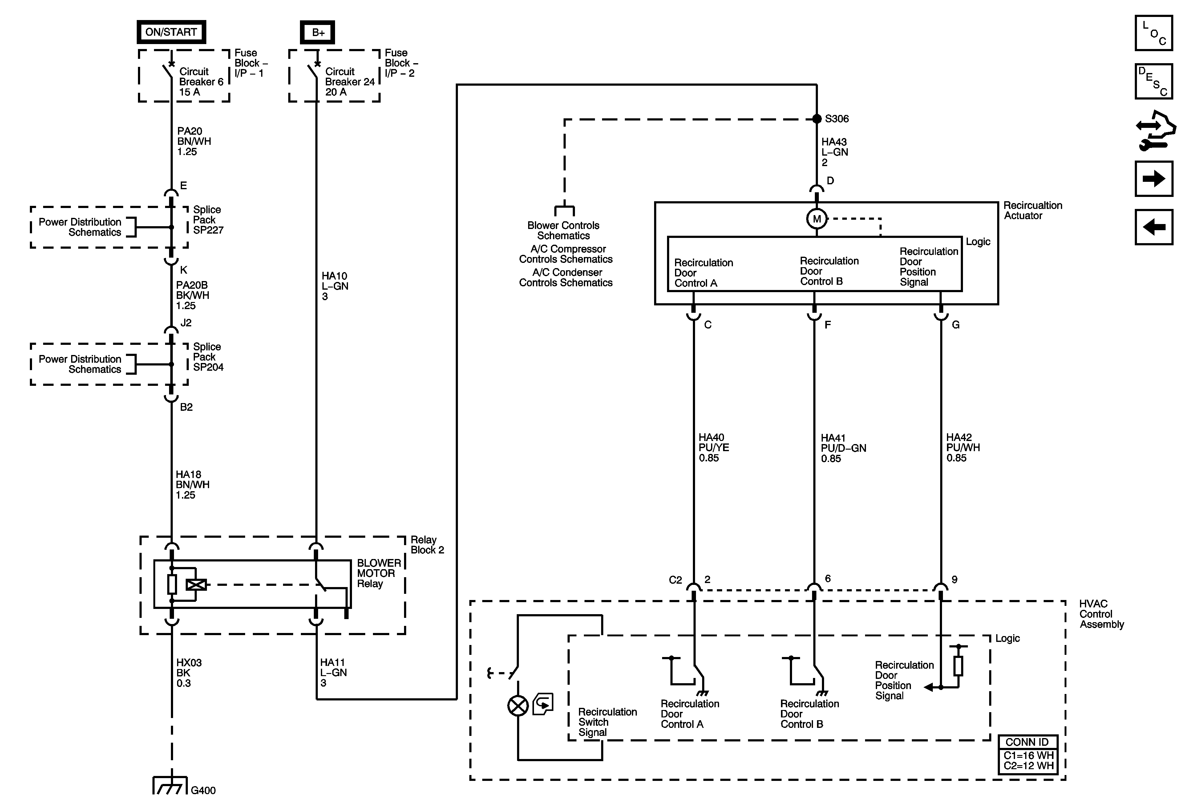
Figure 2:

A/C Compressor Controls


Object Number: 1842204  Size: FS
Master Electrical Component List
Air Temperature Description and Operation
Control Module References
A/C Condensor Fan Controls
Blower Controls
Fuse Block I/P 1: Circuit Breaker 6
Fuse Block I/P 1: Circuit Breaker 6
G400 and G402 - 5 of 8
Blower Controls
A/C Condensor Fan Controls
Air Delivery and Temperature Controls - 1 of 2
Wipers/Washer System Schematics
A/C Condensor Fan Controls
A/C Condensor Fan Controls
A/C Condensor Fan Controls
A/C Condensor Fan Controls
G400 and G402 - 2 of 8
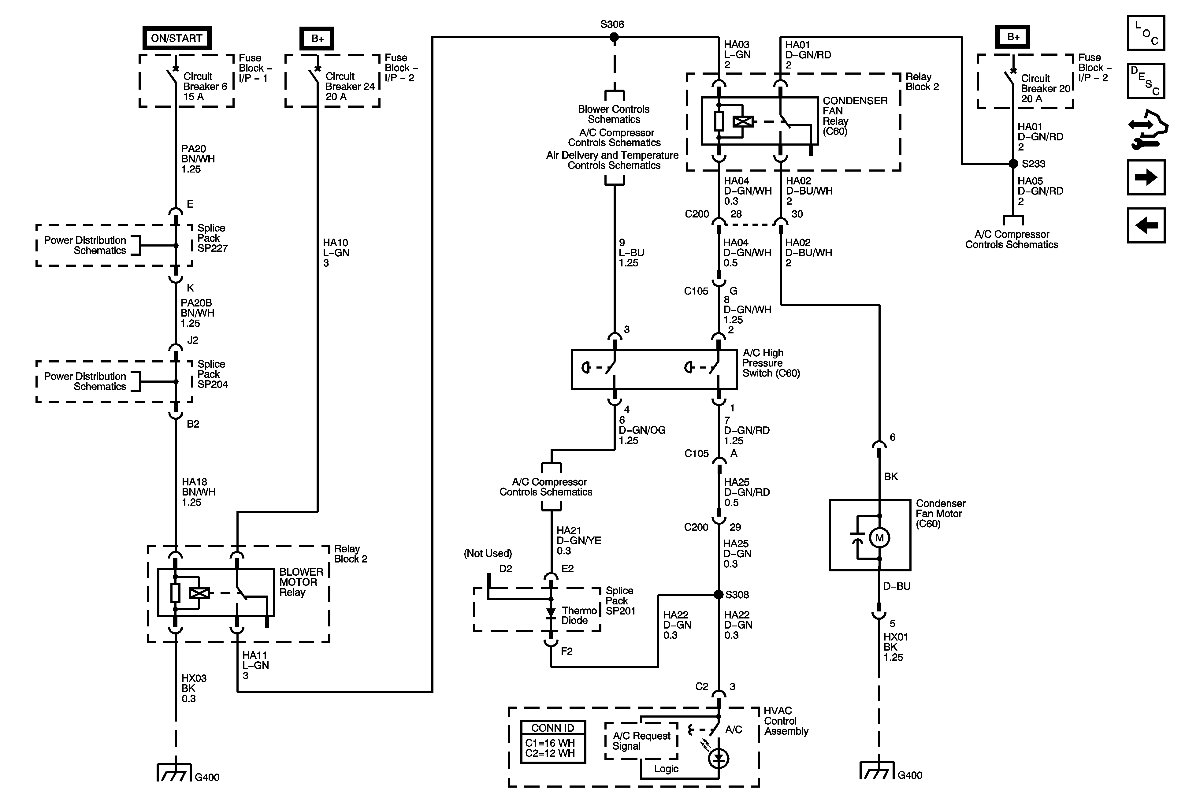
Figure 3:

A/C Condensor Fan Controls


Object Number: 1842205  Size: FS
Master Electrical Component List
Air Temperature Description and Operation
Control Module References
Air Delivery and Temperature Controls - 1 of 2
A/C Compressor Controls
Fuse Block I/P 1: Circuit Breaker 6
Fuse Block I/P 1: Circuit Breaker 6
G400 and G402 - 5 of 8
Blower Controls
A/C Compressor Controls
Air Delivery and Temperature Controls - 1 of 2
A/C Compressor Controls
G400 and G402 - 2 of 8
A/C Compressor Controls
Figure 4:

Air Delivery and Temperature Controls - 1 of 2


Object Number: 1842206  Size: FS
Master Electrical Component List
Air Delivery Description and Operation
Control Module References
Air Delivery and Temperature Controls - 2 of 2
A/C Condensor Fan Controls
Fuse Block I/P 1: Circuit Breaker 6
Fuse Block I/P 1: Circuit Breaker 6
G400 and G402 - 5 of 8
Blower Controls
A/C Compressor Controls
A/C Condensor Fan Controls
Figure 5:

Air Delivery and Temperature Controls - 2 of 2


Object Number: 1842208  Size: FS
Master Electrical Component List
Air Delivery Description and Operation
Control Module References
Air Delivery and Temperature Controls - 1 of 2
I/P Dimmer Switch and Splice S301
G400 and G402 - 5 of 8
G400 and G402 - 6 of 8
G400 and G402 - 6 of 8
G400 and G402 - 6 of 8