GM Service Manual Online
For 1990-2009 cars only
Makes
🢒
Isuzu
🢒
2007
🢒
Isuzu MD F-Series
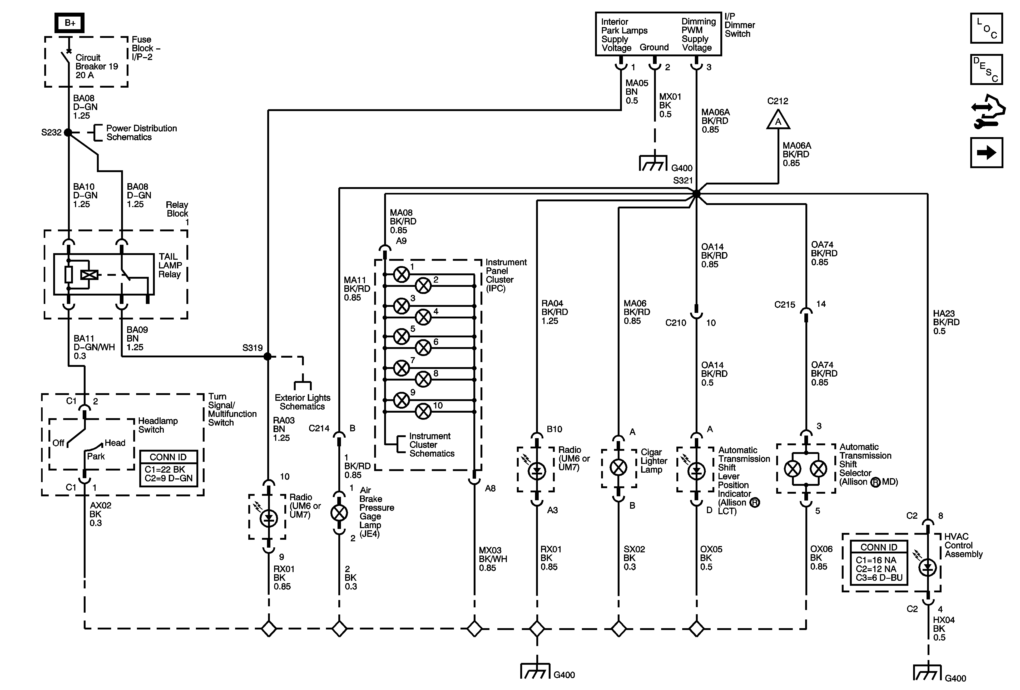
🢒 I/P Dimmer Switch and Splice S301
I/P Dimmer Switch and Splice S301
I/P Dimmer Switch and Splice S301
Master Electrical Component List
Interior Lighting Systems Description and Operation
Control Module References
Splice S321
Fuse Block 1: Fuse 1 and Fuse Block I/P 2: Circuit Breakers 14, 15, 16, and 19
Clearance, Identification and Marker Lamps
G400 and G402 - 3 of 8
Splice S321
G400 and G402 - 7 of 8
G400 and G402 - 3 of 8