GM Service Manual Online
For 1990-2009 cars only
Makes
🢒
Isuzu
🢒
2007
🢒
Isuzu MD F-Series
🢒 Clearance, Identification and Marker Lamps
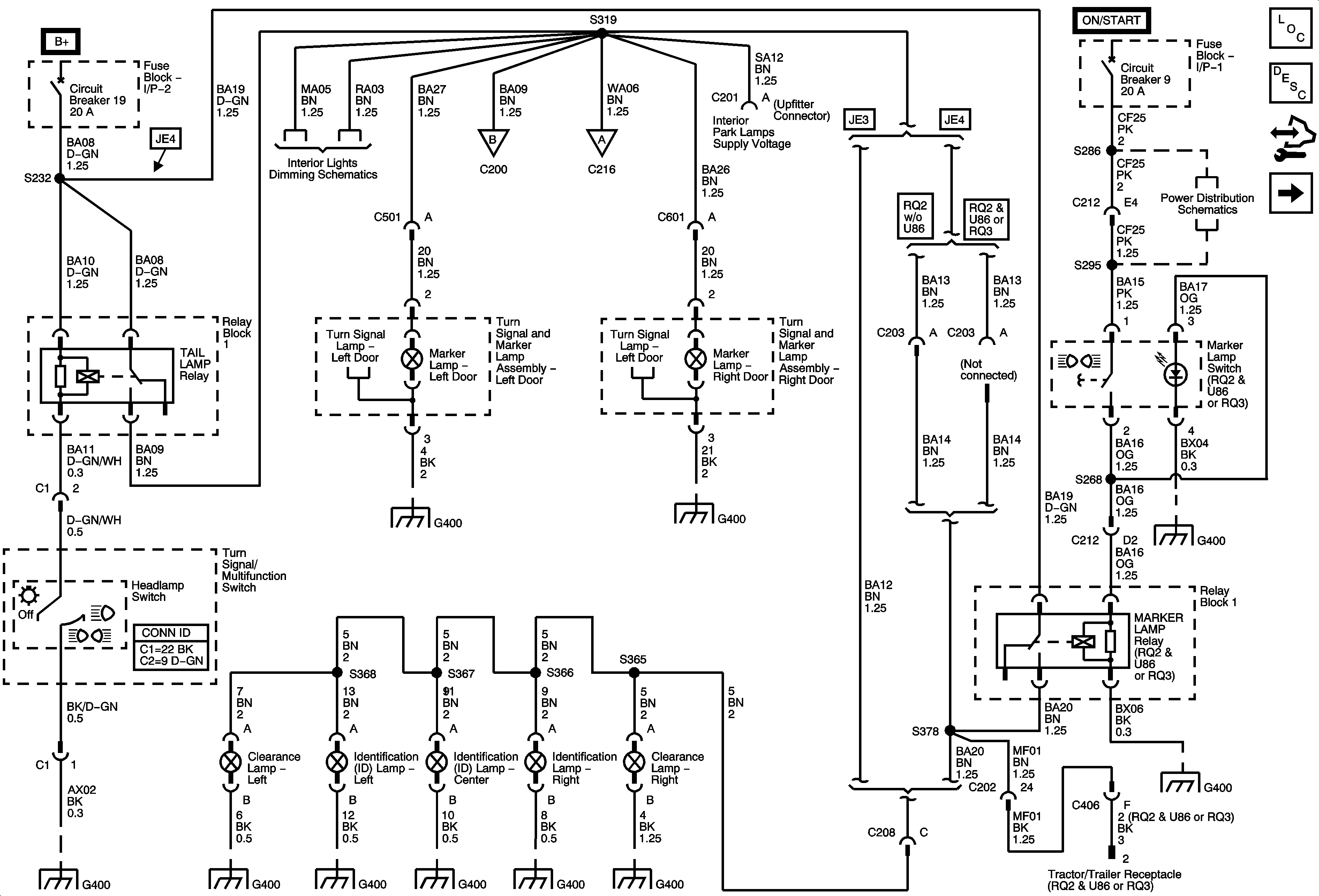
Clearance, Identification and Marker Lamps
Clearance, Identification and Marker Lamps
Master Electrical Component List
Exterior Lighting Systems Description and Operation
Control Module References
Outside Rear View Mirrors
I/P Dimmer Switch and Splice S301
200Turn Signal/Hazard Lamps - Left
Park and Tail Lamps
Outside Rear View Mirrors
Turn Signal/Hazard Lamps - Right
Fuse Block 1: Fuse 5 and Fuse Block I/P 1: Circuit Breakers 5, 9 - 1 of 2, and 10
G400 and G402 - 6 of 8
G400 and G402 - 4 of 8
G400 and G402 - 3 of 8
G400 and G402 - 4 of 8
G400 and G402 - 6 of 8
G400 and G402 - 4 of 8
G400 and G402 - 4 of 8
G400 and G402 - 4 of 8
G400 and G402 - 4 of 8
G400 and G402 - 4 of 8