GM Service Manual Online
For 1990-2009 cars only
Makes
🢒
Isuzu
🢒
2007
🢒
Isuzu MD F-Series
🢒 Outside Rear View Mirrors
Outside Rear View Mirrors
Outside Rearview Mirrors
Master Electrical Component List
Exterior Lighting Systems Description and Operation
Control Module References
Park and Tail Lamps
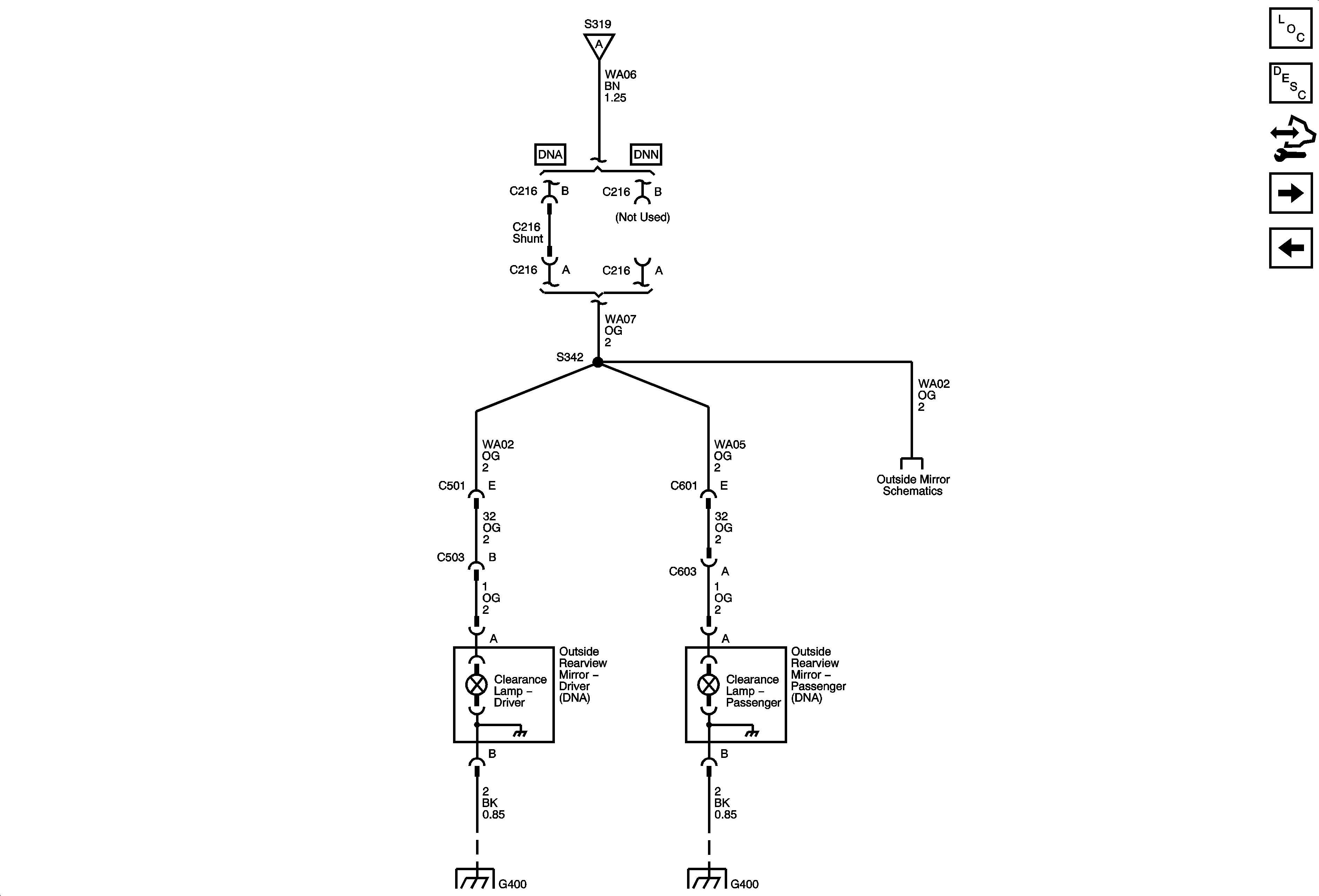
Clearance, Identification and Marker Lamps
Clearance, Identification and Marker Lamps
G400 and G402 - 6 of 8
G400 and G402 - 4 of 8
Outside Rearview Mirror Schematics