GM Service Manual Online
For 1990-2009 cars only
Makes
🢒
Isuzu
🢒
2007
🢒
Isuzu MD F-Series
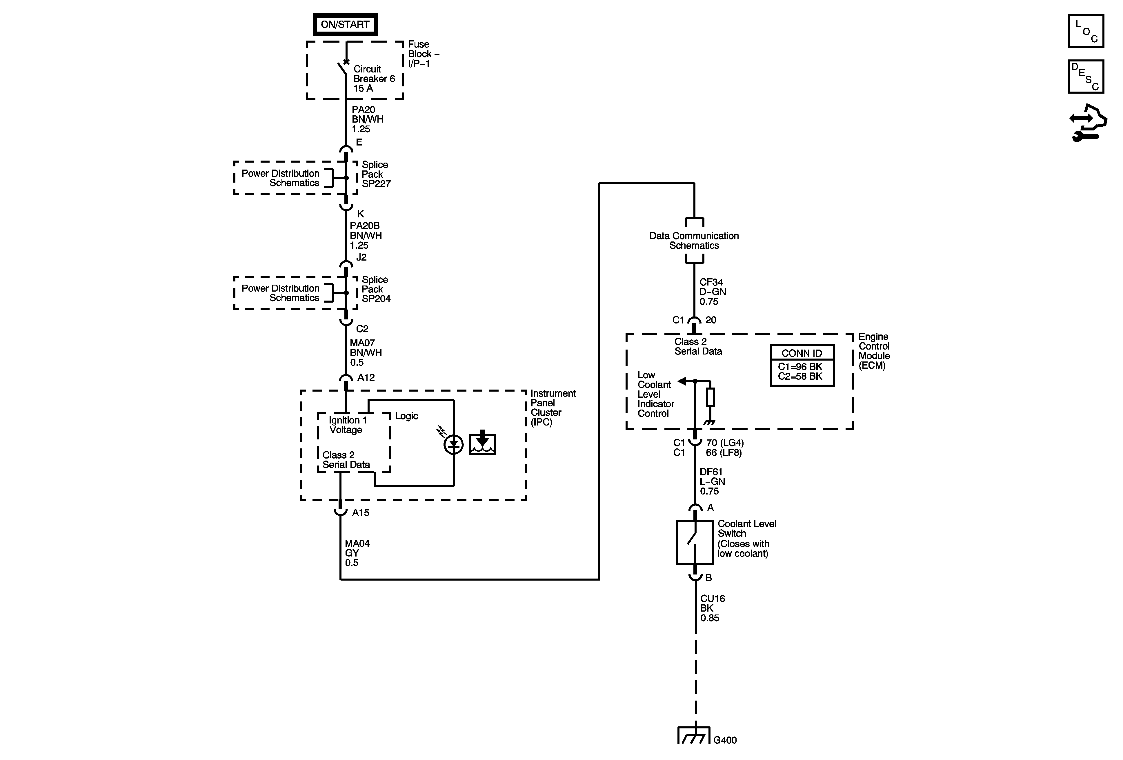
🢒 2007 MD560T Engine Cooling Schematics
2007 MD560T Engine Cooling Schematics
Master Electrical Component List
Cooling System Description and Operation
Control Module References
Fuse Block I/P 1: Circuit Breaker 6
Fuse Block I/P 1: Circuit Breaker 6
Controller Area Network (CAN) Connector and Data Link Connector (DLC)
G400 and G402 - 2 of 8