GM Service Manual Online
For 1990-2009 cars only
Makes
🢒
Isuzu
🢒
2007
🢒
Isuzu MD F-Series
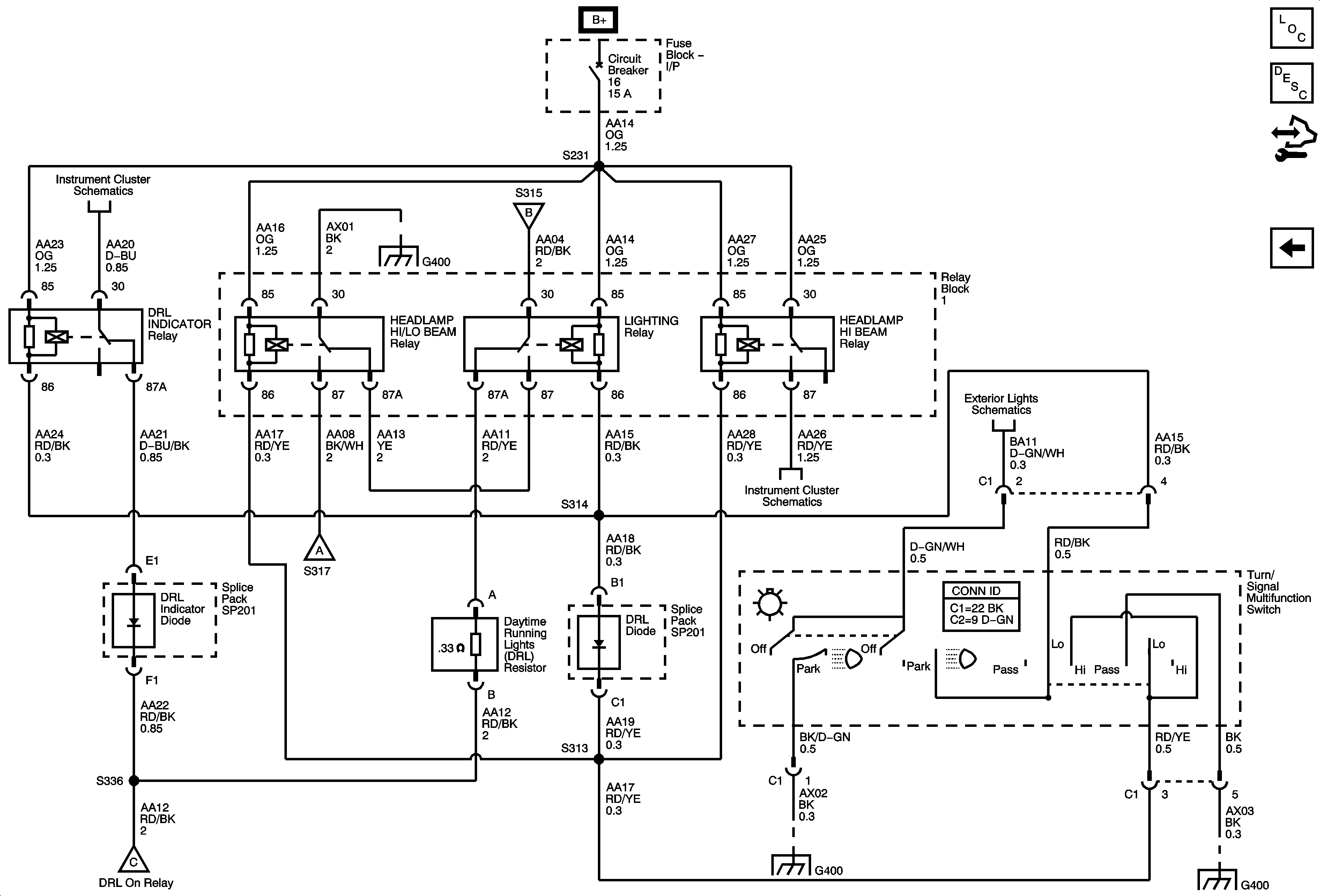
🢒 Headlights/Daytime Running Lights 2 of 2
Headlights/Daytime Running Lights 2 of 2
Headlights/Daytime Running Lamps - 2 of 2
Master Electrical Component List
Exterior Lighting Systems Description and Operation
Control Module References
Headlights/Daytime Running Lights 1 of 2
Indicators and Illumination
G400 and G402 - 7 of 8
Headlights/Daytime Running Lights 1 of 2
Headlights/Daytime Running Lights 1 of 2
Headlights/Daytime Running Lights 1 of 2
Indicators and Illumination
G400 and G402 - 6 of 8
Clearance, Identification and Marker Lamps
G400 and G402 - 6 of 8