GM Service Manual Online
For 1990-2009 cars only
Makes
🢒
Isuzu
🢒
2007
🢒
Isuzu MD F-Series
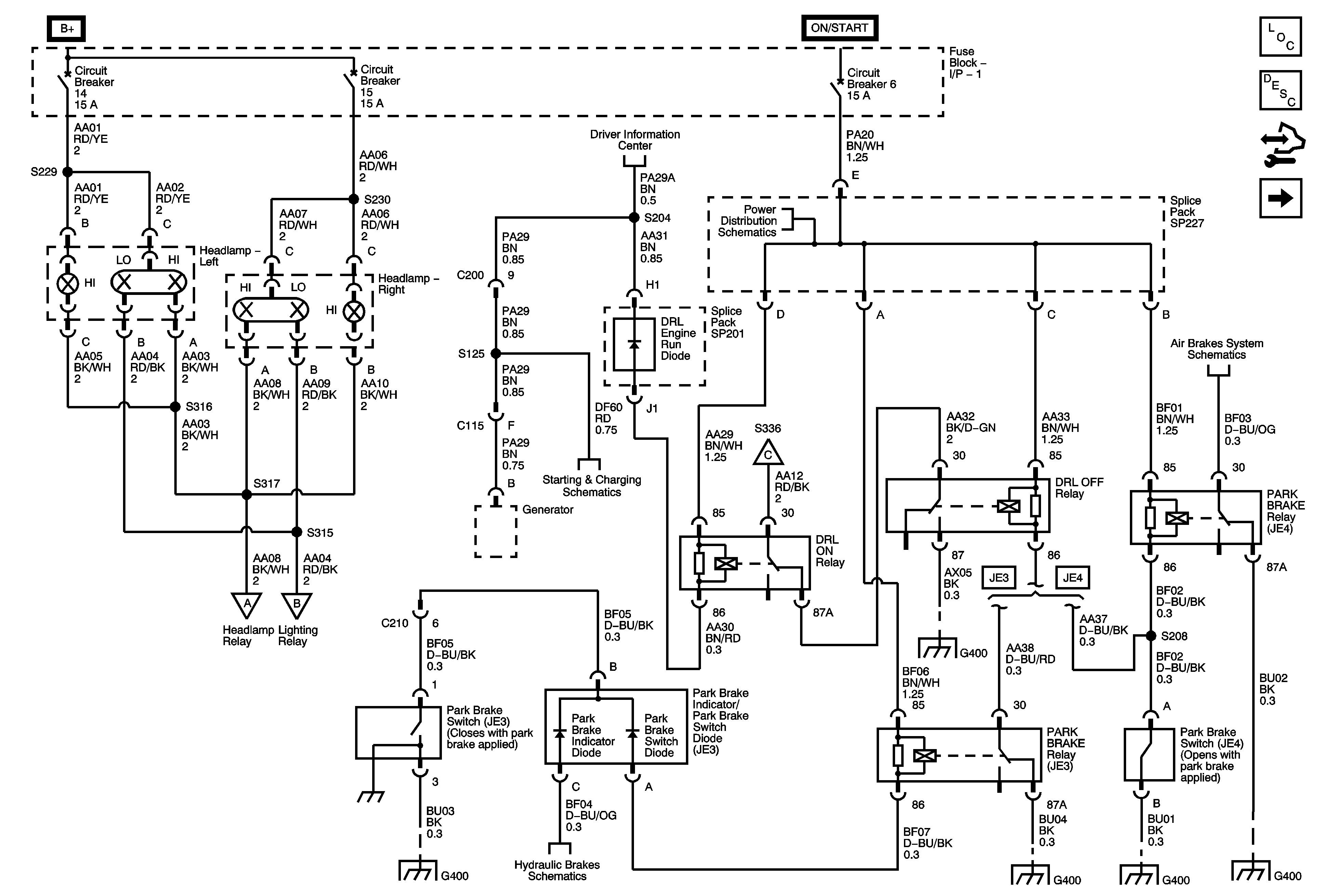
🢒 Headlights/Daytime Running Lights 1 of 2
Headlights/Daytime Running Lights 1 of 2
Headlights/Daytime Running Lamps - 1 of 2
Master Electrical Component List
Exterior Lighting Systems Description and Operation
Control Module References
Headlights/Daytime Running Lights 2 of 2
Fuse Block I/P 1: Circuit Breaker 6
Headlights/Daytime Running Lights 2 of 2
2007 MD560T Brake Warning System Schematics
Charging
Driver Information Center (DIC)
Headlights/Daytime Running Lights 2 of 2
Fuse Block I/P 1: Circuit Breaker 6
G400 and G402 - 7 of 8
G400 and G402 - 4 of 8
G400 and G402 - 5 of 8
G400 and G402 - 4 of 8
Brake Warning Indicators