GM Service Manual Online
For 1990-2009 cars only
Makes
🢒
Isuzu
🢒
2007
🢒
Isuzu MD F-Series
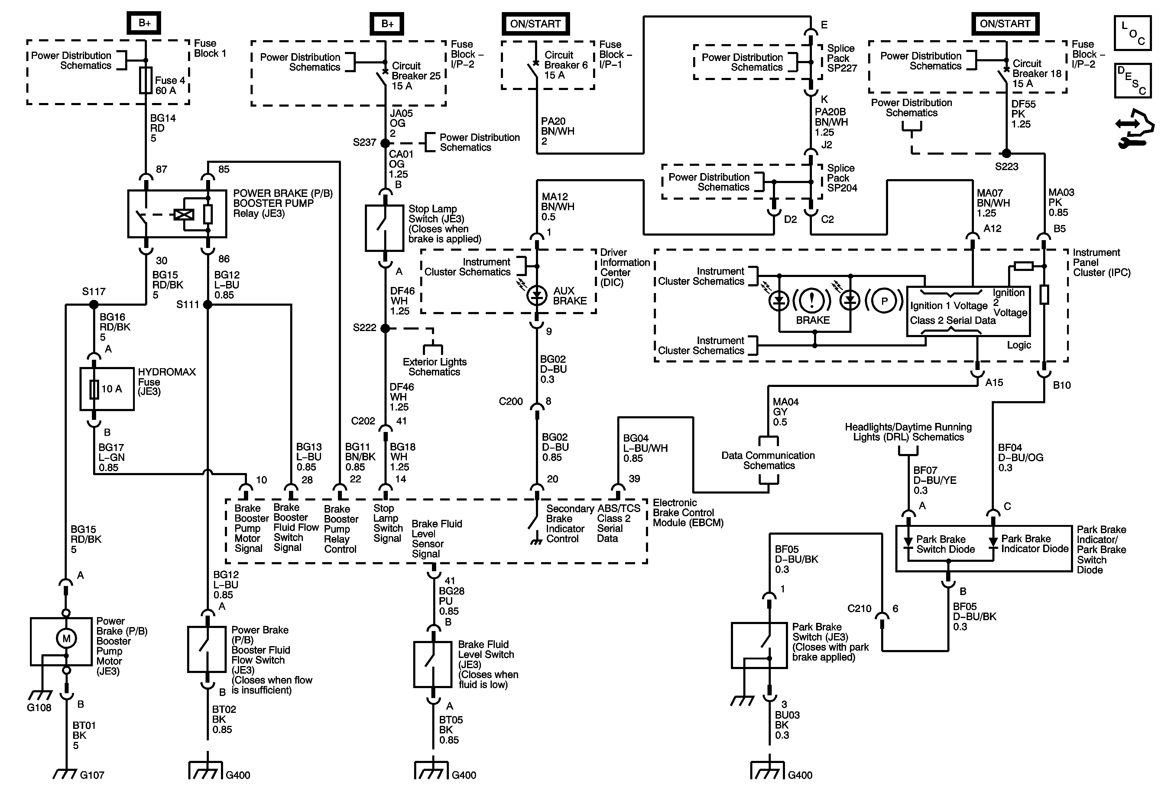
🢒 2007 MD560T Brake Warning System Schematics
2007 MD560T Brake Warning System Schematics
Master Electrical Component List
Hydraulic Brake System Description and Operation
Control Module References
Block 1: Fuses 3 and 4, and Fuse Block I/P Circuit Breakers 12 and 13, and HYDROMAX Fuse
G100, G101, G102, G107, G114, G208, G209, G210, G214, G400 and G402 - 1 of 8, G501, G502, G601, and G602
Driver Information Center (DIC)
Stop Lamps
G400 and G402 - 2 of 8
Fuse Block 2: Fuses 9, 11, 12, 13, and 14, Fuse Block I/P 1: Circuit Breaker 11, and Fuse Block I/P 2: Circuit Breakers 25 and 26
Power, Ground, and Serial Data
Power, Ground, and Serial Data
Fuse Block I/P 1: Circuit Breaker 6
Fuse Block I/P 1: Circuit Breaker 6
G400 and G402 - 6 of 8
Controller Area Network (CAN) Connector and Data Link Connector (DLC)
Headlights/Daytime Running Lights 1 of 2
Fuse Block 1: Fuses 6 and 7, Fuse Block 2: Fuse 8, and Fuse Block I/P 2: Circuit Breakers 17, 18, 20, 21, 22, and 24
Fuse Block 1: Fuses 6 and 7, Fuse Block 2: Fuse 8, and Fuse Block I/P 2: Circuit Breakers 17, 18, 20, 21, 22, and 24