GM Service Manual Online
For 1990-2009 cars only
Makes
🢒
Isuzu
🢒
2008
🢒
Isuzu MD F-Series
🢒
Body Systems
🢒
Wipers and Washers
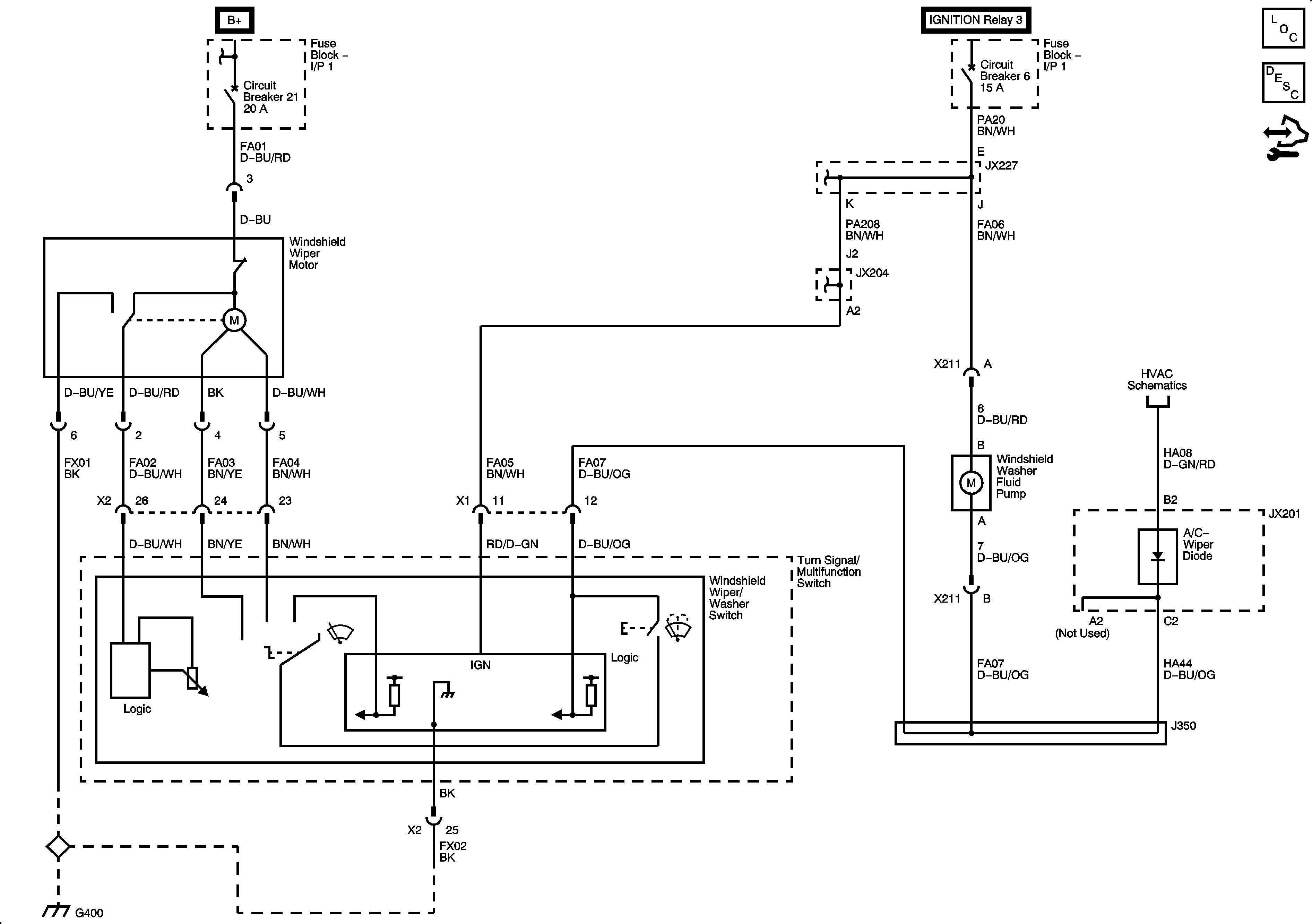
🢒 Wiper/Washer Schematics
Master Electrical Component List
Wiper/Washer System Description and Operation
Control Module References
Ground Distribution Schematics
Fuse Block 1: Fuses 6 and 7, Fuse Block 2: Fuse 8, and Fuse Block I/P 2: Circuit Breakers 17, 18, 20, 21, 22, and 24
Fuse Block I/P 1: Circuit Breaker 6
Fuse Block I/P 1: Circuit Breaker 6
Fuse Block I/P 1: Circuit Breaker 6
A/C Compressor Controls