GM Service Manual Online
For 1990-2009 cars only
Makes
🢒
Isuzu
🢒
2008
🢒
Isuzu MD F-Series
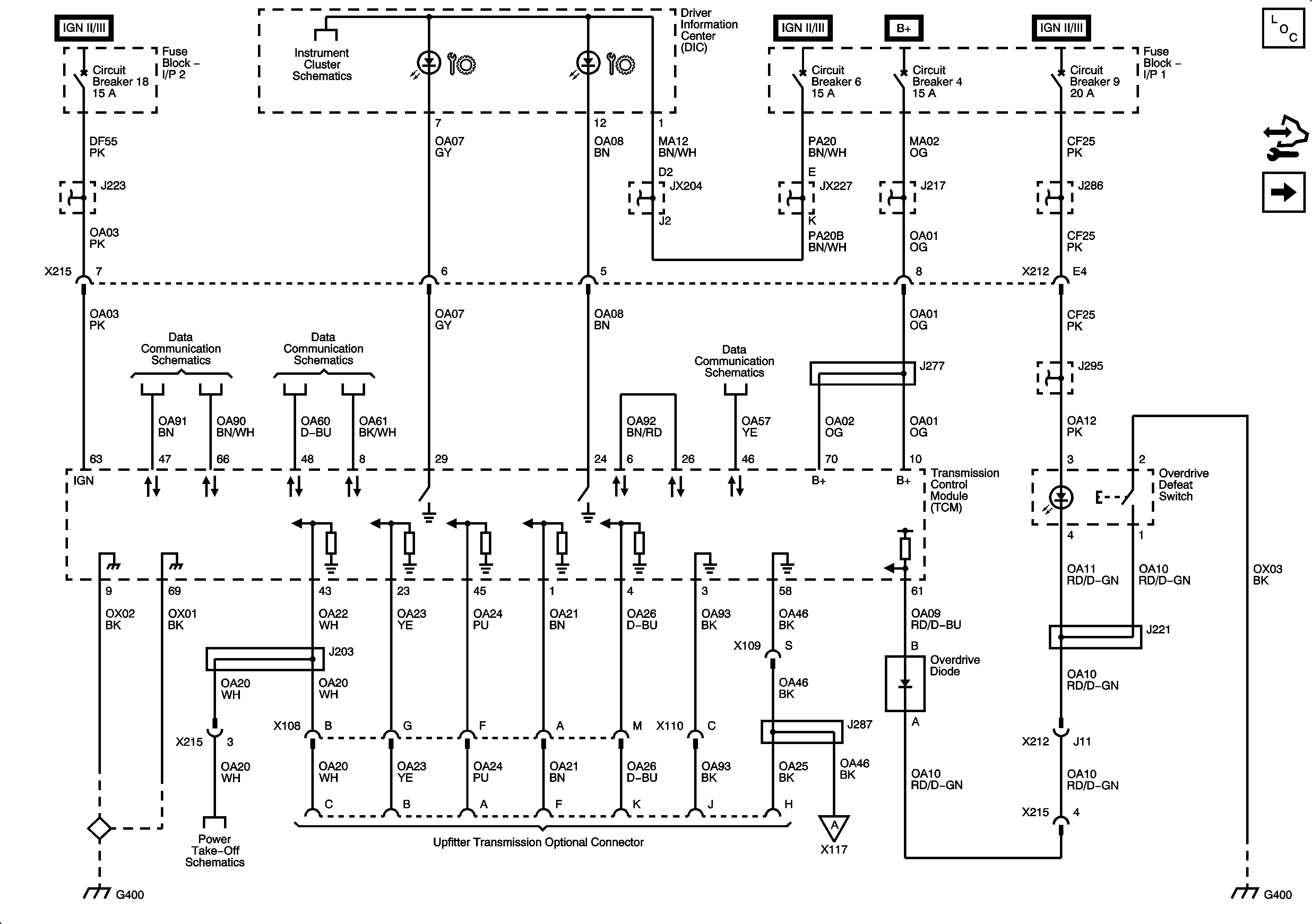
🢒 Power, Ground, Serial Data, MIL, Solenoids, Temperature Sensor, and Switches
Power, Ground, Serial Data, MIL, Solenoids, Temperature Sensor, and Switches
Power, Ground, Serial Data, MIL, Solenoids, Temperature Sensor, and Switches
Master Electrical Component List
Control Module References
Speed Sensors, Switches, and X408 Upfitter TRANS OPT Connector
Fuse Block 1: Fuses 6 and 7, Fuse Block 2: Fuse 8, and Fuse Block I/P 2: Circuit Breakers 17, 18, 20, 21, 22, and 24
Fuse Block 1: Fuses 6 and 7, Fuse Block 2: Fuse 8, and Fuse Block I/P 2: Circuit Breakers 17, 18, 20, 21, 22, and 24
G402 and G400 - 8 of 8
Connector X104, Engine Control Module (ECM) PTO Relay, Turn Signal Multifunction and PTO Switches
Controller Area Network (CAN) Connector and Data Link Connector (DLC)
Splice Packs and Module 2 of 3
Driver Information Center (DIC)
Controller Area Network (CAN) Connector and Data Link Connector (DLC)
Pressure Switches and Solenoids, Temperature Sensor
Fuse Block I/P 1: Circuit Breaker 6
Fuse Block I/P 1: Circuit Breaker 6
Fuse Block I/P 1: Circuit Breaker 6
Fuse Block 1: Fuse 2 and Fuse Block I/P 1: Circuit Breakers 4, 7, and 8
Fuse Block 1: Fuse 2 and Fuse Block I/P 1: Circuit Breakers 4, 7, and 8
Fuse Block 1: Fuse 5 and Fuse Block I/P 1: Circuit Breakers 5, 9 - 1 of 2, and 10
Fuse Block 1: Fuse 5 and Fuse Block I/P 1: Circuit Breakers 5, 9 - 1 of 2, and 10
Fuse Block 1: Fuse 5 and Fuse Block I/P 1: Circuit Breakers 5, 9 - 1 of 2, and 10
G400 - 3 of 8