GM Service Manual Online
For 1990-2009 cars only
Makes
🢒
Isuzu
🢒
2008
🢒
Isuzu MD F-Series
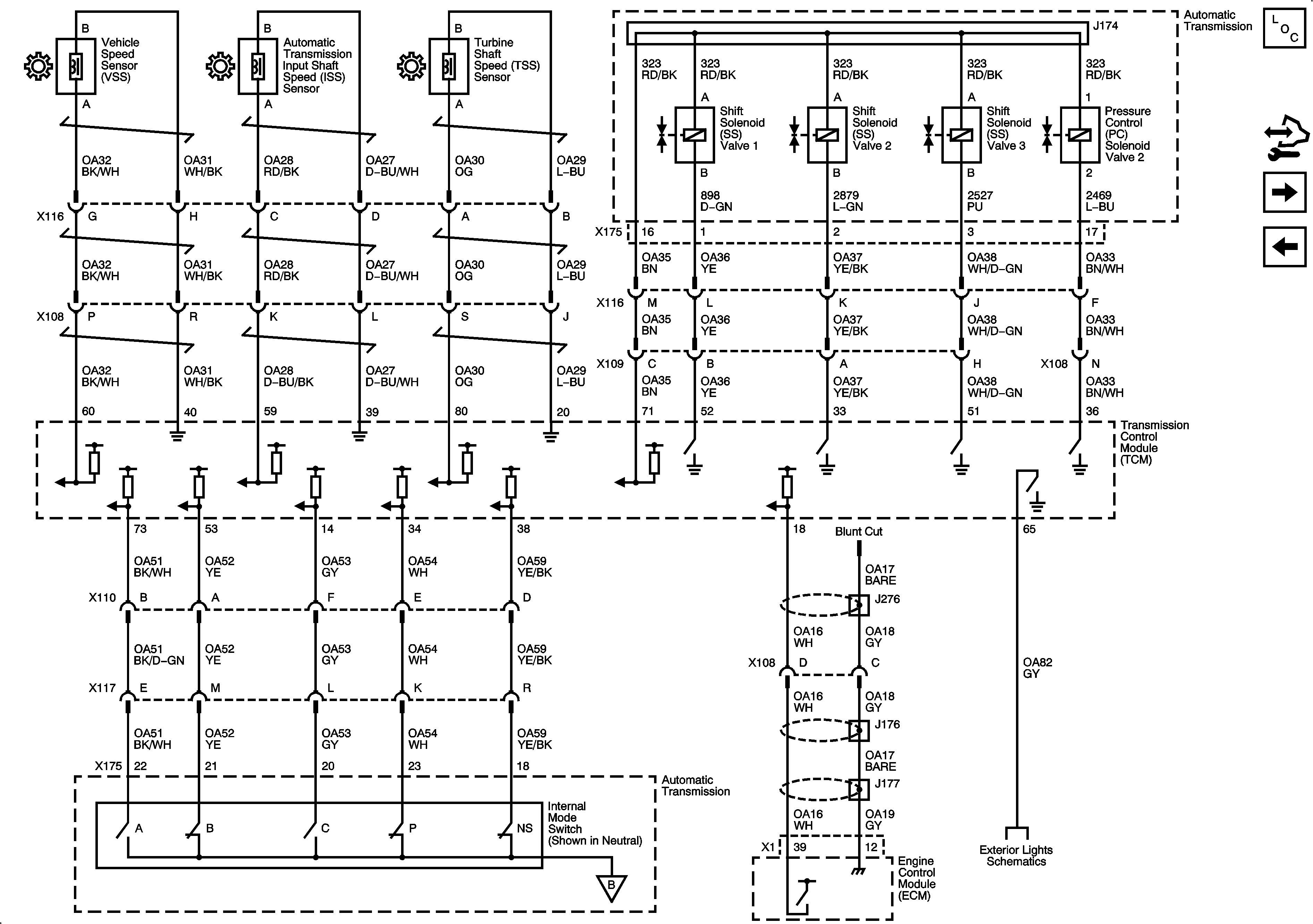
🢒 Speed Sensors, Switches, and X408 Upfitter TRANS OPT Connector
Speed Sensors, Switches, and X408 Upfitter TRANS OPT Connector
Speed Sensors, Switches, and C103 - Upfitter TRANS OPT Connector
Master Electrical Component List
Control Module References
Pressure Switches and Solenoids, Temperature Sensor
Power, Ground, Serial Data, MIL, Solenoids, Temperature Sensor, and Switches
Shift Controls
Backup Lamps and Backup Alarm (UZF)