GM Service Manual Online
For 1990-2009 cars only
Makes
🢒
Isuzu
🢒
2008
🢒
Isuzu MD F-Series
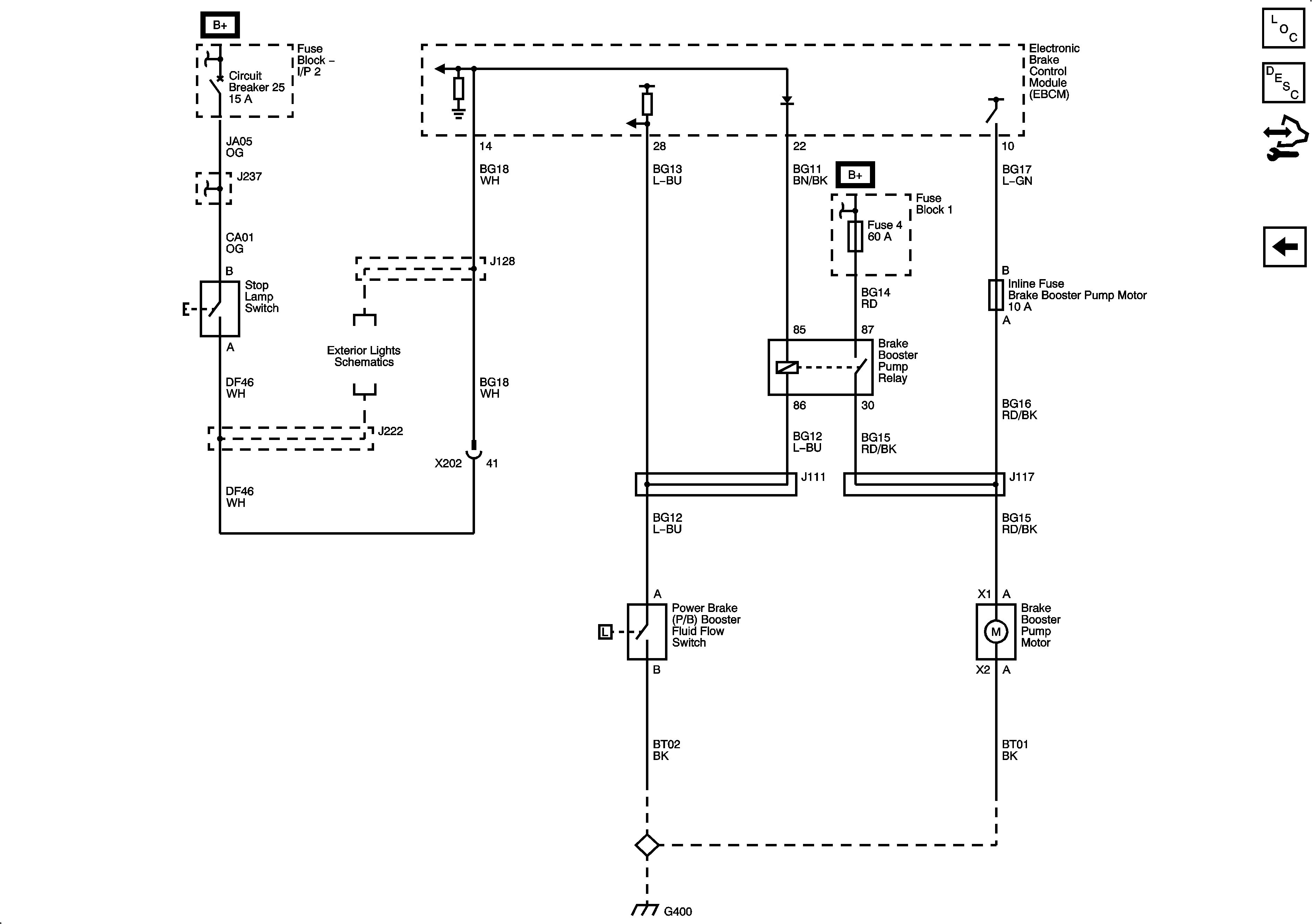
🢒 08 T Series Hydraulic Brake Schematics - Brake Booster Controls, Stop Lamp Switch
08 T Series Hydraulic Brake Schematics - Brake Booster Controls, Stop Lamp Switch
Brake Booster Controls, Stop Lamp Switch
Master Electrical Component List
Brake Warning System Description and Operation
Control Module References
Brake Controls, Park Brake Switch
Fuse Block 2: Fuses 9, 11, 12, 13, and 14, Fuse Block I/P 1: Circuit Breaker 11, and Fuse Block I/P 2: Circuit Breakers 25 and 26
Fuse Block 2: Fuses 9, 11, 12, 13, and 14, Fuse Block I/P 1: Circuit Breaker 11, and Fuse Block I/P 2: Circuit Breakers 25 and 26
Stop Lamps
Block 1: Fuses 3 and 4, and Fuse Block I/P Circuit Breakers 12 and 13, and HYDROMAX Fuse
G100, G101, G102, G107, G114, G208, G209, G210, G214, G501, G502, G601, G602 and G400 - 1 of 8,