GM Service Manual Online
For 1990-2009 cars only
Makes
🢒
Isuzu
🢒
2001
🢒
Isuzu T-Series (Truck Line C)
🢒
Body and Accessories
🢒
Wiring Systems
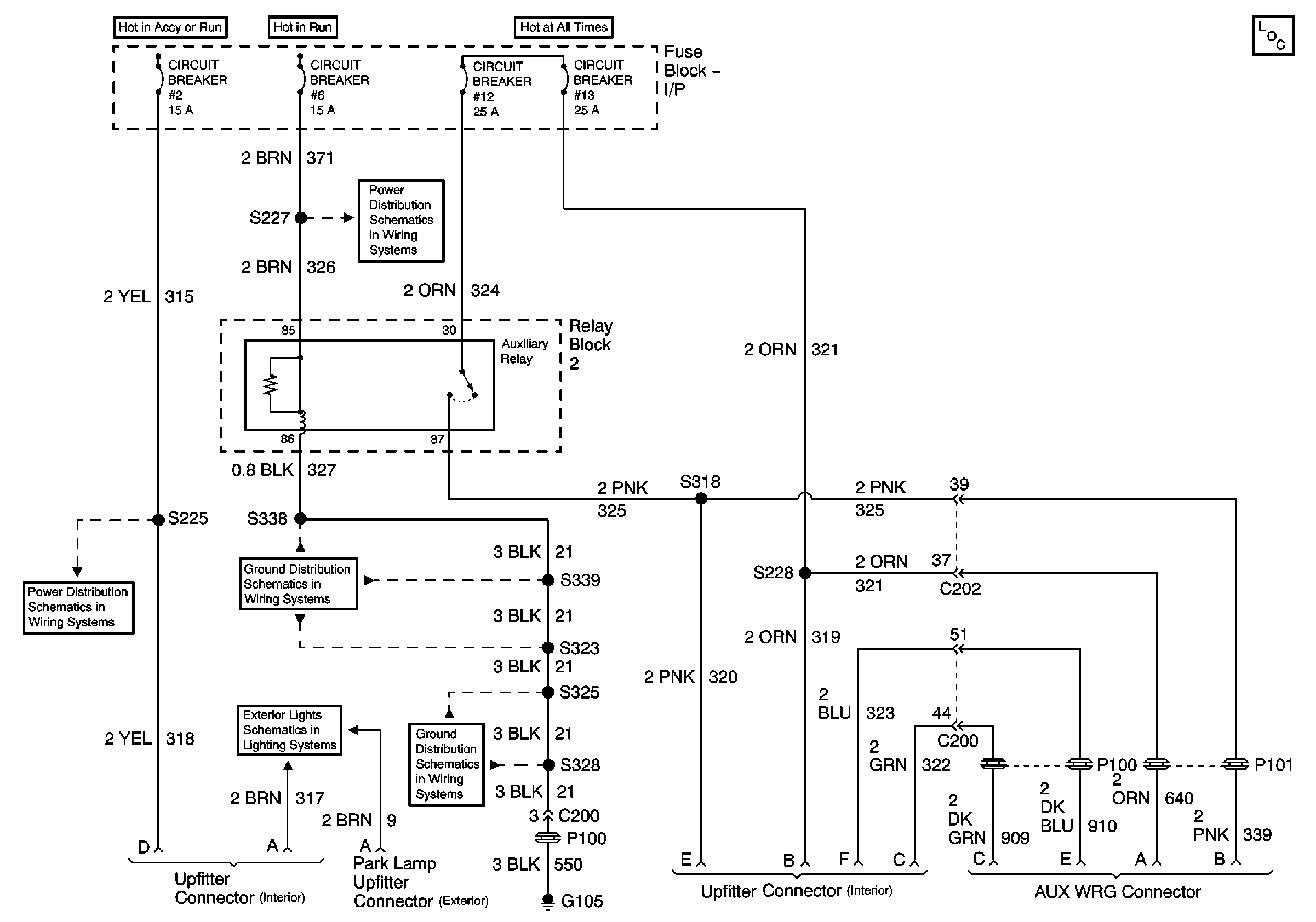
🢒 Upfitter Provision Schematics
IP Fuse Block, Circuit Breaker 6 (1 of 2)
IP Fuse Block, Circuit Breakers 1, 2, 3
G105 Continued, Splice Pack 5, S338
G105 S328, S325
Exterior Lamps Switch and Relays