GM Service Manual Online
For 1990-2009 cars only
Makes
🢒
Isuzu
🢒
2002
🢒
Isuzu T-Series (Truck Line C)
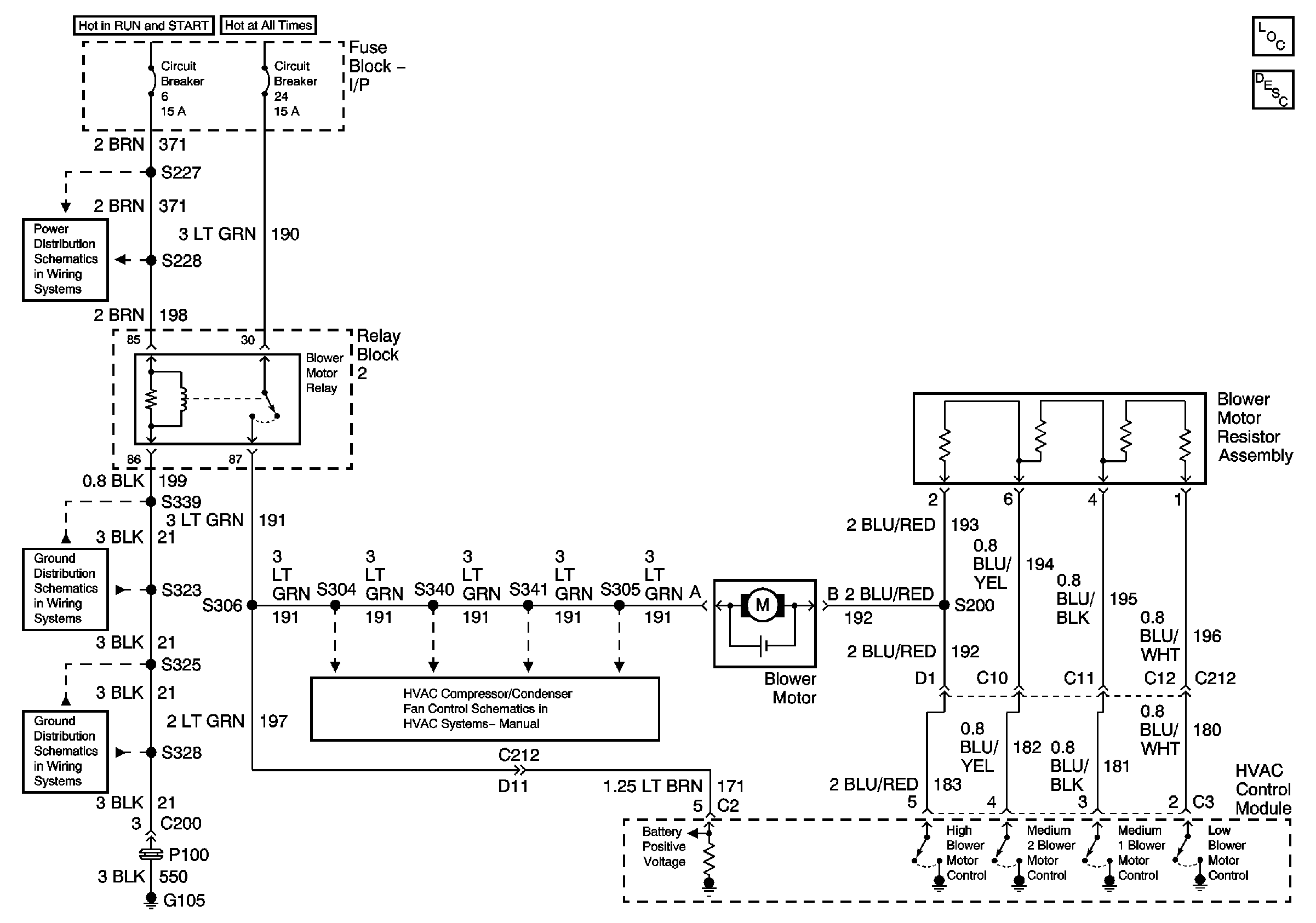
🢒 HVAC Blower Motor Control
HVAC Blower Motor Control
Master Electrical Component List
Air Temperature Description and Operation
IP Fuse Block, Curcuit Breaker 6, Page 1 of 2
G105, S323, S337, S339, S357, S358
G105, S325, S328
Power and System Components, Page 1of 3