GM Service Manual Online
For 1990-2009 cars only
Makes
🢒
Isuzu
🢒
2002
🢒
Isuzu T-Series (Truck Line C)
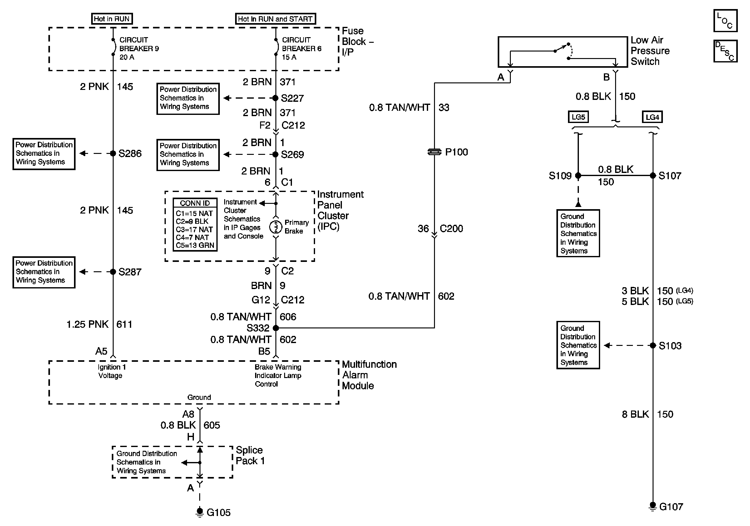
🢒 Low Air Pressure Switch, MAM, IPC
Low Air Pressure Switch, MAM, IPC
Master Electrical Component List
Brake Warning System Description and Operation
IP Fuse Block Circuit Breaker 9, Page 1 of 2
IP Fuse Block Circuit Breaker 9, Page 1 of 2
IP Fuse Block, Curcuit Breaker 6, Page 1 of 2
IP Fuse Block, Circuit Breaker 6, Page 2 of 2
Illumination, Seat Belt, Primary Brake, ABS, and Park Brake Lamps
G105, Splice Pack 1, Splice Pace 4, S450
G107, S107
G107, S101, S103, S105