GM Service Manual Online
For 1990-2009 cars only
Makes
🢒
Isuzu
🢒
2002
🢒
Isuzu T-Series (Truck Line C)
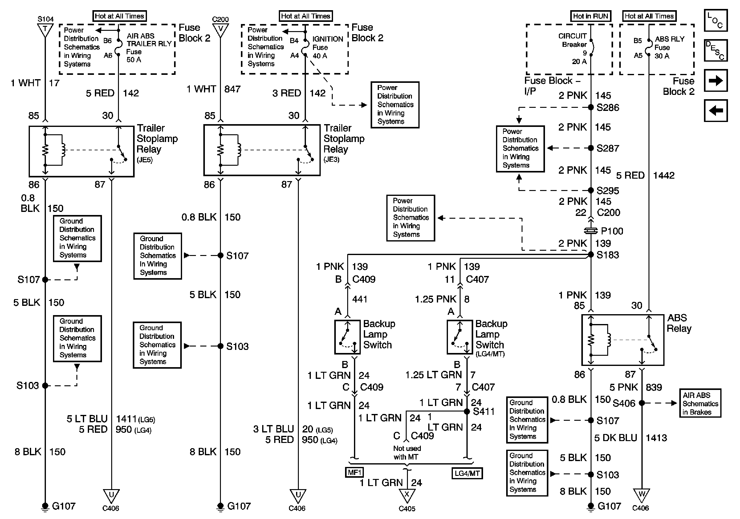
🢒 Trailer Stop Relay, ABS Relay
Trailer Stop Relay, ABS Relay
Trailer Stop Relay, ABS Relay
Master Electrical Component List
Exterior Lighting Systems Description and Operation
Clearance, Identification, and Marker Lamps
Front and Rear Lighting, IP Indicators
Hazard Flasher, Stop Lamps Switch - JE5
Hazard Flasher, Stop Lamps Switch - JE5
Trailer Wiring
Trailer Wiring
Front and Rear Lighting, IP Indicators
Trailer Wiring
Fuse Block 2, 2-SPEED AXLE, HVAC, TURN SIGNAL, IGNITION, HYD ABS MODULE, AIR ABS RELAY, AIR ABS TRAILER RELAY Fuses
G107, S101, S103, S105
G107, S101, S103, S105
G107, S101, S103, S105
G107, S101, S103, S105
Fuse Block 2, 2-SPEED AXLE, HVAC, TURN SIGNAL, IGNITION, HYD ABS MODULE, AIR ABS RELAY, AIR ABS TRAILER RELAY Fuses
Fuse Block 2, 2-SPEED AXLE, HVAC, TURN SIGNAL, IGNITION, HYD ABS MODULE, AIR ABS RELAY, AIR ABS TRAILER RELAY Fuses
IP Fuse Block, Circuit Breaker 9, Page 2 of 2
IP Fuse Block Circuit Breaker 9, Page 1 of 2
G107, S101, S103, S105
G107, S101, S103, S105
Power and Ground