GM Service Manual Online
For 1990-2009 cars only
Makes
🢒
Isuzu
🢒
2002
🢒
Isuzu T-Series (Truck Line C)
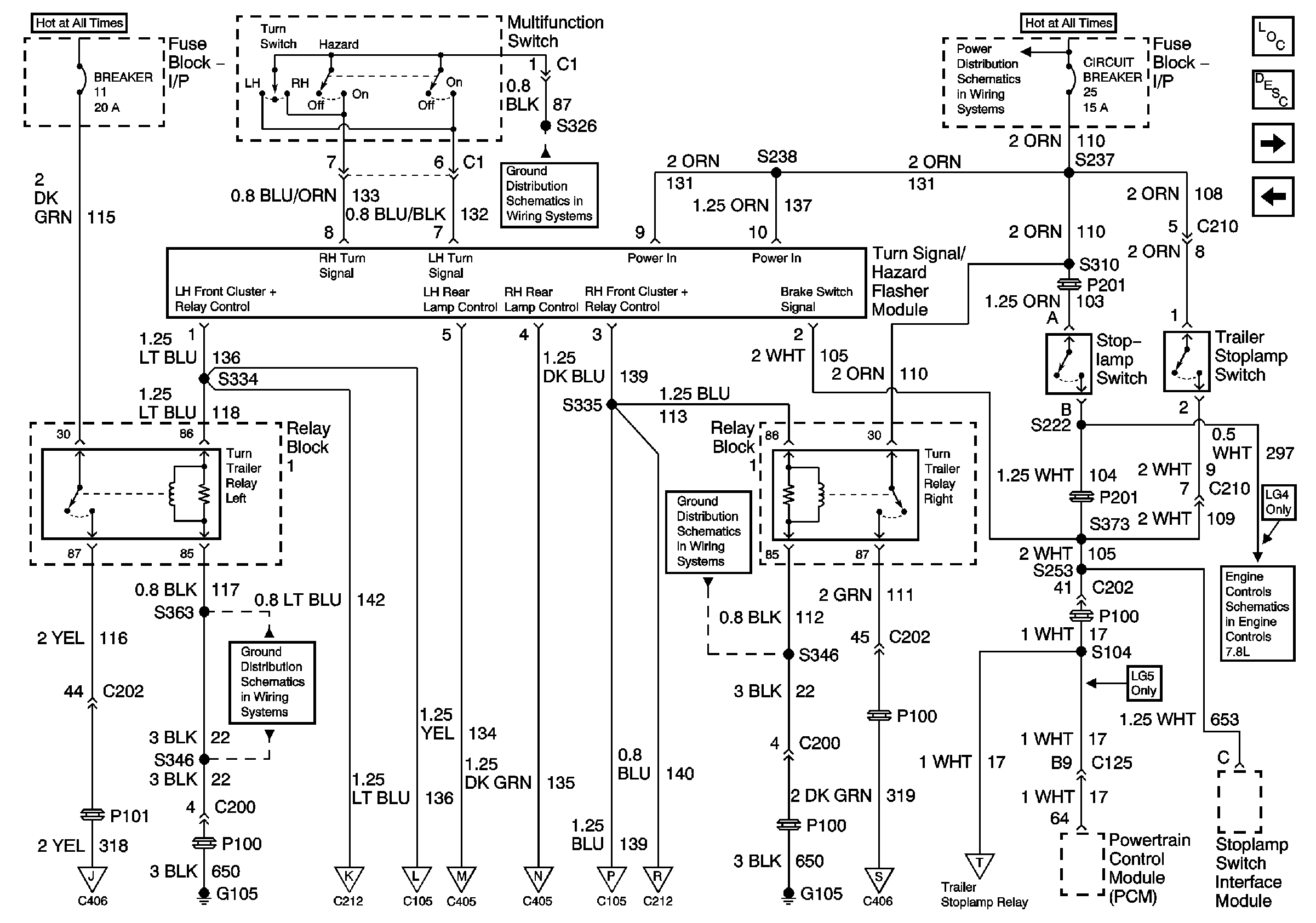
🢒 Hazard Flasher, Stop Lamps Switch - JE5
Hazard Flasher, Stop Lamps Switch - JE5
Hazard Flasher, Stop Lamps Switch-JE5
Master Electrical Component List
Exterior Lighting Systems Description and Operation
Hazard Flasher, Stop Lamps Switch - JE5
Exterior Lamps Switch and Relays
G105, S346, S347, S348, S363
G105, S346, S347, S348, S363
Fuse Block 2, 2-SPEED AXLE, HVAC, TURN SIGNAL, IGNITION, HYD ABS MODULE, AIR ABS RELAY, AIR ABS TRAILER RELAY Fuses
G105, S324, S326, S500
Engine Data Sensors - Glow Plug Controls and Engine Shutdown System
Trailer Wiring
Front and Rear Lighting, IP Indicators
Front and Rear Lighting, IP Indicators
Front and Rear Lighting, IP Indicators
Front and Rear Lighting, IP Indicators
Front and Rear Lighting, IP Indicators
Front and Rear Lighting, IP Indicators
Trailer Wiring
Trailer Stop Relay, ABS Relay