GM Service Manual Online
For 1990-2009 cars only
Makes
🢒
Isuzu
🢒
2002
🢒
Isuzu T-Series (Truck Line C)
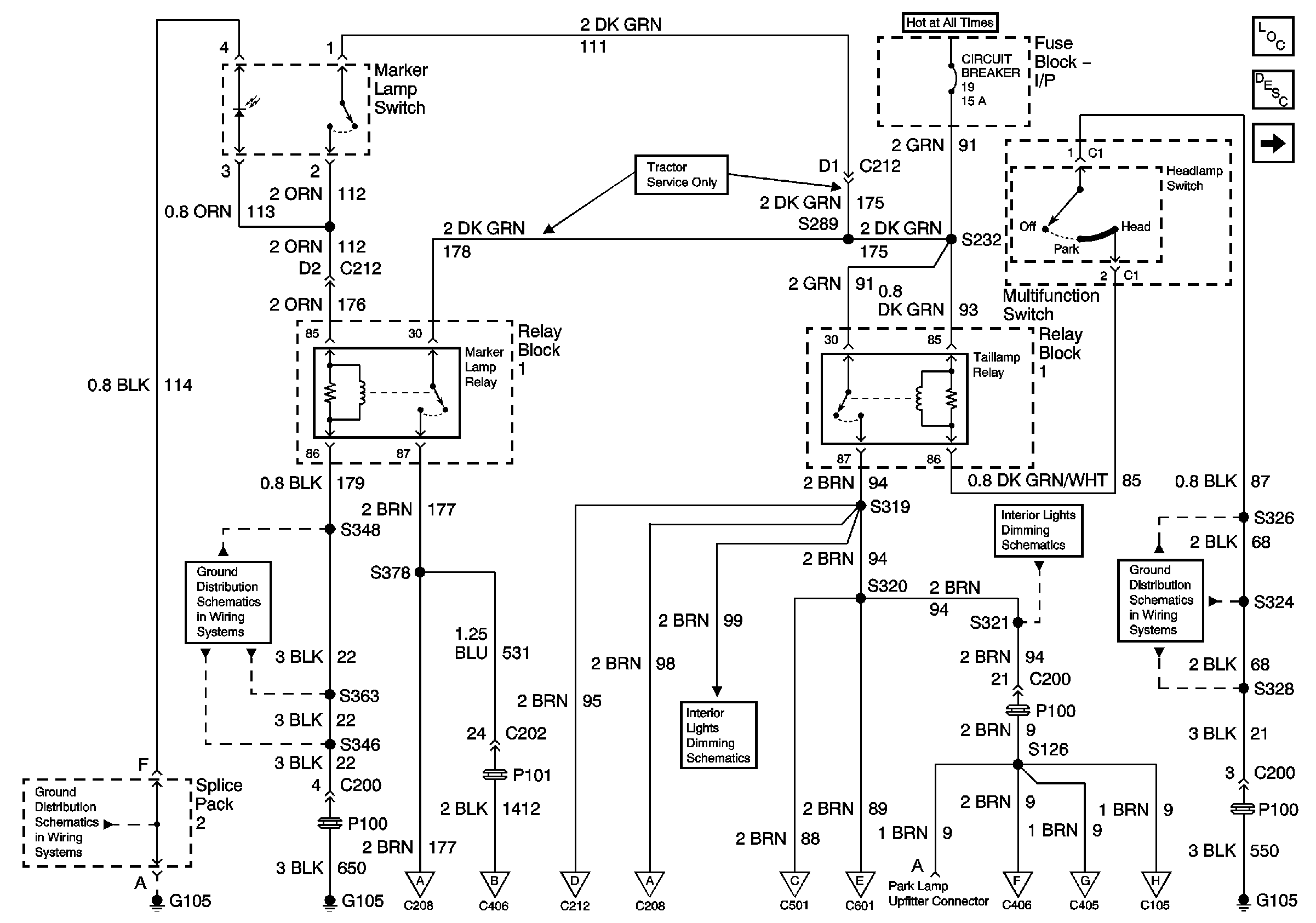
🢒 Exterior Lamps Switch and Relays
Exterior Lamps Switch and Relays
Exterior Lamps Switch and Relays
Master Electrical Component List
Exterior Lighting Systems Description and Operation
Hazard Flasher, Stop Lamps Switch - JE5
Splice Pack 2
G105, S346, S347, S348, S363
Instrument Panel Lighting
Instrument Panel Lighting
G105, S325, S328
Clearance, Identification, and Marker Lamps
Trailer Wiring
Lighted Mirrors
Clearance, Identification, and Marker Lamps
Clearance, Identification, and Marker Lamps
Clearance, Identification, and Marker Lamps
Trailer Wiring
Front and Rear Lighting, IP Indicators
Front and Rear Lighting, IP Indicators