GM Service Manual Online
For 1990-2009 cars only
Makes
🢒
Isuzu
🢒
2002
🢒
Isuzu T-Series (Truck Line C)
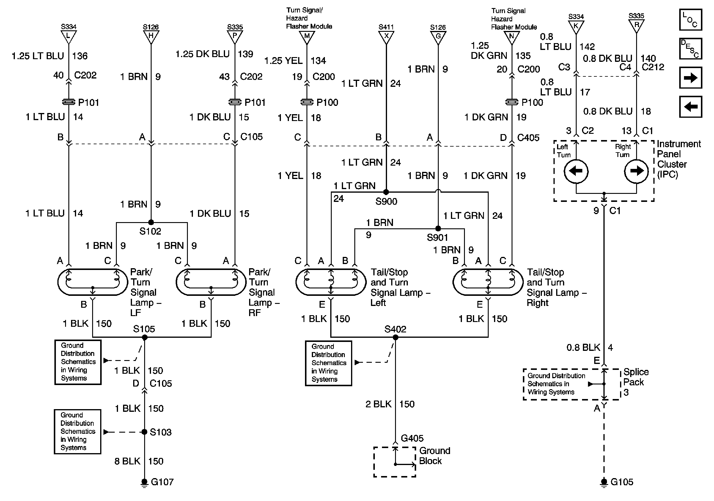
🢒 Front and Rear Lighting, IP Indicators
Front and Rear Lighting, IP Indicators
Front and Rear Lighting, IP Indicators
Master Electrical Component List
Exterior Lighting Systems Description and Operation
Trailer Stop Relay, ABS Relay
Hazard Flasher, Stop Lamps Switch - JE5
Hazard Flasher, Stop Lamps Switch - JE5
Exterior Lamps Switch and Relays
Hazard Flasher, Stop Lamps Switch - JE5
Hazard Flasher, Stop Lamps Switch - JE5
Trailer Stop Relay, ABS Relay
Exterior Lamps Switch and Relays
Hazard Flasher, Stop Lamps Switch - JE5
Hazard Flasher, Stop Lamps Switch - JE5
Hazard Flasher, Stop Lamps Switch - JE5
G107, S101, S103, S105
G107, S101, S103, S105
G404, G405, G406, S402, S415, S416, S421, S422, S702
G 407, Splice Pack 3, S120, S121, S122, S150, S242, S361