GM Service Manual Online
For 1990-2009 cars only
Makes
🢒
Isuzu
🢒
2002
🢒
Isuzu T-Series (Truck Line C)
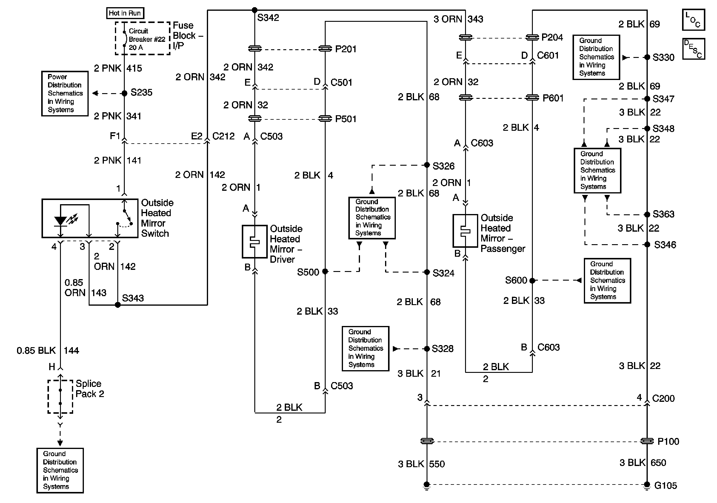
🢒 Heated Outside Mirrors
Heated Outside Mirrors
Master Electrical Component List
Outside Mirror Description and Operation
IP Fuse Block, Circuit Breakers 22, 23, 24, 25, 26
Splice Pack 2
G105, S324, S326, S500
G105, S325, S328
G105, S330, S345, S349, S359, S360, S600
G105, S346, S347, S348, S363
G105, S330, S345, S349, S359, S360, S600