GM Service Manual Online
For 1990-2009 cars only
Figure 1:

ECM B, ECM I, CLSTR Fuses, and PCM Ground


Object Number: 538556  Size: FS
Engine Controls Components
Powertrain Control Module Description
Data Link Connector (DLC)
OBD II Symbol Description Notice
ECM B, HORN, HTD MIR Fuses, Horn and Fuel Pump Relays
Power and Grounding Connector End Views
ECM I Fuse
MIL, Generator, and Fuel Composition Sensor
Power
Automatic Transmission Valve Controls
Powertrain Control Module Connector End Views
Handling ESD Sensitive Parts Notice
G103 and G105 (2.2L)
Vehicle Speed Sensor (VSS) Signal
Figure 2:

Data Link Connector (DLC)


Object Number: 540483  Size: FS
Engine Controls Components
Serial Data Communications
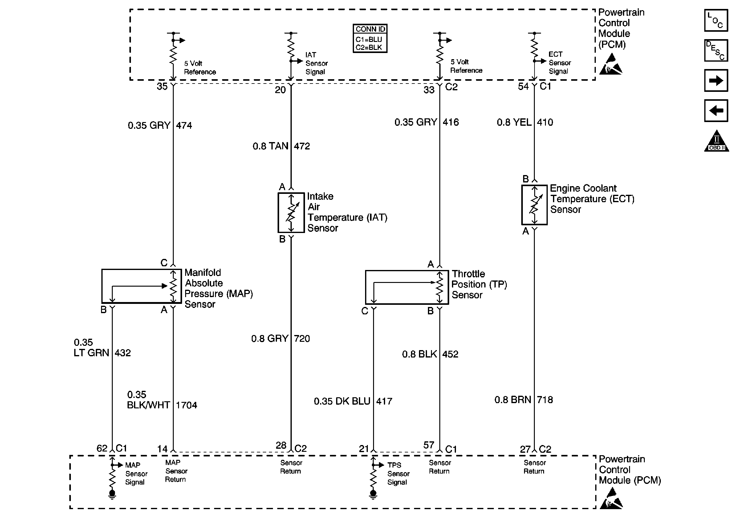
MAP, IAT, TPS, and ECT Sensors
ECM B, ECM I, CLSTR Fuses, and PCM Ground
OBD II Symbol Description Notice
INT BATT, PWR LKS, CTSY LP and CIGAR LTR Fuses
Cigar Lighter/Auxiliary Outlets Schematics
G200, G201 and G207
Power and Grounding Connector End Views
G103 and G105 (2.2L)
G103 and G105 (2.2L)
G103 and G105 (2.2L)
G103 and G105 (2.2L)
Power and Ground
Powertrain Control Module Connector End Views
Handling ESD Sensitive Parts Notice
SP201 (2.2L)
Body Control System Connector End Views
Handling ESD Sensitive Parts Notice
Figure 3:

MAP, IAT, TPS, and ECT Sensors


Object Number: 540491  Size: FS
Engine Controls Components
Information Sensors/Switches Description
Oxygen Sensors
Data Link Connector (DLC)
OBD II Symbol Description Notice
Powertrain Control Module Connector End Views
Handling ESD Sensitive Parts Notice
Handling ESD Sensitive Parts Notice
Figure 4:

Oxygen Sensors


Object Number: 614810  Size: FS
Engine Controls Components
Information Sensors/Switches Description
Vehicle Speed Sensor (VSS) Signal
MAP, IAT, TPS, and ECT Sensors
OBD II Symbol Description Notice
IGN C, IGN A Fuses and Ignition and Start Switch
Power and Grounding Connector End Views
G102
Powertrain Control Module Connector End Views
Handling ESD Sensitive Parts Notice
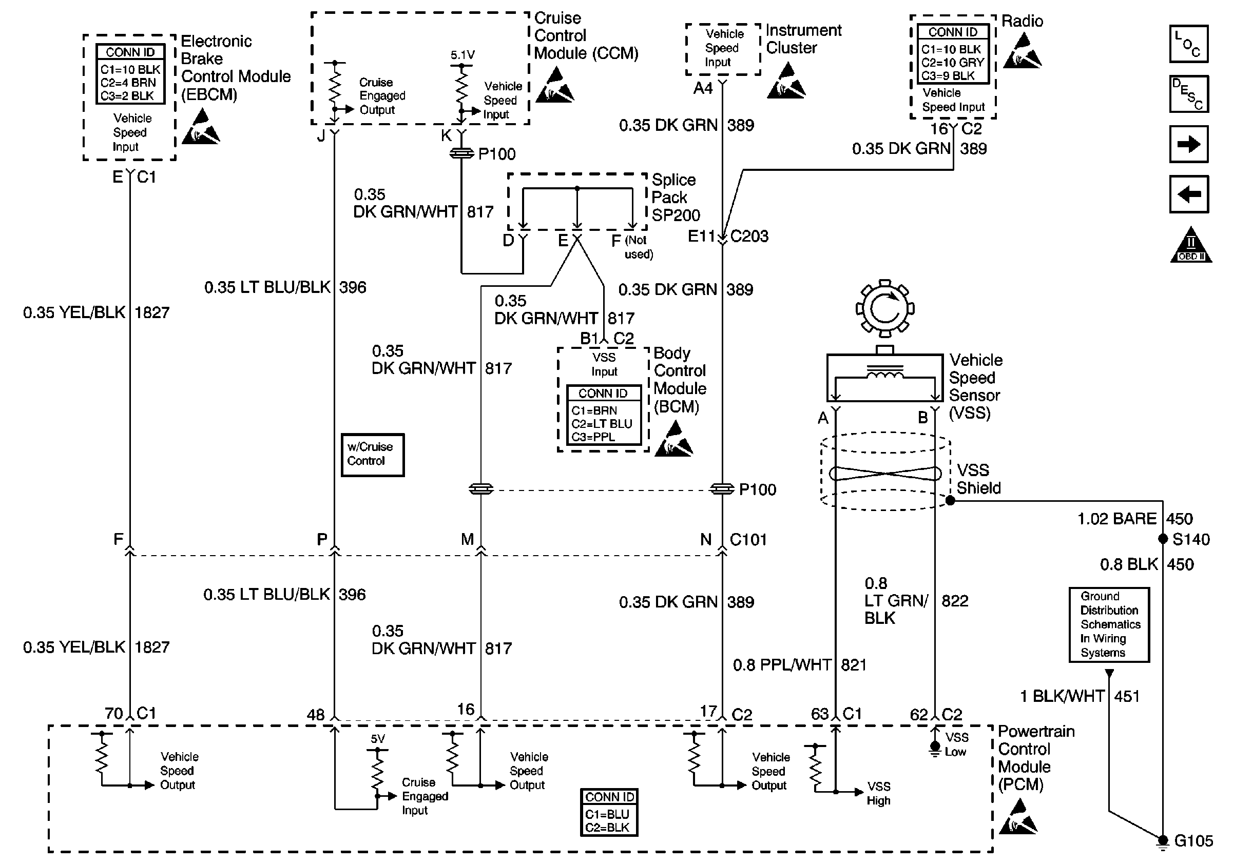
Figure 5:

Vehicle Speed Sensor (VSS) Signal


Object Number: 540495  Size: FS
Engine Controls Components
Information Sensors/Switches Description
MIL, Generator, and Fuel Composition Sensor
Oxygen Sensors
OBD II Symbol Description Notice
Antilock Brake System Connector End Views
Handling ESD Sensitive Parts Notice
Handling ESD Sensitive Parts Notice
Handling ESD Sensitive Parts Notice
Entertainment Connector End Views
Handling ESD Sensitive Parts Notice
Body Control System Connector End Views
Handling ESD Sensitive Parts Notice
Powertrain Control Module Connector End Views
G103 and G105 (2.2L)
Handling ESD Sensitive Parts Notice
Figure 6:

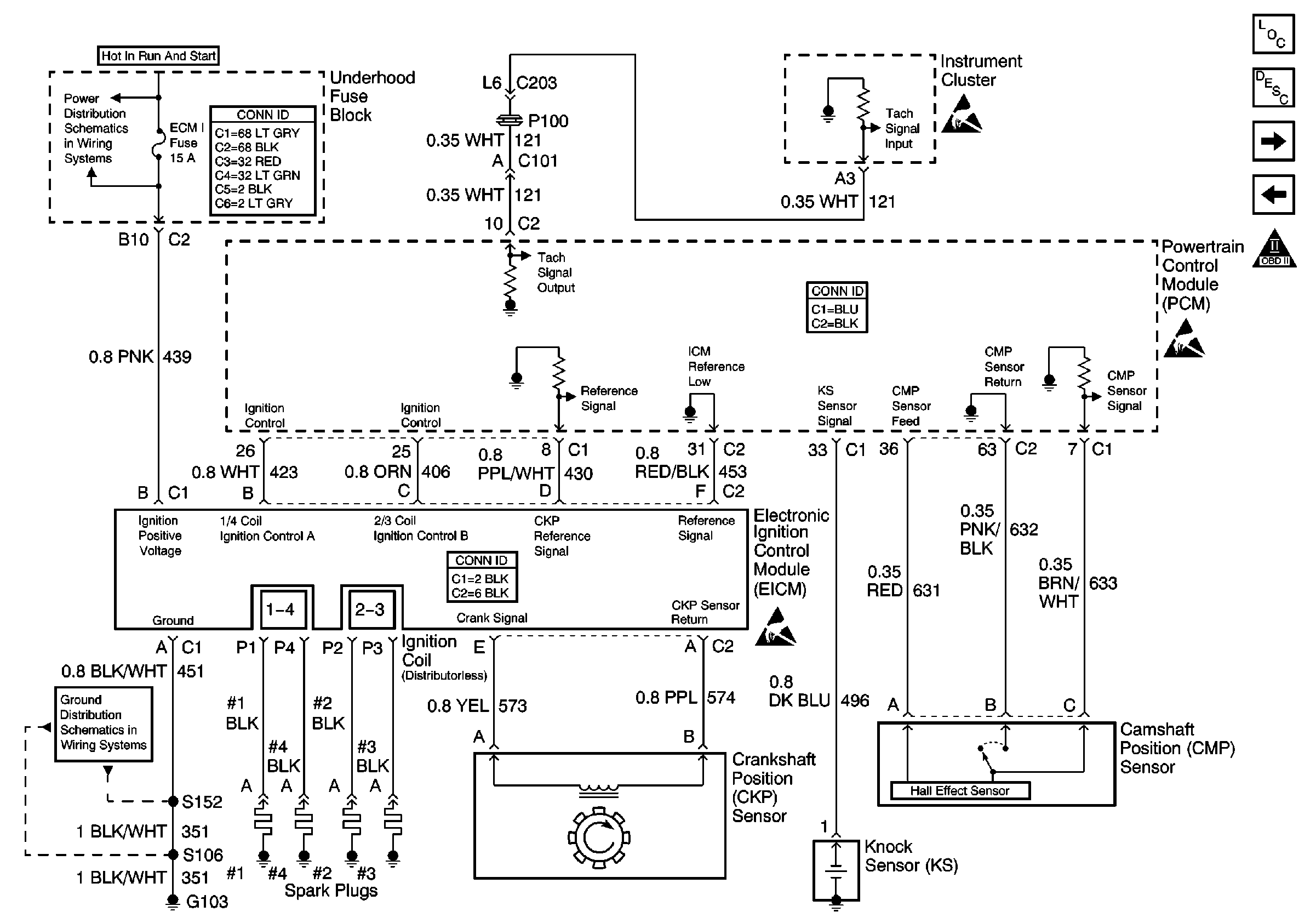
Ignition Controls


Object Number: 540484  Size: FS
Engine Controls Components
Powertrain Control Module Description
Fuel Injectors and Fuel Pump
Vehicle Speed Sensor (VSS) Signal
OBD II Symbol Description Notice
ECM I Fuse
Power and Grounding Connector End Views
Handling ESD Sensitive Parts Notice
Powertrain Control Module Connector End Views
Handling ESD Sensitive Parts Notice
Engine Controls Connector End Views
Handling ESD Sensitive Parts Notice
G103 and G105 (2.2L)
Figure 7:

Fuel Injectors and Fuel Pump


Object Number: 538549  Size: FS
Engine Controls Components
Fuel Metering System Component Description
Fuel Level and Fuel Tank Pressure Sensors
Ignition Controls
OBD II Symbol Description Notice
Powertrain Control Module Connector End Views
Handling ESD Sensitive Parts Notice
ECM I Fuse
Power and Grounding Connector End Views
ECM B, HORN, HTD MIR Fuses, Horn and Fuel Pump Relays
G102
Handling ESD Sensitive Parts Notice
Oxygen Sensors
Figure 8:

Fuel Level and Fuel Tank Pressure Sensors


Object Number: 568992  Size: FS
Engine Controls Components
Fuel Supply Component Description
IAC, EVAP Valve Controls, and Stop Lamp Switch Input (w/ A/T)
Fuel Injectors and Fuel Pump
OBD II Symbol Description Notice
Powertrain Control Module Connector End Views
Handling ESD Sensitive Parts Notice
Handling ESD Sensitive Parts Notice
Handling ESD Sensitive Parts Notice
SP201 (2.2L)
Figure 9:

IAC, EVAP Valve Controls, and Stop Lamp Switch Input (w/ A/T)


Object Number: 538582  Size: FS
Engine Controls Components
Evaporative Emission Control System Operation Description
Fuel Level and Fuel Tank Pressure Sensors
Secondary AIR Pump Control
OBD II Symbol Description Notice
Power and Grounding Connector End Views
IGN C, IGN A Fuses and Ignition and Start Switch
Powertrain Control Module Connector End Views
Handling ESD Sensitive Parts Notice
Power and Ground
Power and Ground
Clutch Pedal Position Switch and Stoplamp Switch
Handling ESD Sensitive Parts Notice
Figure 10:

Secondary AIR Pump Control


Object Number: 538569  Size: FS
Engine Controls Components
Powertrain Control Module Description
IAC, EVAP Valve Controls, and Stop Lamp Switch Input (w/ A/T)
A/C Compressor Controls
OBD II Symbol Description Notice
Power and Grounding Connector End Views
IGN C, IGN A Fuses and Ignition and Start Switch
B+ Bus Bar
Powertrain Control Module Connector End Views
Handling ESD Sensitive Parts Notice
Engine Controls Connector End Views
Figure 11:

A/C Compressor Controls


Object Number: 540517  Size: FS
Engine Controls Components
Powertrain Control Module Description
MIL, Generator, and Fuel Composition Sensor
Secondary AIR Pump Control
OBD II Symbol Description Notice
B+ Bus Bar
Power and Grounding Connector End Views
G102
IGN C, IGN A Fuses and Ignition and Start Switch
Oxygen Sensors
Powertrain Control Module Connector End Views
Handling ESD Sensitive Parts Notice
RAP, IGN B Fuses and Ignition Switch
RPO C60
HVAC Connector End Views
Figure 12:

MIL, Generator, and Fuel Composition Sensor


Object Number: 614811  Size: FS
Engine Controls Components
Powertrain Control Module Description
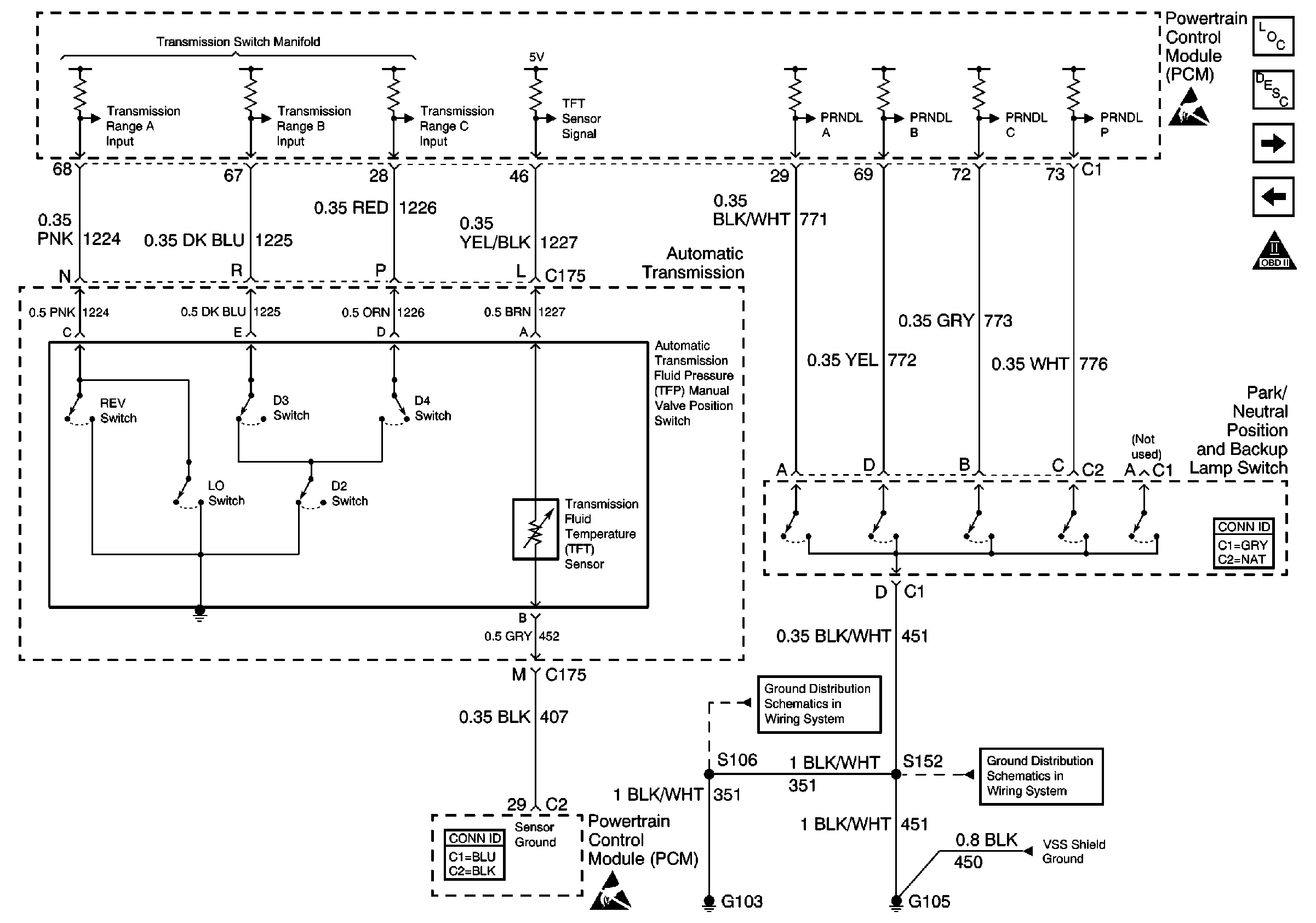
Automatic Transmission and PNP Switch Inputs
A/C Compressor Controls
OBD II Symbol Description Notice
Power and Ground
AUX PWR, RDO BATT, HDLP SW Fuses and Inadvertent Power Lamp Relay
Power
Handling ESD Sensitive Parts Notice
ECM B, ECM I, CLSTR Fuses, and PCM Ground
Powertrain Control Module Connector End Views
Handling ESD Sensitive Parts Notice
Figure 13:

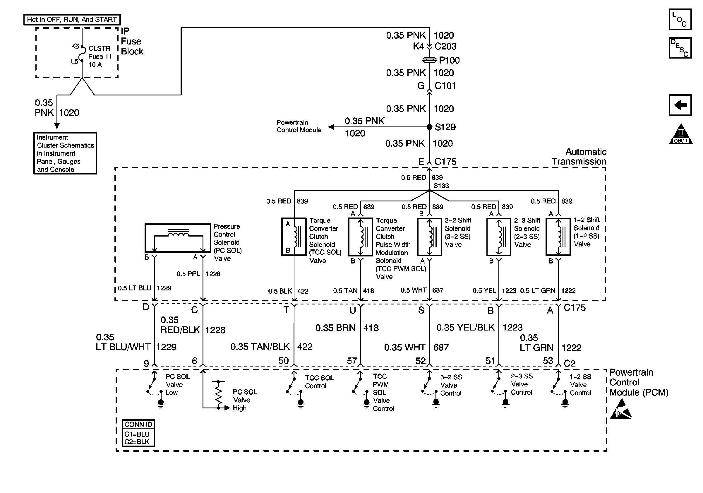
Automatic Transmission and PNP Switch Inputs


Object Number: 540516  Size: FS
Engine Controls Components
Powertrain Control Module Description
Automatic Transmission Valve Controls
MIL, Generator, and Fuel Composition Sensor
OBD II Symbol Description Notice
Handling ESD Sensitive Parts Notice
Powertrain Control Module Connector End Views
Handling ESD Sensitive Parts Notice
G103 and G105 (2.2L)
G103 and G105 (2.2L)
Vehicle Speed Sensor (VSS) Signal
Shift Lock Control Connector End Views
Figure 14:

Automatic Transmission Valve Controls


Object Number: 540515  Size: FS
Engine Controls Components
Powertrain Control Module Description
Automatic Transmission and PNP Switch Inputs
OBD II Symbol Description Notice
Power
ECM B, ECM I, CLSTR Fuses, and PCM Ground
Powertrain Control Module Connector End Views
Handling ESD Sensitive Parts Notice