GM Service Manual Online
For 1990-2009 cars only
Makes
🢒
Isuzu
🢒
2000
🢒
S/T Isuzu - 2WD
🢒
Body and Accessories
🢒
Instrument Panel, Gauges, and Console
🢒 Audible Warnings Schematics
Figure
1:
Power and Ground
Audible Warnings Components
Audible Warnings Circuit Description
Turn Signals
B+ Bus Bar
Power and Grounding Connector End Views
IGN C, IGN A Fuses and Ignition and Start Switch
RAP, IGN B Fuses and Ignition Switch
PARK LP, ILLUM Fuses, Park Lamp and Headlamp Grounding Relays
Power
Power
HVAC and CRUISE Fuses
Body Control System Connector End Views
Handling ESD Sensitive Parts Notice
Ground
Front Door Jamb Switches and Door Handle Switch, LH
G200, G201 and G207
G203 and G204
Figure
2:
Turn Signals
Audible Warnings Components
Audible Warnings Circuit Description
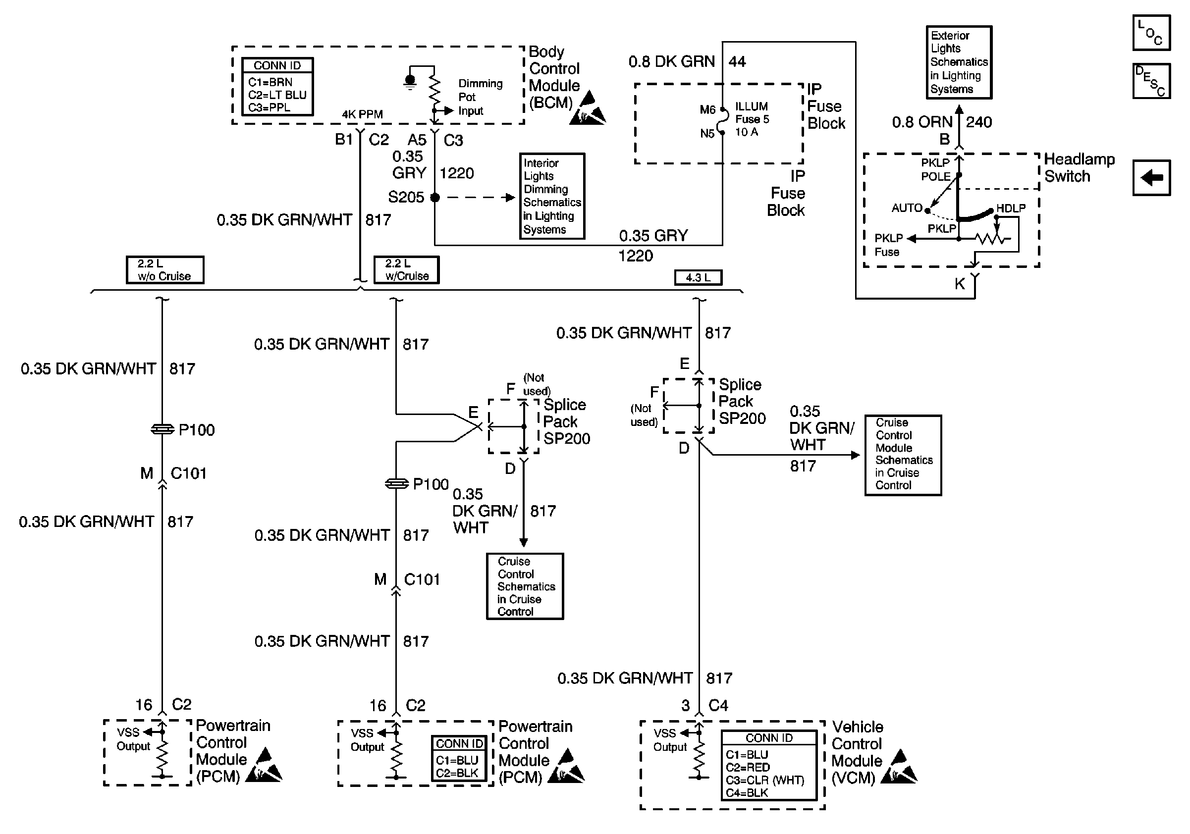
PCM/VCM and VSS Input
Power and Ground
Body Control System Connector End Views
Power
Handling ESD Sensitive Parts Notice
Instrument Cluster Turn Signal Indicators
Instrument Cluster Turn Signal Indicators
Power and Grounding Connector End Views
Park and Marker Lamps (Front)
Turn Signal Lamps (Front) and Turn Signal Fuses (Rear)
Horns Schematics
Park and Marker Lamps (Front)
Turn Signal Lamps (Front) and Turn Signal Fuses (Rear)
Figure
3:
PCM/VCM and VSS Input
Audible Warnings Components
Audible Warnings Circuit Description
Turn Signals
Body Control System Connector End Views
Handling ESD Sensitive Parts Notice
ILLUM Fuse 12
Park and Marker Lamps (Front)
Cruise Control Module and PCM/VCM
Cruise Control Module and PCM/VCM
Handling ESD Sensitive Parts Notice
Powertrain Control Module Connector End Views
Handling ESD Sensitive Parts Notice
VCM Connector End Views
Handling ESD Sensitive Parts Notice