GM Service Manual Online
For 1990-2009 cars only
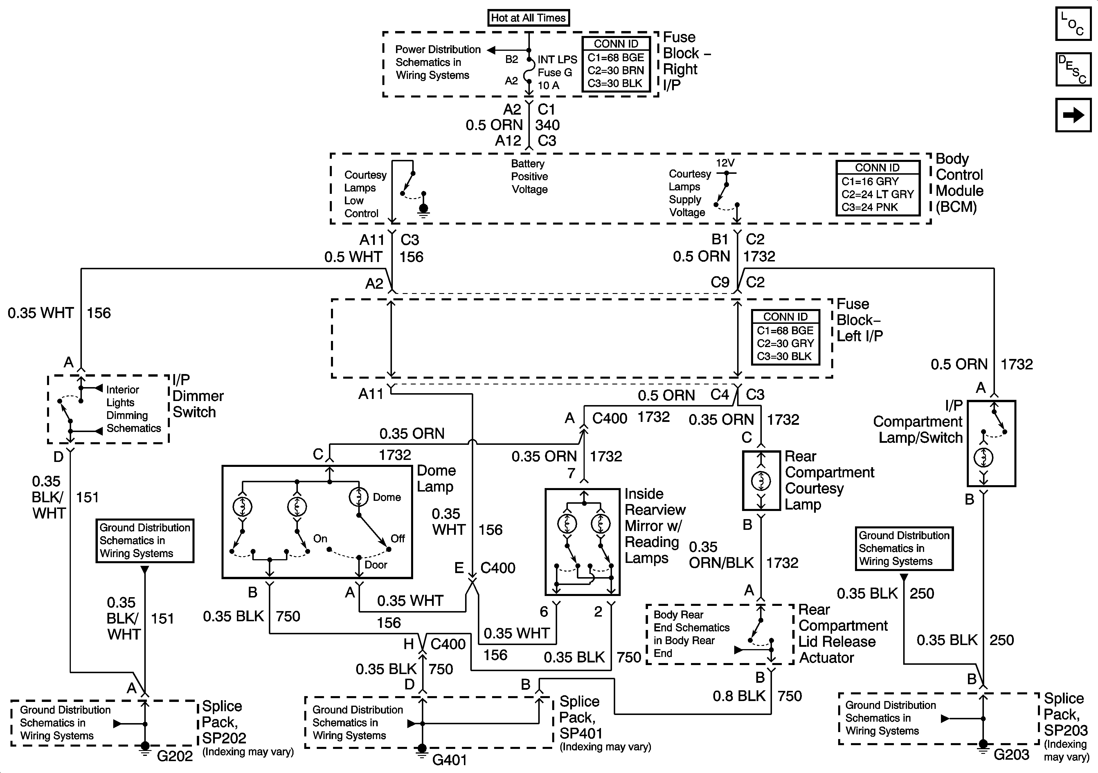
Figure 1:

Dome Lamps - Y71/Y72


Object Number: 792942  Size: FS
Master Electrical Component List
Interior Lighting Systems Description and Operation
Dome Lamps - Y70
RH BEC BATT, ABS, COOL FAN GROUND, INT LPS, RADIO BATT, FOG LPS Fuses
Dimmer Controls
G202
G202
G401
Body Rear End Schematics
G203
G203
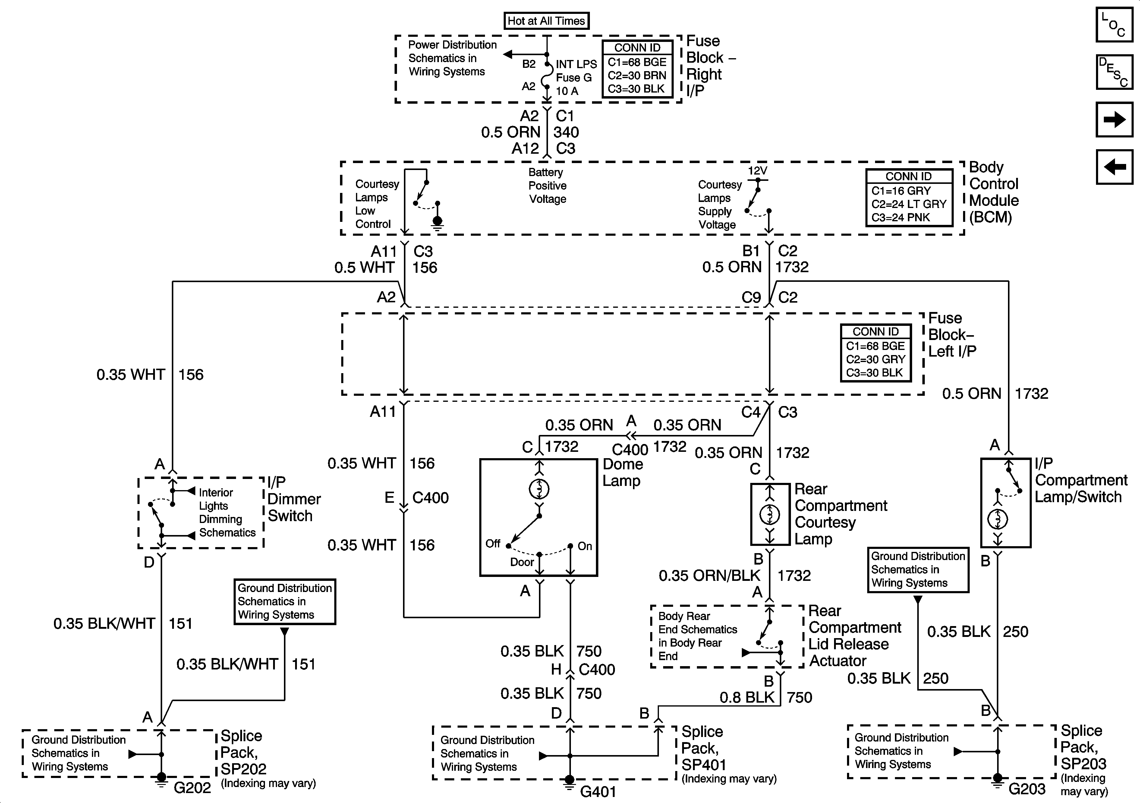
Figure 2:

Dome Lamps - Y70


Object Number: 803310  Size: FS
Master Electrical Component List
Interior Lighting Systems Description and Operation
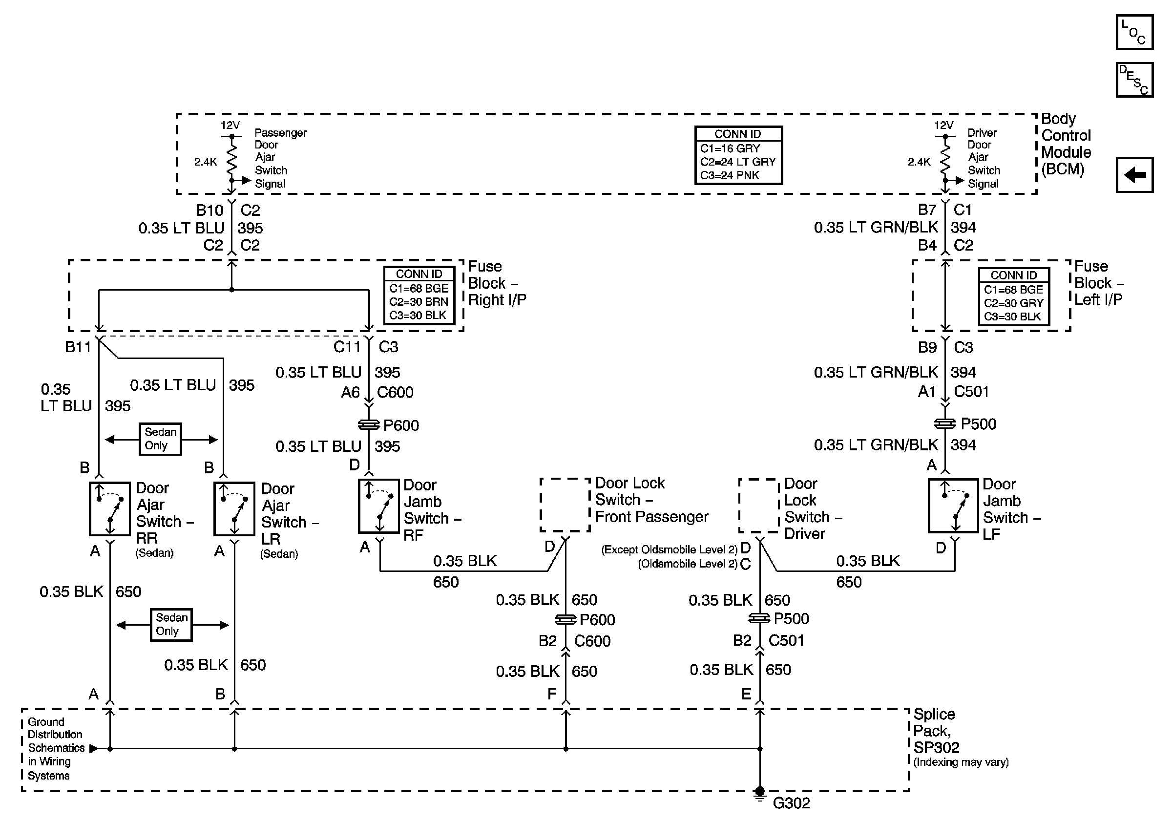
Door Jamb Switches
Dome Lamps - Y71/Y72
RH BEC BATT, ABS, COOL FAN GROUND, INT LPS, RADIO BATT, FOG LPS Fuses
Dimmer Controls
G202
G202
G401
Body Rear End Schematics
G203
G203
Figure 3:

Door Jamb Switches


Object Number: 792943  Size: FS
Master Electrical Component List
Interior Lighting Systems Description and Operation
Dome Lamps - Y70
G302